2.1. Топливная система
На двигателе 1CD-FTV Toyota впервые применила схему Common Rail. В отличие от обычной дизельной системы с ТНВД распределительного типа, здесь топливо подается при помощи ТНВД в общую топливную рампу, а впрыскивается в цилиндры через форсунки с электронным управлением, напоминающие форсунки бензинового двигателя. Одно из основных отличий - существенно выросшее давление топлива (вместо ~200 атмосфер в обычном двигателе - здесь 1350).
 |
1 - электронный блок управления двигателем, 2 - усилитель форсунок, 3 - датчик давления топлива, 4 - топливная рампа,
5 - ограничитель давления, 6 - обратный клапан, 7 - форсунка, 8 - ТНВД, 9 - топливный бак, 10 - датчики. |
2.2. ТНВД
ТНВД в схеме Common Rail абсолютно не похож на традиционный Bosch VE.
 |
1 - датчик температуры топлива, 2 - SCV (э/м перепускной клапан), 3 - регулятор давления,
4 - плунжер B, 5 - диск привода, 6 - плунжер A,
7 - толкатель, 8 - подкачивающий насос. |
В корпусе размещены подкачивающий насос, управляющие клапаны и сам двукхкамерный насос высокого давления, направляющий диск которого представляет собой эллипс.
 |
| 2 - SCV (э/м перепускной клапан), 3 - регулятор давления, 4 - плунжер B, 5 - диск привода, 6 - плунжер A, 7 - толкатель, 8 - подкачивающий насос, 9 - напорный клапан, 10 - обратный клапан. |
При ходе всасывания плунжеры, следуя профилю направляющего диска, расходятся, SCV открывается и топливо поступает в напорную камеру.
 |
1 - напорная камера, 2 - плунжер,
3 - направляющий диск, 4 - топливо, 5 - SCV,
6 - толкатель, 7 - плунжер. |
После того, как диск повернулся на 90 градусов, SCV перекрывает входной канал и начинается ход нагнетания.
Объем поступающего к плунжеру топлива регулируется при помощи SCV, благодаря чему блоку управления удается поддерживать требуемое давление в топливной рампе.
2.3. Топливная рампа
В топливной рампе установлен датчик давления топлива и механический ограничитель давления. Надо отметить, что датчик давления конструктивно выполнен "одноразовым" и не должен вворачиваться повторно, а регулировка ограничителя давления выполняется однократно еще на заводе.
2.4. Форсунки
Конструкция форсунки 1CD-FTV не столь изощренная, как на свежем дизеле от Isuzu (4JX1), но тем не менее сильно отличается и от обычной дизельной, и от обычной бензиновой. Само собой, что при таком чудовищном давлении в рампе простой электромагнитный клапан был бы слабоват, поэтому управление форсункой "электрогидравлическое".
В закрытом состоянии клапан удерживается пружиной, при этом топливо в управляющей камере удерживает в нижнем положении поршень, который, в свою очередь, через пружину фиксирует в закрытом положении иглу (давление топлива, воздействующее на иглу снизу, недостаточно для ее открытия).
При подаче тока на обмотку, клапан втягивается и открывает канал, по которому топливо про ходит к нижней части поршня. В результате уменьшается давление в управляющей камере и нарастает давление под поршнем, в результате чего тот поднимается. Одновременно с этим открывается запорная игла форсунки и происходит впрыск топлива.
 |
| 1 - электромагнитный клапан, 2 - обмотка, 3 - управляющая камера, 4 - игла, 5 - поршень, 6 - топливо. |
Как можно заметить, форсунка представляет собой сложный механизм, построенный на тонком балансе сил пружин и давления топлива и его дросселировании в тонких каналах. Качество нашей солярки известно, поэтому на долгое поддержание этого баланса можно не рассчитывать.
2.5. Система управления
 |
|
Схема системы управления двигателем. 1 - датчик положения педали акселератора, 2 - от замка зажигания, 3 - сигнал стартера, 4 - сигнал кондиционера, 5 - от датчика скорости,
6 - от генератора, 7 - от разъема DLC3, 8 - электронный блок управления двигателем, 9 - топливный бак, 10 - датчик температуры топлива, 11 - топливный фильтр, 12 - ТНВД,
13 - клапан SCV, 14 - датчик давления топлива, 15 - топливная рампа, 16 - промежуточный охладитель (интеркулер), 17 - реле блока управления форсунками, 18 - блок управления форсунками (усилитель форсунок), 19 - расходомер воздуха, 20 - датчик атмосферной температуры, 21 - клапан EGR, 22 - форсунка, 23 - охладитель EGR, 24 - пневмопривод управления турбокомпрессором, 25 - датчик положения распределительного вала, 26 - клапан управления разрежением (пневмопривода турбокомпрессора), 27 - вакуумный насос,
28 - датчик температуры охлаждающей жидкости, 29 - датчик положения коленчатого вала, 30 - дроссельная заслонка,
31 - датчик температуры воздуха на впуске, 32 - датчик давления наддува, 33 - электропневмоклапан датчика давления наддува, 34 - свеча накаливания, 35 - реле свечей накаливания.
|
 |
|
Расположение компонентов. 1 - датчик давления топлива, 2 - электропневмоклапан (датчика давления наддува), 3 - свеча накаливания, 4 - усилитель форсунок, 5 - датчик положения распределительного вала, 6 - электронный блок управления двигателем, 7 - форсунка, 8 - расходомер воздуха, 9 - датчик давления наддува, 10 - разъем DLC3, 11 - датчик положения педали акселератора, 12 - клапан EGR, 13 - датчик температуры воздуха на впуске, 14 - дроссельная заслонка, 15 - датчик температуры охлаждающей жидкости, 16 - клапан управления разрежением, 17 - датчик положения коленчатого вала.
|
Система управления стала практически полностью электронной. Педаль акселератора больше не связана механически с ТНВД (ее положение контролируется датчиком), на шкивах коленвала и распредвала появились, соответственно, датчики положения коленчатого и распределительного валов (первый также является и датчиком ВМТ).
Впрыск топлива в цилиндры осуществляется в две стадии - сначала небольшой заряд, затем основной, благодаря чему обеспечивается более равномерное нарастание давление в цилиндре, снижаются вибрации и шумы.
Управление системой рециркуляции отработавших газов и дроссельной заслонкой осуществляется не пневмоприводами, а электродвигателями.
 |
|
1 - дроссельная заслонка, 2 - привод дроссельной заслонки, 3 - клапан EGR, 4 - охладитель EGR, 5 - выпускной коллектор, 6 - впускной коллектор, 7 - электронный блок управления двигателем.
|
Применение турбокомпрессора с "изменяемой геометрией" позволило управлять давлением наддува в зависимости от условий работы двигателя (частота вращения, объем впрыскиваемого топлива, атмосферное давление, температура охлаждающей жидкости).
Датчик давления наддува способен измерять и барометрическое давление - для этого служит электропневмоклапан, переключающий забор воздуха на атмосферу в те моменты, когда не происходит впрыск топлива (на холостом ходу или при замедлении).
 |
|
1 - электронный блок управления двигателем, 2 - пневмопривод турбокомпрессора, 3 - датчик давления наддува, 4 - электропневмоклапан, 5 - вакуумный насос, 6 - клапан управления разрежением.
|
Появились и новые диагностические коды, ранее не встречавшиеся на тойотовских дизелях:
34 (2) - Система турбонаддува
34 (3) - Привод лопаток турбокомпрессора (заклинивание в закрытом состоянии)
34 (4) - Привод лопаток турбокомпрессора (заклинивание в открытом состоянии)
51 - Цепь выключателя стоп-сигналов
71 - Цепь управления EGR
89 - Блок управления электрооборудованием кузова
2.6. Генератор
В 2000-2002 годах Toyota начала переход на генераторы нового типа.
Новый статор выполнен по схеме "сегментный проводник", где вместо одной непрерывной обмотки в тело статора внедрены спаянные между собой сегменты. В результате снизилось сопротивление и уменьшились размеры статора.
Второе нововведение - наличие двух обмоток, фазы которых смещены друг относительно друга на 30 градусов, благодаря чему повышается стабильность выходного напряжения и уменьшаются электромагнитные наводки.
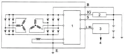
 |
| 1 - регулятор напряжения, 2 - замок зажигания, 3 - блок управления двигателем, 4 - индикатор зарядки АКБ. |
Кроме того, в шкив генератора установлена обгонная муфта, позволяющая снизить воздействие на ремень в переходных режимах. А натяжение ремня осуществляется хитроумным автоматическим натяжителем.
Евгений, Москва
© Легион-Автодата