Книга Грейт Вол с 2007 с дизельным 2.8 двигателем. Электросхемы. Руководство по ремонту и эксплуатации автомобиля.
Руководство содержит: общие сведения об устройстве автомобилей Great Wall Hover Td с 2007 г. и их модификаций, рекомендации по эксплуатации и техническому обслуживанию, описание возможных неисправностей двигателя, трансмиссии, ходовой части, рулевого управления, тормозной системы.
Советы, приведенные в данном руководстве, помогут провести ТО и сделать ремонт, как на станции технического обслуживания, так и своими силами.
Купить книгу по ремонту и эксплуатации автомобиля Great Wall Hover с 2007 с дизельным 2.8 двигателем, электросхемы Вы можете в нашем интернет-магазине с доставкой Почтой России или курьером по Москве.
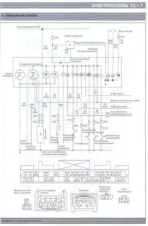
P>ГЛАВА 1. ИНСТРУКЦИЯ ПО ЭКСПЛУАТАЦИИ Общие сведения 1-1 Контрольно-измерительные приборы и дополнительное оборудование 1-6 Вождение автомобиля 1-24 Нештатные ситуации 1-27 Уход за автомобилем 1-29 Общие правила технического обслуживания 1-29 ГЛАВА 2. ДИЗЕЛЬНЫЙ ДВИГАТЕЛЬ Общие сведения 2-1 Техническое обслуживание двигателя 2-2 Снятие и установка силового агрегата в сборе 2-6 Механическая часть двигателя 2-9 Система смазки 2-32 Система впускай выпуска 2-35 Система охлаждения 2-38 Сальники двигателя 2-42 Приложение к главе 2-44 ГЛАВА 3. ЭЛЕКТРООБОРУДОВАНИЕ ДВИГАТЕЛЯ Общие сведения 3-1 Система электроснабжения 3-2 Система пуска 3-11 Приложения к главе 3-16 ГЛАВА 4. СЦЕПЛЕНИЕ Общие сведения 4-1 Техническое обслуживание 4-2 Приложения к главе 4-4 ГЛАВА 5. КОРОБКА ПЕРЕДАЧ Общие сведения 5-1 Механическая коробка передач 5-2 Автоматическая коробка передач 5-16 Приложения к главе 5-17 ГЛАВА 6. ПРИВОДНЫЕ ВАЛЫ И ОСИ Общие сведения 6-1 Техническое обслуживание карданных валов 6-2 Техническое обслуживание полуосей привода передних колес 6-2 Приложения к главе 6-16 ГЛАВА 7. ХОДОВАЯ ЧАСТЬ Общие сведения 7-1 Поворотный кулак и ступица колеса (автомобиль с приводом на задние колеса) 7-1 Передняя подвеска (автомобиль с приводом на задние колеса) 7-4 Поворотный кулаки ступица колеса (автомобиль с полным приводом) 7-9 Передняя подвеска (автомобиль с полным приводом) 7-12 Задняя подвеска 7-16 Приложение к главе 7-17 ГЛАВА 8. ТОРМОЗНАЯ СИСТЕМА Общие сведения 8-1 Проверка и регулировка 8-1 Стояночная тормозная система 8-2 Передние тормоза 8-4 Задние тормоза 8-6 Регулятор тормозных сил 8-8 Антиблокировочная система (АБС) 8-9 Приложения к главе 8-9 ГЛАВА 9. РУЛЕВОЕ УПРАВЛЕНИЕ Общие сведения 9-1 Проверка и регулировка компонентов рулевого управления 9-2 Рулевая рейка в сборе с гидроусилителем 9-3 Насос гидроусилителя 9-7 Приложения к главе 9-8 ГЛАВА 10. СИСТЕМА ПИТАНИЯ Общие сведения 10-1 Топливный фильтр в сборе 10-2 Топливные форсунки 10-2 Топливный насос высокого давления 10-4 Топливный бак 10-6 Блок датчика уровня топлива 10-7 ГЛАВА 11. КУЗОВ Общие сведения 11-1 Ветровое стекло 11-1 Стекло двери багажника 11-3 Двери автомобиля 11-3 Приложения к главе 11-11 ГЛАВА 12. ЭЛЕКТРОСХЕМЫ Общие сведения 12-1 Освещение 12-1 Система пуска и подзарядки 12-6 Приборная панель 12-7 Кондиционер и магнитола 12-8 Стеклоочистители 12-10 Центральный замок и зеркала заднего вида 12-11 Блок управления АБС 12-13 ГЛАВА 13. CD-ПЛЕЕР И КОНДИЦИОНЕР Общие сведения 13-1 CD плеер 13-1 Кондиционер 13-2 Приложения к главе 13-5
Интернет-портал Легион-Автодата создан для удобных покупок: автолитературы, программ для диагностики автомобиля, диагностических приборов, адаптеров elm327, автоаксессуаров и инструментов для авторемонта. Купить книги и приборы для диагностики и ремонта автомобиля Вы можете в нашем интернет магазине.
Удобно оплатить руководства по ремонту и эксплуатации выбранных Вами марок авто любой из платежных систем.
Заказать доставку автокниги почтой без предоплаты, курьером по Москве, регионам и в более 200 пунктов самовывоза по всей России.