Книга Мазда 323 и Фамилия 1994-1998 с бензиновыми двигателями Б3 1.3, Z5 1.5, Б6 1.6, BP 1.8 и KF 2.0. Электросхемы, каталог запчастей, диагностика. Руководство по ремонту и техническому обслуживанию автомобиля. Серия Профессионал.
В руководстве дается пошаговое описание процедур по эксплуатации, техническому обслуживанию и ремонту автомобилей Mazda 323 / Familia 1994-1998 гг. выпуска, оборудованных бензиновыми двигателями B3 (1,3 л), Z5 (1,5 л), B6 (1,6 л), BP (1,8 л) и KF (2,0 л).
Издание содержит руководство по эксплуатации, подробные сведения по техническому обслуживанию автомобиля, диагностике, ремонту и регулировке элементов систем двигателя (в т.ч. системы управления двигателем, запуска, зарядки), рекомендации по регулировке и ремонту механических и автоматических коробок передач (МКПП и АКПП), тормозной системы (включая антиблокировочную систему тормозов (ABS)), рулевого управления (в т.ч. гидроусилителя), подвески, кузовных элементов, систем кондиционирования и вентиляции (AC), системы пассивной безопасности (SRS).
Приведены инструкции по диагностике
5 электронных систем: управления двигателем, АКПП, ABS, SRS и комбинации приборов.
Подробно описаны
86 кодов неисправностей; возможные причины возникновения.
Приведены разъемы и процедуры проверки сигналов на выводах блоков управления различными системами - PinData.
Представлены
92 подробные электросхемы для различных вариантов комплектации автомобилей, описание большинства элементов электрооборудования.
Приведены возможные неисправности и методы их устранения, сопрягаемые размеры основных деталей и пределы их допустимого износа, рекомендуемые смазочные материалы, рабочие жидкости и
каталожные номера запчастей необходимых для технического обслуживания, размеры рекомендуемых и допускаемых шин и дисков.
Книга будет полезна как автовладельцам, начинающим и опытным, так и профессионалам авторемонта и диагностики. Автовладелец найдет для себя полезными: инструкцию по эксплуатации, техническое обслуживание (с периодичностью и необходимыми материалами), каталог запасных частей востребованных при ТО, инструкции по самостоятельному ремонту.
Профессионалам будут полезны: операции по сложному ремонту, допустимые размеры деталей, данные по диагностике и подробные схемы электрооборудования.
Книги серии "Профессионал" могут выручить Вас в дороге, если Вам придется пользоваться услугами автосервиса, незнакомого или малознакомого с особенностями модели Вашего автомобиля.
Отдавая автомобиль на СТО, оставьте нашу книгу в автомобиле, и в случае каких-либо затруднений автомеханик сможет воспользоваться ею, что значительно ускорит ремонт Вашего автомобиля.
Качественное изложение материала позволяет сократить время обслуживания автомобиля и сделать его более эффективным.
Книга предназначена для автовладельцев, персонала СТО и ремонтных мастерских.
Книги издательства "Легион-Автодата" серии "Профессионал" рекомендованы к использованию в автосервисах двумя профессиональными сообществами: Союзом автомобильных диагностов и Ассоциацией диагностов, автоэлектриков и чиптюнеров – АДАКТ.
Скачать бесплатно
PDF страницы книги по ремонту и обслуживанию Mazda 323, Familia 1994-1998 бензин, электросхемы
Купить книгу по ремонту и эксплуатации автомобиля Mazda 323, Familia 1994-1998 с бензиновыми двигателями B3 1.3, Z5 1.5, B6 1.6, BP 1.8, KF 2.0, электросхемы, каталог запчастей Вы можете в нашем интернет-магазине с доставкой Почтой России или курьером по Москве.
Посмотреть содержаниеИдентификация 3
Сокращения и условные обозначения 3
Общие инструкции по ремонту 4
Точки установки гаражного домкрата и лап подъемника 4
Руководство по эксплуатации 5
Блокировка дверей 5
Одометр и счетчик пробега 6
Тахометр 6
Указатель количества топлива 6
Указатель температуры охлаждающей жидкости 6
Индикаторы комбинации приборов 6
Часы 7
Стеклоподъемники 7
Световая сигнализация на автомобиле 8
Регулировка яркости подсветки комбинации приборов 8
Капот и задняя дверь/крышка багажника 8
Лючок топливно-заливной горловины 9
Переключатель управления стеклоочистителем и омывателем 9
Выключатель обогревателя заднего стекла/ стекла задней двери 10
Регулировка положения рулевого колеса 10
Управление зеркалами 10
Ремни безопасности 10
Меры предосторожности при эксплуатации автомобилей, оборудованных системой SRS 11
Стояночный тормоз 12
Управление отопителем и кондиционером 12
Управление автомобилем с АКПП 13
Управление автомобилем с МКПП 13
Антиблокировочная тормозная система (ABS) 14
Советы по вождению в различных условиях 14
Буксировка автомобиля 14
Запуск двигателя 15
Неисправности двигателя во время движения 16
Домкрат и инструменты 17
Поддомкрачивание автомобиля 17
Замена колеса 17
Рекомендации по выбору шин 18
Проверка давления и состояния шин 18
Замена шин 18
Особенности эксплуатации алюминиевых дисков 19
Замена дисков колес 19
Индикаторы износа накладок тормозных колодок 19
Каталитический нейтрализатор и система выпуска 20
Проверка и замена предохранителей 20
Замена ламп 21
Техническое обслуживание и общие проверки и регулировки 23
Интервалы обслуживания 23
Моторное масло и фильтр 24
Охлаждающая жидкость 25
Проверка и замена воздушного фильтра 25
Замена салонного фильтра 26
Ремни привода навесных агрегатов 26
Аккумуляторная батарея 27
Проверка свечей зажигания 29
Проверка СО и СН в отработавших газах 30
Проверка давления конца такта сжатия 31
Проверка разрежения во впускном коллекторе 31
Проверка угла опережения зажигания 31
Топливный фильтр 32
Проверка частоты вращения холостого хода 32
Проверка системы повышения частоты вращения холостого хода 33
Проверка уровня и замена масла в МКПП 34
Проверка уровня и замена рабочей жидкости АКПП 35
Проверка уровня рабочей жидкости усилителя рулевого управления 35
Прокачка системы усилителя рулевого управления 35
Проверка уровня рабочей жидкости сцепления и тормозной системы 35
Проверка и замена тормозных колодок 36
Проверка хода рычага стояночного тормоза 37
Проверка чехлов приводных валов 37
Каталожные номера оригинальных запасных частей 37
Двигатель B3. Механическая часть 39
Проверка и регулировка зазоров в приводе клапанов 39
Ремень привода ГРМ 39
Головка блока цилиндров 41
Блок цилиндров 42
Передний сальник коленчатого 44
Задний сальник коленчатого вала 44
Силовой агрегат 44
Основные технические данные двигателя 48
Двигатели BP, B6. Механическая часть 49
Проверка тепловых зазоров в приводе клапанов (модели без гидрокомпенсаторов) 49
Регулировка тепловых зазоров в приводе клапанов (модели без гидрокомпенсаторов) 49
Ремень привода ГРМ 50
Головка блока цилиндров 52
Блок цилиндров 55
Передний сальник коленчатого вала 56
Задний сальник коленчатого вала 56
Силовой агрегат 57
Основные технические данные двигателя 60
Двигатель Z5. Механическая часть 61
Ремень привода ГРМ 61
Головка блока цилиндров 64
Гидрокомпенсаторы 68
Блок цилиндров 68
Передний сальник коленчатого вала 70
Задний сальник коленчатого вала 70
Силовой агрегат 71
Основные технические данные двигателя 74
Двигатель KF. Механическая часть 75
Проверка тепловых зазоров в приводе клапанов 75
Регулировка тепловых зазоров в приводе клапанов 75
Ремень привода ГРМ 76
Головка блока цилиндров 79
Блок цилиндров 81
Передний сальник коленчатого вала 82
Задний сальник коленчатого вала 82
Силовой агрегат 82
Основные технические данные двигателя 86
Двигатель - общие процедуры ремонта 87
Головка блока цилиндров 87
Блок цилиндров 94
Система охлаждения 104
Проверка уровня и замена охлаждающей жидкости 104
Проверка отсутствия утечек охлаждающей жидкости 104
Крышка радиатора 104
Радиатор 105
Термостат 105
Насос охлаждающей жидкости 105
Электродвигатель вентилятора системы охлаждения 106
Реле вентилятора 107
Основные технические данные системы охлаждения 107
Система смазки 108
Меры предосторожности при работе с маслами 108
Моторное масло и фильтр 108
Проверка давления масла 108
Маслоохладитель (двигатели B6, KF) 108
Масляный поддон 109
Масляный насос 111
Основные технические данные системы смазки 114
Система впрыска топлива 114
Меры предосторожности при работе с топливной системой 114
Перед проведением ремонтных работ 114
После проведения ремонтных работ 116
Проверка давления в топливной системе 116
Топливный насос 116
Реле топливного насоса 117
Регулятор давления топлива 118
Форсунки (двигатель KF) 119
Форсунки (кроме двигателя KF) 121
Клапан системы управления частотой вращения холостого хода 122
Педаль акселератора 123
Датчик положения дроссельной заслонки (B3, Z5) 123
Концевой выключатель на дроссельной заслонке (B3, Z5) 124
Датчик положения дроссельной заслонки в сборе с концевым выключателем (B6, BP, KF) 124
Датчик температуры охлаждающей жидкости 125
Датчик температуры воздуха на впуске (B3, Z5) 126
Датчик температуры воздуха на впуске/ массового расхода воздуха (BP, B6) 126
Датчик положения коленчатого вала (двигатель KF) 126
Датчик положения распределительного вала (в распределителе) 127
Датчик детонации (B6) 127
Блок управления по детонации (B6) 127
Система изменения геометрии впускного коллектора (VICS) (двигатели BP, B6) 128
Система изменения геометрии впускного коллектора (VRIS) (двигатель KF) 128
Кислородный датчик 129
Резистор с переменным сопротивлением (BP, B6) 130
Датчик давления рабочей жидкости усилителя рулевого управления 130
Главное реле 130
Выключатель на педали сцепления (МКПП) 130
Выключатель запрещения запуска (МКПП) 131
Топливный бак 131
Блок управления 133
Система диагностирования 133
Система снижения токсичности 168
Система улавливания паров топлива 168
Клапан системы принудительной вентиляции картера 168
Система рециркуляции отработавших газов (двигатель Z5, KF) 169
Система впуска воздуха и выпуска ОГ 171
Система впуска воздуха 171
Система выпуска ОГ 171
Электрооборудование двигателя 177
Генератор 177
Распределитель зажигания 179
Снятие и установка высоковольтных проводов 180
Стартер 180
Основные технические данные электрооборудования двигателя 182
Сцепление 183
Проверка уровня рабочей жидкости сцепления 183
Прокачка гидропривода выключения сцепления 183
Педаль сцепления 183
Главный цилиндр привода выключения сцепления 184
Рабочий цилиндр привода выключения сцепления 184
Сцепление 185
Основные технические данные сцепления 187
Механическая коробка передач G25M-R 188
Проверка уровня и замена масла в МКПП 188
Замена сальника дифференциала 188
Замена сальника тяги управления коробкой передач 188
Механизм выбора и переключения передач 188
Коробка передач 188
Механическая коробка передач F25M-R 192
Проверка уровня и замена масла в МКПП 192
Замена сальника дифференциала 192
Замена сальника тяги управления коробкой передач 192
Механизм выбора и переключения передач 193
Коробка передач 193
Автоматическая коробка передач (FА4A-EL, FB4A-EL) 196
Диагностика 196
Считывание кодов неисправностей 196
Стирание кодов неисправностей 196
Проверка механических систем КПП 197
Проверка уровня рабочей жидкости АКПП 201
Замена рабочей жидкости АКПП 201
Элементы электрической части системы управления 201
Выключатель режима работы АКПП "HOLD" 201
Выключатель по положению "P" 202
Выключатель запрещения запуска 203
Датчик температуры рабочей жидкости АКПП 204
Датчик частоты вращения входного вала коробки передач 204
Датчик скорости автомобиля 205
Электромагнитные клапаны 205
Индикатор "HOLD" 206
Блок управления двигателем и АКПП 206
Блок клапанов 206
Охладитель рабочей жидкости АКПП 206
Пластина привода гидротрансформатора 208
Трос управления клапаном-дросселем 208
Регулировка ленточного тормоза 2-4 209
Механизм переключения передач 210
Коробка передач 212
Основные технические данные АКПП 215
Автоматическая коробка передач (GF4A-EL) 217
Диагностика 217
Считывание кодов неисправностей 217
Стирание кодов неисправностей 217
Проверка механических систем КПП 219
Проверка уровня и замена рабочей жидкости АКПП 222
Элементы электрической части системы управления 222
Выключатель режима работы АКПП "HOLD" 222
Выключатель по положению "P" 222
Выключатель запрещения запуска 223
Датчик температуры рабочей жидкости АКПП 223
Датчик частоты вращения входного вала коробки передач 224
Датчик скорости 224
Электромагнитные клапаны 225
Индикатор "HOLD" 225
Блок управления АКПП 225
Блок клапанов 228
Охладитель рабочей жидкости 229
Пластина привода гидротрансформатора 229
Регулировка ленточного тормоза 2-4 229
Механизм переключения передач 230
Коробка передач 232
Основные технические данные АКПП 235
Приводные валы 236
Промежуточный приводной вал 236
Приводные валы 237
Подвеска 239
Предварительные проверки 239
Проверка и регулировка углов установки передних колес 239
Проверка и регулировка углов установки задних колес 241
Передняя подвеска 241
Ступица переднего колеса 241
Стойка передней подвески 243
Нижний рычаг передней подвески 245
Стабилизатор поперечной устойчивости 246
Подрамник передней подвески 247
Задняя подвеска 248
Ступица заднего колеса 248
Стойка задней подвески 249
Продольный и поперечные рычаги задней подвески 250
Стабилизатор поперечной устойчивости 251
Балка задней подвески 252
Основные технические данные подвески 252
Рулевое управление 253
Прокачка системы усилителя рулевого управления (модели с усилителем) 253
Предварительные проверки 253
Рулевая колонка 254
Рулевой механизм 256
Насос усилителя рулевого управления (модели с усилителем) 259
Основные технические данные рулевого управления 260
Тормозная система 261
Проверка уровня тормозной жидкости 261
Прокачка тормозной системы 261
Проверка вакуумного шланга 261
Педаль тормоза 261
Главный тормозной цилиндр (кроме моделей с двигателем KF) 263
Главный тормозной цилиндр (модели с двигателем KF) 265
Вакуумный усилитель тормозов 267
Регулятор давления 268
Передние тормозные механизмы 269
Задние дисковые тормозные механизмы 272
Задние барабанные тормозные механизмы 274
Стояночный тормоз 275
Снятие и установка 275
Антиблокировочная система тормозов (ABS) 276
Описание системы диагностики 276
Общие проверки 276
Предварительные проверки 276
Считывание кодов неисправностей 276
Сброс кодов неисправностей 276
Модулятор давления 277
Блок управления системы ABS 278
Реле системы ABS 280
Датчики частоты вращения передних колес 281
Датчики частоты вращения задних колес 281
Основные технические данные тормозной системы 282
Кузов 283
Передний бампер 283
Задний бампер 285
Решетка радиатора 285
Вентиляционная решетка 287
Капот 287
Переднее крыло 289
Передняя дверь 289
Задняя боковая дверь 293
Крышка багажника 297
Задняя дверь 298
Лючок топливно-заливной горловины 300
Боковое зеркало заднего вида 301
Лобовое стекло 302
Заднее неподвижное боковое стекло (хэтчбек) 304
Заднее стекло (седан) 305
Стекло задней двери (хэтчбек) 307
Люк 308
Панель приборов 311
Внутренняя отделка салона 318
Отделка крыши 321
Отделка пола 321
Ремни безопасности 322
Сиденья 323
Кондиционер, отопление и вентиляция 325
Меры безопасности при работе с хладагентом 325
Вакуумирование, зарядка и проверка системы 326
Линии охлаждения 329
Блок вентилятора отопителя 330
Блок отопителя 331
Блок кондиционера 333
Воздуховоды 334
Компрессор кондиционера 334
Конденсатор кондиционера 335
Ресивер 336
Электромагнитная муфта компрессора 336
Вентилятор конденсатора 337
Выключатель по давлению 337
Реле 338
Электродвигатель вентилятора отопителя 338
Резистор вентилятора отопителя 338
Привод переключения забора воздуха 339
Привод смешивания воздушных потоков 339
Привод изменения направления воздушных потоков 340
Электромагнитный клапан 340
Усилитель кондиционера 340
Панель управления кондиционером и отопителем 342
Основные технические данные системы кондиционирования 348
Система пассивной безопасности (SRS) 349
Меры предосторожности при эксплуатации
и проведении ремонтных работ 349
Подушки безопасности 350
Блок управления системой пассивной безопасности 350
Спиральный провод 351
Диагностика системы пассивной безопасности 351
Электрооборудование кузова 352
Предохранители 352
Замок зажигания 353
Блок управления электрооборудованием кузова 353
Система внешнего освещения 356
Комбинированный переключатель 360
Выключатель аварийной сигнализации 363
Выключатель противотуманных фар 364
Выключатель фонаря заднего хода 364
Реле-прерыватель указателей поворота 364
Реле фар 366
Реле габаритов 366
Реле противотуманных фар 366
Система внутреннего освещения 366
Стеклоочистители и стеклоомыватели 370
Комбинация приборов 376
Звуковой сигнал 381
Электрические стеклоподъемники 382
Центральный замок 384
Система регулировки положения наружных зеркал 387
Электропривод люка 388
Обогреватель заднего стекла 389
Аудиосистема 390
Схемы электрооборудования 394
Обозначения, применяемые на схемах электрооборудования 394
Схема Y-1. Точки заземления (седан) 395
Схема Y-2. Точки заземления (хэтчбек) 396
Схема W-1. Распределение электропитания (седан, модели без подушек безопасности) 397
Схема W-2. Распределение электропитания (седан, модели c подушками безопасности) 398
Схема W-3. Распределение электропитания (хэтчбек, модели без подушек безопасности) 399
Схема W-4. Распределение электропитания (хэтчбек, модели c подушками безопасности) 400
Схема А-2. Система запуска и система зарядки (седан) 401
Схема А-3. Система запуска и система зарядки (хэтчбек, кроме моделей с двигателем KF) 402
Схема А-4. Система запуска и система зарядки (модели с двигателем KF) 403
Схема В-2а. Система управления двигателем, система зажигания (модели с двигателем B3 (впрыск)) 404
Схема В-2b. Система управления двигателем (модели с двигателем b3 (впрыск)) 405
Схема В-2с. Система управления двигателем (модели с двигателем b3 (впрыск)) 406
Схема В-3а. Система управления двигателем, система зажигания, система управления АКПП (седан, модели с двигателем z5) 407
Схема В-3b. Система управления двигателем, система управления АКПП (седан, модели с двигателем Z5) 408
Схема В-3с. Система управления двигателем, система управления АКПП (седан, модели с двигателем Z5) 409
Схема В-4а. Система управления двигателем, система зажигания, система управления АКПП (хэтчбек, модели с двигателем Z5) 410
Схема В-4b. Система управления двигателем, система управления АКПП (хэтчбек, модели с двигателем Z5) 411
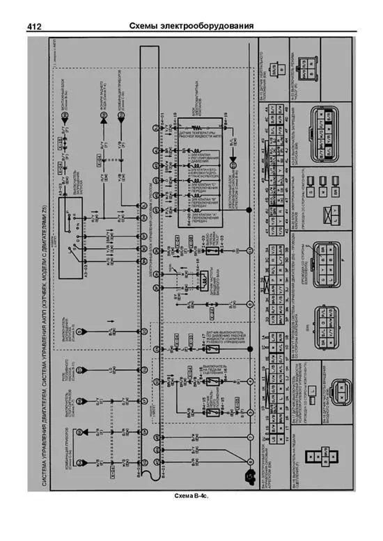
Схема В-4с. Система управления двигателем, система управления АКПП (хэтчбек, модели с двигателями Z5) 412
Схема В-5а. Система управления двигателем, система зажигания, система управления АКПП (седан, модели с двигателем B6) 413
Схема В-5b. Система управления двигателем, система управления АКПП (седан, модели с двигателем B6) 414
Схема В-5с. Система управления двигателем, система управления АКПП (седан, модели с двигателем B6) 415
Схема В-6а. Система управления двигателем, система зажигания, система управления АКПП (хэтчбек, модели с двигателем B6) 416
Схема В-6b. Система управления двигателем, система управления АКПП (хэтчбек, модели с двигателем B6) 417
Схема В-6с. Система управления двигателем, система управления АКПП (хэтчбек, модели с двигателем B6) 418
Схема В-7а. Система управления двигателем, система зажигания, система управления АКПП (седан, модели с двигателем BP) 419
Схема В-7b. Система управления двигателем, система управления АКПП (седан, модели с двигателем BP) 420
Схема В-7с. Система управления двигателем, система управления АКПП (седан, модели с двигателем BP) 421
Схема В-8а. Система управления двигателем, система зажигания, система управления АКПП (хэтчбек, модели с двигателем BP) 422
Схема В-8b. Система управления двигателем, система управления АКПП (хэтчбек, модели с двигателем BP) 423
Схема В-8с. Система управления двигателем, система управления АКПП (хэтчбек, модели с двигателем BP) 424
Схема В-9а. Система управления двигателем, система зажигания (модели с двигателем KF) 425
Схема В-9b. Система управления двигателем (модели с двигателем KF) 426
Схема В-9с. Система управления двигателем (модели с двигателем KF) 427
Схема В-10. Система подачи топлива (седан) 428
Схема В-11. Система подачи топлива (хэтчбек) 429
Схема В-12. Система охлаждения (седан) 430
Схема В-13. Система охлаждения (хэтчбек) 431
Схема С-2а. Комбинация приборов (седан) 432
Схема С-2b. Комбинация приборов (седан) 433
Схема С-2с. Комбинация приборов (седан) 434
Схема С-3а. Комбинация приборов (хэтчбек) 435
Схема С-3b. Комбинация приборов (хэтчбек) 436
Схема D-1. Очистители и омыватели лобового стекла (седан) 437
Схема D-2. Очистители и омыватели лобового стекла (хэтчбек) 438
Схема D-3. Очиститель и омыватель заднего стекла 439
Схема Е-1. Фары (седан, модели без подушек безопасности) 440
Схема Е-2. Фары (седан, модели с подушками безопасности) 441
Схема Е-3. Фары (хэтчбек, модели без подушек безопасности) 442
Схема Е-4. Фары (хэтчбек, модели с подушками безопасности) 443
Схема Е-5. Противотуманные фары 444
Схема Е-6. Передние габариты, задние габариты, подсветка номерного знака (седан) 445
Схема Е-7. Передние габариты, задние габариты, подсветка номерного знака (хэтчбек) 446
Схема F-1. Указатели поворота и аварийная сигнализация (седан) 447
Схема F-1. Указатели поворота и аварийная сигнализация (хэтчбек) 448
Схема F-3. Фонари заднего хода (седан) 449
Схема F-4. Фонари заднего хода (хэтчбек, кроме моделей с двигателем KF) 450
Схема F-5. Фонари заднего хода (хэтчбек, модели с двигателем KF) 451
Схема F-6. Стоп-сигналы, дополнительный стоп-сигнал, звуковой сигнал (седан) 452
Схема F-7. Стоп-сигналы, дополнительный стоп-сигнал, звуковой сигнал (хэтчбек) 453
Схема G-2. Система управления вентилятором конденсатора (седан) 454
Схема G-3. Система управления вентилятором конденсатора (хэтчбек) 455
Схема G-4. Система кондиционирования (седан, кондиционер с механическим приводом заслонок) 456
Схема G-5. Система кондиционирования (седан, кондиционер с электроприводом заслонок) 457
Схема G-6a. Система кондиционирования (хэтчбек) 458
Схема G-6b. Система кондиционирования (хэтчбек) 459
Схема Н. Система управления АКПП (модели с двигателем KF) 460
Схема I-1. Обогреватель заднего стекла, прикуриватель, лампа освещения багажного отделения (седан) 461
Схема I-2. Обогреватель заднего стекла (хэтчбек), прикуриватель (хэтчбек), часы, лампа освещения багажного отделения 462
Схема I-3a. Подсветка (седан) 463
Схема I-3b. Подсветка (седан) 464
Схема I-4a. Подсветка (хэтчбек) 465
Схема I-4b. Подсветка (хэтчбек) 466
Схема I-5. Лампа освещения салона, лампа местной подсветки (седан) 467
Схема I-6. Лампа освещения салона, лампа местной подсветки (хэтчбек) 468
Схема I-7. Блок системы дистанционного управления центральным замком 469
Схема I-8a. Блок управления электрооборудованием 470
Схема I-8b. Блок управления электрооборудованием 471
Схема J-1. Аудиосистема (седан) 472
Схема J-2. Аудиосистема (хэтчбек) 473
Схема J-3. Электропривод антенны (седан) 474
Схема J-4. Электропривод антенны (хэтчбек) 474
Схема К-1. Электропривод стеклоподъемников (седан) 475
Схема К-2. Электропривод стеклоподъемников (хэтчбек) 476
Схема К-3. Центральный замок (седан) 477
Схема К-4. Центральный замок (хэтчбек) 478
Схема L-1. Электропривод зеркал (седан) 479
Схема L-2. Электропривод зеркал (седан) 480
Схема М. Электропривод люка 481
Схема О-1. Антиблокировочная система тормозов (седан) 482
Схема О-2. Антиблокировочная система тормозов (хэтчбек) 483
Схема S. Система пассивной безопасности (SRS) 484
Схема U-2. Диагностический разъем (седан) 485
Схема U-3. Диагностический разъем (хэтчбек) 486
Схема Х-1. Монтажные блоки и разъемы 487
Схема Х-2. Монтажные блоки и разъемы 488
Схема Х-3. Монтажные блоки и разъемы 489
Схема Х-4. Монтажные блоки и разъемы 490
Схема Х-5. Монтажные блоки и разъемы 491
Схема Х-6. Монтажные блоки и разъемы 492
Схема Х-7. Монтажные блоки и разъемы 493
Схема Х-8. Монтажные блоки и разъемы 494
Схема JB-1. Монтажный блок (внутренние цепи) (седан) 495
Схема JB-2. Монтажный блок (внутренние цепи) (хэтчбек) 497