Книга Пежо 2008 с 2013 с бензиновыми двигателями ЕВ2 1.2, ЕР6, ЕР6С 1.6 и дизельными двигателями DV4C 1.4, DV6DTED, DV6C 1.6. Электросхемы. Руководство по ремонту и эксплуатации автомобиля.
Настоящее пособие по ремонту Пежо 2008 призвано оказывать всестороннюю помощь и поддержку своему будущему пользователю как при проведении запланированных работ в условиях собственного гаража, так и в случае возникновения форс-мажорной ситуации. Наличие данной книги в бардачке автомобиля будет особенно актуально в случае непредвиденной поломки автомобиля в дороге, когда рядом не будет никого способного оказать профессиональную помощь или хотя бы дать нужный совет. Даже при обращении в ближайшую придорожную автомастерскую может случится так, что местный механик в силу тех или иных обстоятельств может попросту не знать всех особенностей конструкции автомобиля и такая книга станет для него отличной подсказкой, которая будет способствовать скорейшему устранению неполадки и сможет снизить риск нанесения автомобилю случайных повреждений.
На первых страницах книги размещена инструкция по эксплуатации Пежо 2008, а также рекомендации по техническому обслуживанию автомобиля. Кроме того, руководство расскажет о ежедневных проверках авто, об эксплуатации машины зимой. Отдельной главой также представлены схемы электрооборудования (электросхемы) Peugeot 2008.
Данный технический справочник рекомендован всем владельцам автомобилей Peugeot 2008, тем, кто планирует в ближайшее время сесть за руль этой модели, работникам и механикам станций технического обслуживания, автомастерских и автосервисов, а также всем тем, кто занимается ремонтом подобных автомобилей.
Руководство по ремонту и эксплуатации, расходные материалы для ТО, регулярные и периодические проверки, помощь в дороге и гараже, электросхемы.
Купить книгу по ремонту и эксплуатации автомобиля Peugeot 2008 с 2013 с бензиновыми двигателями ЕВ2 1.2, ЕР6, ЕР6С 1.6 и дизельными двигателями DV4C 1.4, DV6DTED, DV6C 1.6, электросхемы Вы можете в нашем интернет-магазине с доставкой Почтой России или курьером по Москве.
ВВЕДЕНИЕ 1 ДЕЙСТВИЯ В ЧРЕЗВЫЧАЙНЫХ СИТУАЦИЯХ Замена колеса...........1*1
Комплект принадлежностей для временного
устранения прокола в шине...........1*3
Замена предохранителей...........1 *4
Аккумуляторная батарея и запуск двигателя
от внешнего источника питания...........1 *6
Экономия электроэнергии...........1*7
Замена щеток стеклоочистителей...........1 *8
Замена ламп...........1*8
Буксировка автомобиля...........1*10
Буксировка прицепа...........1*11
Установка багажных дуг...........1*11
Экстренное открытие багажника из салона...........1*11
Аварийное отпирание и запирание дверных замков... 1*12
Замена элемента питания в пульте
дистанционного управления...........1*12
Действия в случае полного расходования топлива в баке (только версии с дизельными двигателями)... 1*12
Цепи противоскольжения...........1*13
2А ЕЖЕДНЕВНЫЕ ПРОВЕРКИ И ОПРЕДЕЛЕНИЕ НЕИСПРАВНОСТЕЙ...........2А*15 2В ЭКСПЛУАТАЦИЯ АВТОМОБИЛЯ В ЗИМНИЙ ПЕРИОД...........2В*33 2С ПОЕЗДКА НА СТО...........2С*35 ЗА ИНСТРУКЦИЯ ПО ЭКСПЛУАТАЦИИ И ТЕХНИЧЕСКОМУ ОБСЛУЖИВАНИЮ Техническая информация автомобиля...........3A*37
Органы управления, приборная панель,
оборудование салона...........3A*39
Уход за кузовом и салоном автомобиля...........ЗА*55
Техническое обслуживание автомобиля...........ЗА*61
ЗВ РАСХОДНЫЕ МАТЕРИАЛЫ ДЛЯ ПРОВЕДЕНИЯ
ТЕХНИЧЕСКОГО ОБСЛУЖИВАНИЯ...........ЗВ*67 4 ПРЕДОСТЕРЕЖЕНИЯ И ПРАВИЛА ТЕХНИКИ БЕЗОПАСНОСТИ ПРИ ВЫПОЛНЕНИИ РАБОТ НА АВТОМОБИЛЕ...........4*74 5 ОСНОВНЫЕ ИНСТРУМЕНТЫ, ИЗМЕРИТЕЛЬНЫЕ ПРИБОРЫ И МЕТОДЫ РАБОТЫ С НИМИ Базовый комплект необходимых инструментов.......5*76
Методы работы с измерительными приборами........5*78
6А МЕХАНИЧЕСКАЯ ЧАСТЬ (БЕНЗИНОВЫЕ ДВИГАТЕЛИ) Общие сведения...........6А*80
Обслуживание на автомобиле...........6А*80
Ремень привода навесного оборудования,
ремень привода насоса системы охлаждения........6А*87
Силовой агрегат в сборе...........6А*91
Головка блока цилиндров...........6А*94
Газораспределительный механизм ...........6А*97
Блок двигателя...........6А*109
Сервисные данные и спецификация...........6А*113
6В МЕХАНИЧЕСКАЯ ЧАСТЬ (ДИЗЕЛЬНЫЕ ДВИГАТЕЛИ) Общие сведения...........6В*121
Обслуживание на автомобиле...........6В*121
Ремень привода навесного оборудования...........6В*124
Силовой агрегат в сборе...........6В*126
Головка блока цилиндров:...........6В*130
Газораспределительный механизм...........6В*133
Блок двигателя...........6В*139
Сервисные данные и спецификация...........6В*140
7 СИСТЕМА ОХЛАЖДЕНИЯ Замена охлаждающей жидкости (все двигатели)... 7*146
Замена радиатора...........7*147
Замена вентилятора радиатора...........7*149
Замена насоса системы охлаждения...........7*152
Замена блока выхода охлаждающей жидкости......7*154
Замена датчика температуры
охлаждающей жидкости...........7*155
Замена термостата...........7*157
Замена коллектора подвода
охлаждающей жидкости (дизельные двигатели).... 7*158
Сервисные данные и спецификация...........7*159
8 СИСТЕМА СМАЗКИ Проверка давления масла...........8*161
Замена датчиков...........8*162
Замена масляного насоса и его элементов...........8*165
Замена фильтра очистки масла
(дизельные двигатели)...........8*169
Сервисные данные и спецификация...........8*170
9 СИСТЕМА ПИТАНИЯ Меры предосторожности...........9*173
Обслуживание на автомобиле...........9*174
Слив топлива и заполнение топливного бака..........9*178
Элементы топливной системы...........9*179
Сервисные данные и спецификация........... 9*194
10 СИСТЕМА УПРАВЛЕНИЯ ДВИГАТЕЛЕМ Компьютер (блок) управления двигателем...........10*198
Модуль (блок) дроссельной заслонки
(блок дозатора воздуха на впуске)...........10*199
Датчики системы...........10*200
Сервисные данные и спецификация...........10*212
11 СИСТЕМА ВПУСКА И ВЫПУСКА Система впуска...........11*213
Система выпуска...........11*217
Система снижения токсичности
отработавших газов...........11 *225
Система наддува воздуха
(дизельные двигатели)...........11*228
Сервисные данные и спецификация...........11*233
12 ЭЛЕКТРООБОРУДОВАНИЕ ДВИГАТЕЛЯ Система зарядки...........12*237
Стартер...........12*245
Свечи зажигания (бензиновые двигатели)...........12*248
Свечи предпускового подогрева
(дизельные двигатели)...........12*248
Централизованное устройство стабилизации
напряжения (с системой “старт-стоп”)...........12*249
Сервисные данные и спецификация...........12*252
13 СЦЕПЛЕНИЕ Обслуживание на автомобиле...........13*256
Гидравлический блок привода сцепления...........13*258
Кожух сцепления...........13*263
Гидравлический выжимной подшипник сцепления... 13*264
Сервисные данные и спецификация...........13*265
14А МЕХАНИЧЕСКАЯ И РОБОТИЗИРОВАННАЯ КОРОБКИ ПЕРЕДАЧ Меры предосторожности...........14А*266
Обслуживание на автомобиле...........14А*267
Снятие и установка коробки передач...........14А*270
Элементы коробок передач...........14А*273
Привод переключения передач...........14А*283
Сервисные данные и спецификация...........14А*285
14В АВТОМАТИЧЕСКАЯ КОРОБКА ПЕРЕДАЧ Меры предосторожности...........14В*290
Обслуживание на автомобиле...........14В*290
Снятие и установка коробки передач...........14В*292
Элементы коробки передач...........14В*293
Привод переключения передач...........14В*298
Сервисные данные и спецификация...........14В*300
15 ПРИВОДНЫЕ ВАЛЫ И ГЛАВНАЯ ПЕРЕДАЧА Приводные валы...........15*302
Сервисные данные и спецификация...........15*305
16 ПОДВЕСКА Передняя подвеска...........16*306
Задняя подвеска...........16*313
Колеса и шины...........16*316
Сервисные данные и спецификация...........16*318
17 ТОРМОЗНАЯ СИСТЕМА Общие сведения...........17*322
Обслуживание тормозной системы...........17*322
Компоненты тормозной системы...........17*326
Передние тормозные механизмы...........17*334
Задние тормозные механизмы...........17*336
Стояночный тормоз...........17*339
Антиблокировочная система тормозов
и система стабилизации...........17*340
Сервисные данные и спецификация...........17*34218
РУЛЕВОЕ УПРАВЛЕНИЕ Рулевое колесо...........18*345
Рулевая колонка!...........18*345
Рулевые тяги...........18*346
Рулевой механизм...........18*347
Сервисные данные и спецификация...........18*347
19 КУЗОВ Требования безопасности и чистоты...........19*349
Интерьер...........19*350
Экстерьер...........19*356
Панорамная крыша...........19*378
Кузовные зазоры и выравнивание...........19*381
Сервисные данные и спецификация...........19*383
20 СИСТЕМА ПАССИВНОЙ БЕЗОПАСНОСТИ Общие сведения...........20*384
Отключение и включение централизованной
системы пассивной безопасности...........20*386
Блок управления системой
пассивной безопасности...........20*386
Модули подушек безопасности...........20*386
Датчик боковой подушки безопасности...........20*389
Ремни безопасности...........г...........20*389
Утилизация пиротехнических элементов
системы пассивной безопасности...........20*390
Сервисные данные и спецификация...........20*391
21 СИСТЕМА КОНДИЦИОНИРОВАНИЯ,
ВЕНТИЛЯЦИИ И ОТОПЛЕНИЯ Общие сведения...........21*392
Система кондиционирования воздуха...........21*393
Система вентиляции...........21*399
Отопитель...........21*401
Сервисные данные и спецификация...........21 *403
22 ЭЛЕКТРООБОРУДОВАНИЕ
И ЭЛЕКТРОСИСТЕМЫ АВТОМОБИЛЯ Интеллектуальный коммутационный блок...........22*405
Органы управления автомобилем
и вспомогательное электрооборудование...........22*406
Приборы внешнего освещения
и световая сигнализация...........22*410
Мультимедиа...........22*413
Размещение компонентов в автомобиле...........22*416
Сервисные данные и спецификация...........22*417
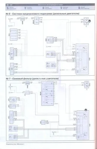
Описание электросхем...........22*418
Электросхемы...........22*446
ТОЛКОВЫЙ СЛОВАРЬ...........с*502
Интернет-портал Легион-Автодата создан для удобных покупок: автолитературы, программ для диагностики автомобиля, диагностических приборов, адаптеров elm327, автоаксессуаров и инструментов для авторемонта. Купить книги и приборы для диагностики и ремонта автомобиля Вы можете в нашем интернет магазине.
Удобно оплатить руководства по ремонту и эксплуатации выбранных Вами марок авто любой из платежных систем.
Заказать доставку автокниги почтой без предоплаты, курьером по Москве, регионам и в более 200 пунктов самовывоза по всей России.