Книга Toyota Allion, Premio 2001-2007 бензин, рестайлинг с 2004, электросхемы. Руководство по ремонту и эксплуатации автомобиля. Профессионал. Легион-Aвтодата
- Артикул: 3045 - назовите при заказе по телефону
- Издательство: Легион-Aвтодата
- ISBN: 5-88850-305-3
- Число страниц: 516
- Формат: А4
- Переплет: Мягкий
- Год выпуска: 2001-07
- V бенз дв: 1.5; 1.8; 2.0
Руководство по ремонту Toyota Allion / Premio 2001-2007 гг. выпуска, оборудованных бензиновыми двигателями 1NZ-FE (1,5 л), 1ZZ-FE (1,8 л), 1AZ-FSE (2,0 л D-4). Включены рестайлинговые модели с 2004 года выпуска.
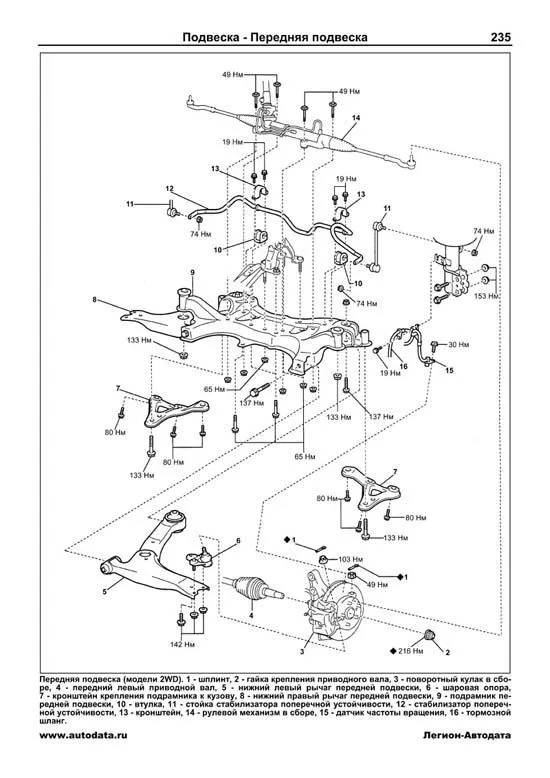
Издание содержит руководство по эксплуатации, описание систем, подробные сведения по техническому обслуживанию автомобиля; ремонту и регулировке элементов систем двигателей (в т.ч. систем впрыска топлива (EFI), непосредственного впрыска топлива (D-4), изменения фаз газораспределения (VVT-i), систем смазки и охлаждения, запуска и зарядки), рекомендации по регулировке и ремонту элементов автоматических коробок передач (АКПП), вариатора (CVT), тормозной системы (включая антиблокировочную систему тормозов (ABS)), рулевого управления, подвески, кузовных элементов, систем кондиционирования (АС) и вентиляции.
Приведены инструкции по диагностике 10 электронных систем: управления бензиновыми двигателями c распределенным (EFI) и непосредственным (D-4) впрыском, АКПП, CVT, ABS, кондиционирования, SRS, комбинации приборов, Multivision, аудиосистемы.
Подробно описаны 460 кодов неисправностей P0, P1, Р2, C0, С1, B0, В1, Flash; условия их возникновения и возможные причины.
Приведены разъемы и процедуры проверки сигналов на выводах блоков управления различными системами - PinData.
Представлена информация об особенностях диагностики и ремонта двигателя 1AZ-FSE с системой непосредственного впрыска бензина Toyota (D-4).
Представлено 122 подробных электросхем (14 систем) для различных вариантов комплектации и описание проверок большинства элементов электрооборудования.
Информация для профессиональной диагностики и ремонта электрооборудования различных систем автомобиля представлена в диагностической онлайн-системе MotorData. Используя быстрые переходы по интерактивным ссылкам, Вы сможете решить проблему быстрее и сэкономить время. Подробности на MotorData.ru
Приведены возможные неисправности и методы их устранения, сопрягаемые размеры основных деталей и пределы их допустимого износа, рекомендуемые смазочные материалы и рабочие жидкости, размеры рекомендуемых и допускаемых шин и дисков.
Книга будет полезна как автовладельцам, начинающим и опытным, так и профессионалам авторемонта и диагностики. Автовладелец найдет для себя полезными: инструкцию по эксплуатации, техническое обслуживание (с периодичностью и необходимыми материалами), инструкции по самостоятельному ремонту. С распространением и доступностью средств диагностики автомобилей опытный автолюбитель сможет провести несложные операции по диагностике собственного автомобиля. В этом Вам поможет бесплатная версия программы MotorData. Профессионалам будут полезны: операции по сложному ремонту, допустимые размеры деталей, адаптации и сброс настроек (необходимые после ремонта) данные по диагностике и подробные схемы электрооборудования.
Книги серии "Профессионал" могут выручить Вас в дороге, если вам придется пользоваться услугами автосервиса, незнакомого или малознакомого с особенностями модели Вашего автомобиля. Отдавая автомобиль на СТО, оставьте нашу книгу в бардачке, и, в случае каких-либо затруднений, автомеханик сможет воспользоваться ею, что значительно ускорит ремонт Вашего авто. Качественное изложение материала позволяет сократить время обслуживания автомобиля и сделать его более эффективным.
Книга предназначена для автовладельцев, персонала СТО и ремонтных мастерских.
Книги издательства "Легион-Автодата" серии "Профессионал" рекомендованы к использованию в автосервисах двумя профессиональными сообществами: Союзом автомобильных диагностов и Ассоциацией диагностов, автоэлектриков и чиптюнеров – АДАКТ.
Скачать бесплатно PDF страницы книги по ремонту и обслуживанию Toyota Allion, Premio 2001-2007 бензин
Купить книгу по ремонту и эксплуатации автомобиля Toyota Allion, Premio 2001-2007 с бензиновыми двигателями 1NZ-FE 1.5, 1ZZ-FE 1.8, 1AZ-FSE 2.0 D-4, рестайлинг с 2004, электросхемы Вы можете в нашем интернет-магазине с доставкой Почтой России или курьером по Москве.
Рекомендуем
Похожие товары
Интернет-портал Легион-Автодата создан для удобных покупок: автолитературы, программ для диагностики автомобиля, диагностических приборов, адаптеров elm327, автоаксессуаров и инструментов для авторемонта. Купить книги и приборы для диагностики и ремонта автомобиля Вы можете в нашем интернет магазине.
Удобно оплатить руководства по ремонту и эксплуатации выбранных Вами марок авто любой из платежных систем.
Заказать доставку автокниги почтой без предоплаты, курьером по Москве, регионам и в более 200 пунктов самовывоза по всей России.







