Книга Тойота Авенсис 2003-2008 c бензиновыми двигателями 3ZZ-FE 1.6, 1ZZ-FE 1.8, 1AZ-FE 2.0, 1AZ-FSE 2.0 D-4, 2AZ-FSE 2.4 D-4. Каталог расходных запчастей, электросхемы, характерные неисправности, полезные ссылки, диагностика. Руководство по ремонту и техническому обслуживанию автомобиля. Серия Профессионал.
Руководство по ремонту Toyota Avensis 2003-2008 гг. выпуска, оборудованных бензиновыми двигателями 3ZZ-FE (1,6 л), 1ZZ-FE (1,8 л), 1AZ-FE (2,0 л), 1AZ-FSE (2,0 л D-4) и 2AZ-FSE (2,4 л D-4).
Издание содержит руководство по эксплуатации, подробные сведения по техническому обслуживанию автомобилей, диагностике, ремонту и регулировке элементов систем двигателя (в т.ч. систем распределенного и непосредственного впрыска топлива (D-4), изменения фаз газораспределения (VVT), систем смазки и охлаждения, зажигания, запуска и зарядки), элементов механических (МКПП) и автоматических (АКПП) коробок передач, элементов тормозной системы (включая антиблокировочную систему тормозов (ABS), систему электронного распределения тормозных усилий (EBD), противобуксовочную систему (TRC), систему курсовой устойчивости (VSC)), рулевого управления (включая электроусилитель рулевого управления (EPS)), подвески, кузовных элементов, систем кондиционирования (АС) и вентиляции, системы пассивной безопасности (SRS).
Приведены инструкции по диагностике
12 электронных систем: управления двигателем (распределенный и непосредственный впрыск), АКПП, EPS, ABS, VSC, АС, SRS, поддержания скорости (cruise control), иммобилайзера, аудиосистемы, Multiplex.
Подробно описаны
609 кодов неисправностей P0, P1, Р2, C0, С1, В1, В2, Flash; условия их возникновения и возможные причины.
Приведены разъемы и процедуры проверки сигналов на выводах блоков управления различными системами - PinData.
Представлены
105 подробных электросхем (57 систем) для различных вариантов комплектации, описание большинства элементов электрооборудования.
Информация для профессиональной диагностики и ремонта электрооборудования различных систем автомобиля представлена в диагностической онлайн-системе MotorData. Используя быстрые переходы по интерактивным ссылкам, Вы сможете решить проблему быстрее и сэкономить время. Подробности на
MotorData.ru
В разделе «Полезные ссылки» подобраны и отсортированы ссылки (в виде QR-кодов и url-ссылок) на интернет-ресурсы, содержащие наиболее интересную и грамотную информацию по Вашему автомобилю.
Приведены возможные неисправности и методы их устранения, сопрягаемые размеры основных деталей и пределы их допустимого износа, рекомендуемые смазочные материалы, рабочие жидкости и
каталожные номера запчастей, необходимых для технического обслуживания, размеры рекомендуемых шин и дисков.
Книга будет полезна как автовладельцам, начинающим и продвинутым, так и профессионалам авторемонта и диагностики. Автовладелец найдет для себя полезными: инструкцию по эксплуатации, техническое обслуживание (с периодичностью и необходимыми материалами), наиболее характерные для данного автомобиля неисправности, каталог наиболее часто востребованных запасных частей, инструкции по самостоятельному ремонту. С распространением и доступностью средств диагностики автомобилей продвинутый автолюбитель сможет провести несложные операции по диагностике собственного автомобиля. В этом Вам поможет бесплатная версия программы
MotorData ELM. Профессионалам будут полезны: операции по сложному ремонту, допустимые размеры деталей, адаптации и сброс настроек, необходимые после ремонта, данные по диагностике и подробные схемы электрооборудования.
Книги серии "Профессионал" могут выручить вас в дороге, если вам придется пользоваться услугами автосервиса, незнакомого или малознакомого с особенностями модели вашего автомобиля. Отдавая автомобиль на СТО, оставьте нашу книгу в бардачке, и в случае каких-либо затруднений автомеханик сможет воспользоваться ею, что значительно ускорит ремонт Вашего авто. Качественное изложение материала позволяет сократить время обслуживания автомобиля и сделать его более эффективным.
Книга предназначена для автовладельцев, персонала СТО и ремонтных мастерских.
Книги издательства "Легион-Автодата" серии "Профессионал" рекомендованы к использованию в автосервисах двумя профессиональными сообществами: Союзом автомобильных диагностов и Ассоциацией диагностов, автоэлектриков и чиптюнеров – АДАКТ.
Скачать бесплатно
PDF страницы книги по ремонту и обслуживанию Toyota Avensis 2003-2008 бензин
Купить книгу по ремонту и эксплуатации автомобиля Toyota Avensis 2003-2008 с бензиновыми двигателями 3ZZ-FE 1.6, 1ZZ-FE 1.8, 1AZ-FE 2.0, 1AZ-FSE 2.0, 2AZ-FSE 2.4, каталог расходных запчастей, электросхемы Вы можете в нашем интернет-магазине с доставкой Почтой России или курьером по Москве.
Посмотреть содержаниеБыстрые ссылки на страницы книги 3
Сокращения и условные обозначения 4
Номер двигателя и идентификационная табличка 4
Расшифровка кода модели 4
Технические характеристики двигателей 5
Общие инструкции по ремонту 5
Точки установки гаражного домкрата и лап подъемника 6
Самостоятельная диагностика 7
Характерные неисправности автомобилей Avensis 250 10
Руководство по эксплуатации 13
Блокировка дверей 13
Одометр и счетчик пробега 14
Тахометр 14
Указатель количества топлива 14
Указатель температуры охлаждающей жидкости 14
Индикаторы комбинации приборов 14
Индикатор системы курсовой устойчивости 16
Часы 16
Термометр 16
Маршрутный компьютер 16
Стеклоподъемники 17
Световая сигнализация на автомобиле 17
Система коррекции положения фар 18
Капот 18
Крышка багажника/задняя дверь 18
Лючок топливно-заливной горловины 19
Переключатель управления стеклоочистителем и омывателем 19
Регулировка положения рулевого колеса 20
Управление зеркалами 20
Освещение салона 20
Выключатель обогрева заднего стекла и боковых зеркал 21
Выключатель антиобледенителя щеток стеклоочистителя лобового стекла 21
Регулировка положения сидений 21
Обогреватель передних сидений 22
Ремни безопасности 22
Меры предосторожности при эксплуатации автомобилей, оборудованных системой SRS 23
Люк 24
Управление отопителем и кондиционером 24
Магнитола - основные моменты эксплуатации 25
Выключатель системы поддержания скорости "CRUISE-CONTROL" 27
Антиблокировочная тормозная система (ABS) 28
Управление автомобилем с АКПП 28
Управление автомобилем с МКПП 29
Советы по вождению в различных условиях 30
Буксировка автомобиля 30
Буксировка других автомобилей 30
Запуск двигателя 31
Неисправности двигателя во время движения 31
Запасное колесо, домкрат и инструменты 32
Поддомкрачивание автомобиля 32
Замена колеса 32
Рекомендации по выбору шин 34
Проверка давления и состояния шин 34
Замена шин 35
Особенности эксплуатации алюминиевых дисков 35
Индикаторы износа накладок тормозных колодок 35
Каталитический нейтрализатор и система выпуска 35
Проверка и замена предохранителей 36
Замена ламп 37
Техническое обслуживание и общие процедуры проверки и регулировки 42
Интервалы обслуживания 42
Моторное масло и фильтр 42
Проверка и замена охлаждающей жидкости 44
Проверка и очистка воздушного фильтра 44
Проверка и замена салонного фильтра 45
Проверка состояния аккумуляторной батареи 45
Проверка ремней привода навесных агрегатов 45
Проверка свечей зажигания 45
Проверка угла опережения зажигания 46
Проверка частоты вращения холостого хода 46
Проверка давления конца такта сжатия 46
Проверка СО/СН на режиме холостого хода 47
Проверка и регулировка СО/СН на режиме холостого хода (1AZ-FE LG) 47
Проверка рабочей жидкости в АКПП 47
Замена фильтра АКПП 47
Замена рабочей жидкости в АКПП 48
Проверка и замена масла в МКПП 48
Проверка уровня рабочей жидкости гидроусилителя рулевого управления 49
Проверка уровня рабочей жидкости сцепления и тормозной системы 49
Проверка уровня жидкости в бачке омывателей стекол 49
Каталог расходных запасных частей 50
Двигатели 1ZZ-FE (1,8) и 3ZZ-FE (1,6). Механическая часть 61
Проверка и регулировка зазоров в приводе клапанов 61
Двигатель в сборе 62
Цепь привода ГРМ 69
Головка блока цилиндров 75
Блок цилиндров 79
Двигатели 1AZ-FE (2,0), 1AZ-FSE (2,0) и 2AZ-FSE (2,4). Механическая часть 81
Проверка и регулировка зазоров в приводе клапанов 81
Двигатель в сборе 82
Цепь привода ГРМ 89
Головка блока цилиндров 97
Блок цилиндров 102
Система VVT-i 106
Двигатель - общие процедуры ремонта 108
Головка блока цилиндров 108
Блок цилиндров 114
Система смазки 125
Проверка давления масла 125
Масляный насос и масляный поддон (серия AZ) 125
Масляный насос (серия ZZ) 126
Проверка масляного насоса 127
Маслоохладитель (2AZ-FSE) 128
Система охлаждения 129
Насос охлаждающей жидкости (серия ZZ) 129
Насос охлаждающей жидкости (серия AZ) 129
Термостат 130
Радиатор 130
Электровентилятор 131
Система впрыска топлива (EFI) 132
Описание 132
Меры предосторожности 132
Система диагностирования 134
Описание (M-OBD) 134
Описание (E-OBD) 135
Индикатор "CHECK ENGINE" ("проверь двигатель") 135
Считывание кодов 135
Стирание кодов 135
Диагностические коды неисправностей системы управления двигателем 136
Напряжение на выводах электронного блока управления 145
Проверка элементов системы впрыска с помощью осциллографа 149
Некоторые технические данные, считываемые при помощи сканера 149
Топливная система 150
Система подачи воздуха 158
Система электронного управления и система снижения токсичности 164
Система зажигания DIS-4 168
Система непосредственного впрыска топлива (D-4) 171
Описание 171
Система диагностирования 174
Описание (E-OBD - модели внешнего рынка) 174
Индикатор "CHECK ENGINE" ("проверь двигатель") 174
Считывание кодов 174
Стирание кодов 175
Диагностические коды неисправностей системы управления двигателем 175
Напряжение на выводах электронного блока управления 188
Проверка элементов системы впрыска с помощью осциллографа 190
Некоторые технические данные, считываемые при помощи сканера 190
Топливная система 191
Система подачи воздуха 200
Система электронного управления и система снижения токсичности 202
Система зажигания DIS-4 206
Система запуска 208
Проверка работы стартера 208
Проверка реле стартера 209
Снятие и установка стартера (серия ZZ) 209
Снятие и установка стартера (1AZ-FE, 1AZ-FSE) 209
Снятие и установка стартера (2AZ-FSE) 209
Стартер (тип 1) (серия ZZ) 210
Стартер (тип 2) (серия ZZ, 1AZ-FSE, 2AZ-FSE) 213
Стартер (тип 3) (1AZ-FE) 215
Стартер (тип 4) (1AZ-FE) 218
Система зарядки 220
Меры предосторожности 220
Проверки на автомобиле 220
Генератор 220
Сцепление 229
Педаль сцепления 229
Главный цилиндр гидропривода выключения сцепления 230
Рабочий цилиндр гидропривода выключения сцепления 231
Сцепление 232
Механическая коробка передач 234
Проверка и замена масла в МКПП 234
Замена сальников 234
Тросы выбора и переключения передач 234
Рычаг переключения передач 235
Коробка передач в сборе 236
Автоматическая коробка передач 246
Общее описание 246
Предварительные проверки 247
Проверка и регулировка тяги управления АКПП 247
Проверка и регулировка выключателя запрещения запуска двигателя 248
Проверка частоты вращения холостого хода (диапазон N) 249
Диагностика АКПП 249
Система самодиагностики 249
Проверка элементов электрической части системы управления 255
Проверка механических систем КПП 262
Тест на полностью заторможенном автомобиле (stall test) 262
Проверка времени включения передачи 263
Гидравлический тест 263
Дорожный тест 264
Система блокирования селектора и ключа зажигания 266
Замена сальников приводных валов 266
Блок клапанов 266
Система прогрева рабочей жидкости АКПП (U151E, 2AZ-FSE) 269
Коробка передач в сборе 269
Проверка гидротрансформатора и пластины привода гидротрансформатора 269
Приводные валы и ступицы 274
Проверка на автомобиле 274
Приводные валы 274
Ступица переднего колеса и поворотный кулак 279
Ступица заднего колеса и подшипник 281
Подвеска 284
Предварительные проверки 284
Проверка и регулировка углов установки передних колес 284
Проверка и регулировка углов установки задних колес 286
Передняя подвеска 288
Стойка передней подвески 288
Нижний рычаг передней подвески 289
Нижняя шаровая опора передней подвески 290
Стабилизатор поперечной устойчивости передней подвески 291
Задняя подвеска 292
Амортизатор задней подвески 292
Нижний рычаг и рычаг №1 задней подвески 293
Верхний рычаг задней подвески 295
Стабилизатор поперечной устойчивости задней подвески 295
Рулевое управление 297
Проверка ремня привода насоса гидроусилителя рулевого управления 297
Проверка люфта рулевого колеса 297
Прокачка системы гидроусилителя рулевого управления 297
Проверка уровня рабочей жидкости гидроусилителя рулевого управления 297
Проверка давления рабочей жидкости гидроусилителя рулевого управления 297
Проверка усилия на рулевом колесе 298
Рулевая колонка 298
Насос гидроусилителя рулевого управления 302
Рулевой механизм 303
Электроусилитель рулевого управления 306
Тормозная система 310
Прокачка тормозной системы 310
Проверка и регулировка педали тормоза 310
Проверка и регулировка стояночного тормоза 310
Проверка толщины накладок тормозных колодок 311
Педаль тормоза 311
Главный тормозной цилиндр 311
Вакуумный усилитель тормозов 312
Передние тормоза 312
Задние тормоза 314
Стояночный тормоз 316
Механизм включения стояночного тормоза 318
Системы ABS и EBD 319
Описание системы диагностики 319
Проверка системы ABS 319
Сброс кодов неисправности 320
Диагностика датчиков частоты вращения 320
Модулятор давления 322
Датчики частоты вращения передних колес 322
Датчики частоты вращения задних колес 323
Проверка цепи ABS 323
Системы улучшения управляемости автомобиля (ABS, EBD, BA, TRC и VSC) 325
Описание 325
Меры предосторожности при работе с системой VSC 325
Проверка систем ABS, TRC, VSC и BA 325
Сброс кодов неисправности 329
Диагностика датчиков 329
Датчики частоты вращения колес 330
Датчик бокового перемещения 330
Датчик положения рулевого колеса 331
Проверка датчика замедления (датчик бокового перемещения) 331
Проверка цепи ABS 331
Кузов 333
Держатели (пистоны) 333
Передний бампер 333
Задний бампер 333
Снятие и установка верхнего молдинга стекла двери 333
Снятие и установка молдинга крыши 334
Снятие и установка декоративной накладки порогов боковых дверей 334
Нижний молдинг боковых дверей 334
Задний спойлер 335
Регулировка капота 335
Передняя дверь 336
Задняя боковая дверь 338
Багажник (седан) 341
Задняя дверь (универсал) 341
Снятие и установка внешней отделки 342
Лобовое стекло 342
Заднее боковое стекло кузова (универсал) 345
Заднее стекло (седан) 346
Стекло задней двери (универсал) 348
Стеклоочистители 349
Снятие и установка отделки салона 350
Снятие и установка панели приборов 354
Кондиционер, отопление и вентиляция 357
Меры безопасности при работе с хладагентом 357
Вакуумирование, зарядка и проверка системы 358
Проверка количества хладагента 360
Блок кондиционера и отопителя 360
Панель управления кондиционером и отопителем 363
Блок вентилятора отопителя 365
Компрессор кондиционера и электромагнитная муфта 366
Конденсатор 366
Диагностика и проверка электрических элементов 368
Система безопасности (SRS) 376
Меры предосторожности при эксплуатации и проведении ремонтных работ 376
Разъемы 376
Диагностика системы 376
Компоненты системы 382
Электрооборудование кузова 387
Общая информация 387
Реле и предохранители 388
Комбинация приборов 394
Фары и освещение 395
Очистители фар 403
Стеклоочистители и стеклоомыватели 404
Электропривод стеклоподъемников 406
Аудиосистема 409
Звуковой сигнал 413
Обогреватель заднего стекла (стекла задней двери) 413
Антиобледенитель щеток 414
Электропривод зеркал 415
Электропривод сидений 417
Обогреватель сидений 418
Центральный замок 418
Система дистанционного управления центральным замком 421
Система предупреждения об оставленном ключе в замке зажигания 425
Противоугонная система 425
Электропривод открывания крышки топливного бака 427
Электропривод люка 428
Замок зажигания 429
Иммобилайзер 429
Система Multiplex 430
Система поддержания скорости (круиз-контроль) (1AZ-FSE, 2AZ-FSE) 433
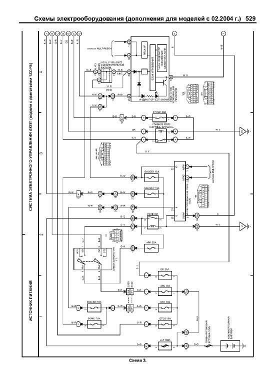
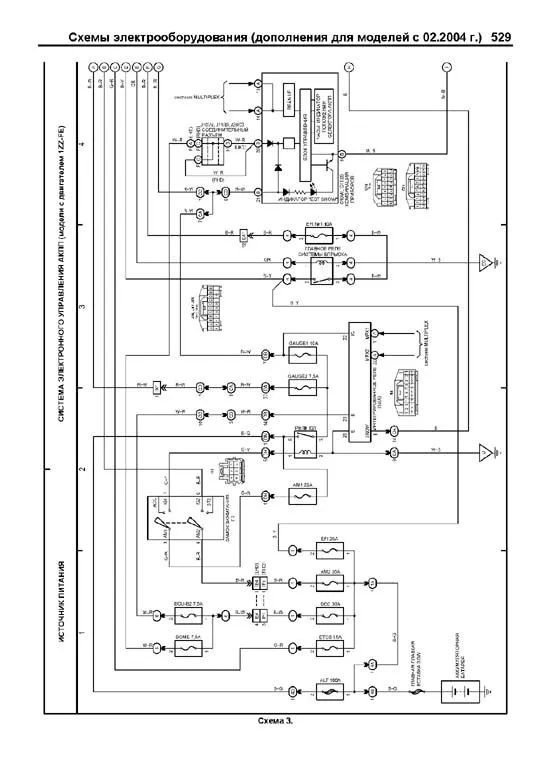
Схемы электрооборудования 437
Обозначения, применяемые на схемах электрооборудования 437
Коды цветов проводов 437
Точки заземления 438
Схемы электрооборудования (модели с 01.2003 г.)
Схема 1 440
- Система MULTIPLEX.
Схема 2 446
- Система запуска. Система зарядки.
Схема 3 447
- Система зажигания.
Схема 4 448
- Система управления двигателем (модели с двигателем 1AZ-FSE).
- Система поддержания скорости (модели с двигателем 1AZ-FSE).
Схема 5 453
- Система управления двигателем (модели с двигателем 1AZ-FE).
Схема 6 457
- Система управления двигателем (модели с двигателями 1ZZ-FE, 3ZZ-FE).
Схема 7 461
- Иммобилайзер.
Схема 8 461
- Система электронного управления АКПП (модели с двигателем 1AZ-FSE).
Схема 9 465
- Система электронного управления АКПП (модели с двигателем 1AZ-FE).
Схема 10 468
- Система электронного управления АКПП (модели с двигателем 1ZZ-FE).
Схема 11 471
- Фары (модели без системы освещения в дневное время).
Схема 12 472
- Габариты.
Схема 13 473
- Указатели поворота и аварийная сигнализация.
Схема 14 473
- Противотуманные фары.
- Задние противотуманные фонари.
Схема 15 475
- Стоп-сигналы.
Схема 16 476
- Фонари заднего хода.
Схема 17 477
- Подсветка.
Схема 18 480
- Система курсовой устойчивости.
Схема 19 483
- Антиблокировочная система тормозов.
Схема 20 485
- Система SRS.
Схема 21 488
- Электроусилитель рулевого управления.
Схема 22 489
- Корректор фар (модели с ксеноновыми фарами).
Схема 23 490
- Корректор фар (модели без ксеноновых фар).
Схема 24 491
- Звуковой сигнал. Подогреватель топлива.
- Электропривод открывания люка топливного бака.
Схема 25 492
- Очиститель и омыватель лобового стекла (модели с системой автоматической регулировки скорости очистителя).
Схема 26 493
- Очиститель и омыватель лобового стекла (модели без системы автоматической регулировки скорости очистителя).
- Очиститель фар (модели с ксеноновыми фарами).
Схема 27 494
- Очиститель и омыватель заднего стекла.
- Прикуриватель.
Схема 28 495
- Розетки.
- Очиститель фар (модели без ксеноновых фар).
Схема 29 496
- Электропривод зеркал.
Схема 30 497
- Электропривод люка. Блокировка переключения.
Схема 31 498
- Электропривод стеклоподъемников.
Схема 32 500
- Антиобледенитель щеток.
- Обогреватель зеркал заднего вида.
Схема 33 501
- Обогреватель заднего стекла.
Схема 34 502
- Электрохроматические зеркала.
- Обогреватель сидений.
Схема 35 503
- Электропривод сидений.
Схема 36 504
- Маршрутный компьютер (модели без навигационной системы Map Type).
Схема 37 505
- Аудиосистема.
Схема 38 506
- Комбинация приборов.
Схема 39 509
- Электропривод вентилятора системы охлаждения и вентилятора конденсатора (модели с двигателями 1AZ-FSE, 1AZ-FE).
Схема 40 510
- Электропривод вентилятора системы охлаждения (модели с двигателями 1ZZ-FE, 3ZZ-FE).
Схема 41 511
- Кондиционер с автоматическим управлением и кондиционер с автоматическим управлением с функцией отопителя.
Схема 42 513
- Кондиционер с ручным управлением и кондиционер с ручным управлением с функцией отопителя.
Схема 43 515
- Отопитель.
Схемы электрооборудования (дополнения для моделей с 09.2003 г.) 517
Схемы электрооборудования (дополнения для моделей с 02.2004 г.) 522
Полезные ссылки 532
Подборка ссылок (в виде QR-кодов и url-ссылок) на интернет-ресурсы, содержащие наиболее интересную и грамотную информацию по Вашему автомобилю.