Книга Mitsubishi Fuso Canter с 2010 дизель, электросхемы. Руководство по ремонту и эксплуатации грузового автомобиля. Профессионал. Легион-Aвтодата
- Артикул: 5010 - назовите при заказе по телефону
- Издательство: Легион-Aвтодата
- ISBN: 978-5-88850-655-4
- Число страниц: 416
- Формат: А4
- Переплет: Мягкий
- Год выпуска: 2010-
- V диз дв: 4.9
Издание содержит руководство по эксплуатации, подробные сведения по техническому обслуживанию автомобиля, диагностике, ремонту и регулировке систем двигателя (в т.ч. электронной системы управления, Common Rail, систем снижения токсичности, запуска и зарядки), механической коробки передач (МКПП), переднего и заднего мостов, элементов тормозной системы (включая антиблокировочную систему тормозов (ABS)), рулевого управления, подвески, кузовных элементов, систем вентиляции и кондиционирования (AC).
Приведены отличия моделей Евро III и Евро IV.
Приведены инструкции по диагностике электронной системы управления двигателем и антиблокировочной системы тормозов (ABS).
ого
Подробно описано 270 кодов неисправностей SAE: P0, P1, P2, U0, а также 171 код Flash; условия их возникновения и возможные причины.
Приведены разъемы и процедуры проверки сигналов на выводах блоков управления различными системами - PinData.
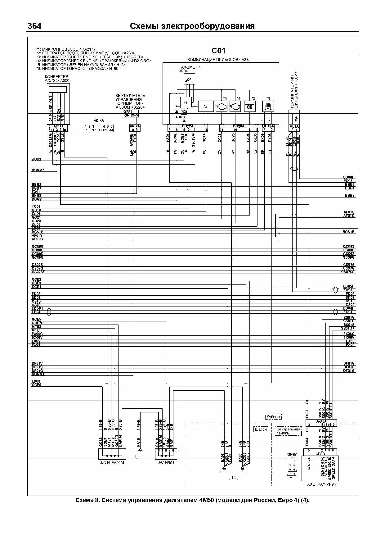
Представлены 72 подробные электросхемы (17 систем) для различных вариантов комплектации, описание большинства элементов электрооборудования.
Приведены возможные неисправности и методы их устранения, сопрягаемые размеры основных деталей и пределы их допустимого износа, рекомендуемые смазочные материалы, рабочие жидкости, размеры рекомендуемых шин и дисков.
Книга будет полезна как автовладельцам, начинающим и опытным, так и профессионалам авторемонта и диагностики. Автовладелец найдет для себя полезными: инструкцию по эксплуатации, техническое обслуживание (с периодичностью и необходимыми материалами), инструкции по самостоятельному ремонту. Профессионалам будут полезны: операции по сложному ремонту, допустимые размеры деталей, адаптации и сброс настроек, необходимые после ремонта, данные по диагностике и подробные схемы электрооборудования.
Книги серии "Профессионал" могут выручить Вас в дороге, если Вам придется пользоваться услугами автосервиса, незнакомого или малознакомого с особенностями модели Вашего автомобиля. Отдавая автомобиль на СТО, оставьте нашу книгу в бардачке, и, в случае каких-либо затруднений, автомеханик сможет воспользоваться ею, что значительно ускорит ремонт Вашего авто. Качественное изложение материала позволяет сократить время обслуживания автомобиля и сделать его более эффективным.
Книга предназначена для автовладельцев, персонала СТО и ремонтных мастерских.
Скачать бесплатно PDF страницы книги по ремонту и обслуживанию Mitsubishi Fuso Canter с 2010 дизель
Купить книгу по ремонту и эксплуатации грузового автомобиля Mitsubishi Fuso Canter с 2010 с дизельным двигателем 4M50 4.9, электросхемы Вы можете в нашем интернет-магазине с доставкой Почтой России или курьером по Москве.
Рекомендуем
Похожие товары
Интернет-портал Легион-Автодата создан для удобных покупок: автолитературы, программ для диагностики автомобиля, диагностических приборов, адаптеров elm327, автоаксессуаров и инструментов для авторемонта. Купить книги и приборы для диагностики и ремонта автомобиля Вы можете в нашем интернет магазине.
Удобно оплатить руководства по ремонту и эксплуатации выбранных Вами марок авто любой из платежных систем.
Заказать доставку автокниги почтой без предоплаты, курьером по Москве, регионам и в более 200 пунктов самовывоза по всей России.









