Книга Ниссан Микра, Марч 1992-2002 с бензиновыми 1.0 CG10DE, 1.3 CG13DE двигателями. Электросхемы, диагностика неисправностей. Руководство по ремонту, устройству, эксплуатации и техническому обслуживанию автомобиля.
Издание содержит подробные инструкции по обслуживанию, диагностике, ремонту и регулировке двигателя, системы управления двигателем, механической коробки передач, бесступенчатой автоматической коробки передач (CVT), тормозной системы (включая антиблокировочную систему ABS), рулевого управления и т.д.
Подробно представлены процедуры самодиагностики и коды неисправностей систем управления двигателем, CVT и ABS и т.д.
Имеющаяся в руководстве информация позволит автовладельцам самостоятельно проводить грамотное обслуживание автомобиля и не доводить его состояние до дорогостоящего ремонта.
В случае ремонта, данное руководство послужит незаменимым средством по выявлению и устранению неисправностей во всех компонентах автомобиля.
Пошаговое и наглядное описание ремонтных процедур, изобилие рисунков, обширные справочные ремонтные данные позволят квалифицированно подобрать варианты замены запчастей, произвести соответствующие регулировки, правку кузова и т. д.
Книга предназначена для персонала СТО, ремонтных мастерских и автовладельцев.
Скачать бесплатно
PDF страницы книги по ремонту и обслуживанию Nissan Micra, March 1992-2002 бензин
Купить книгу по ремонту и эксплуатации автомобиля Nissan Micra, March 1992-2002 с бензиновыми 1.0 CG10DE, 1.3 CG13DE двигателями, электросхемы Вы можете в нашем интернет-магазине с доставкой Почтой России или курьером по Москве.
Посмотреть содержаниеИнструкция по эксплуатации 7
Общие сведения 40
Техническое обслуживание 47
Общее обслуживание 47
Периодическое обслуживание 47
Обслуживание в тяжелых условиях эксплуатации 48
Рекомендуемые жидкости и смазочные материалы 49
Обслуживание двигателя 49
Обслуживание шасси и кузова 53
Ремонтные данные и спецификации 57
Механическая часть двигателя 59
Внешние компоненты 59
Воздухоочиститель 59
Впускной коллектор и топливная система 59
Впускной коллектор 60
Форсунки 60
Выпускной коллектор и каталитический нейтрализатор 61
Клапанная крышка 62
Давление компрессии 62
Масляный поддон 63
Цепь привода газораспределительного механизма (ГРМ) 63
Замена сальников 67
Сальник клапана 67
Направление установки сальника (для переднего и заднего сальников) 67
Передний сальник 67
Задний сальник 67
Головка цилиндров 68
Снятие 69
Разборка 69
Проверка 69
Сборка 71
Установка 71
Проверка 71
Регулировка 72
Двигатель в сборе 73
Снятие 73
Установка 74
Блок цилиндров 75
Разборка 76
Проверка 76
Сборка 79
Ремонтные данные и спецификации 81
Система смазки двигателя 84
Смазочный контур 84
Схема смазки 84
Проверка давления масла 85
Масляный насос 85
Проверка редукционного клапана 85
Проверка перепускного клапана 85
Разборка и сборка 86
Проверка масляного насоса 86
Система охлаждения двигателя 86
Контур охлаждения 86
Проверка системы 87
Проверка шлангов системы охлаждения 87
Проверка крышки радиатора 87
Проверка утечек из системы охлаждения 87
Водяной насос 87
Снятие 87
Проверка 87
Установка 87
Термостат 87
Кожух термостата 88
Радиатор 88
Электрический охлаждающий вентилятор 88
Ремонтные данные и спецификации 89
Топливная система двигателя и система снижения токсичности выхлопа 90
Меры предосторожности 90
Комплексная система управления двигателем и снижения токсичности выхлопа 91
Расположение компонентов системы E.C.C.S. 91
Разводка вакуумных шлангов 92
Устройство 93
Расположение и назначение контактов в разъеме блока ECU 94
Схема работы системы 95
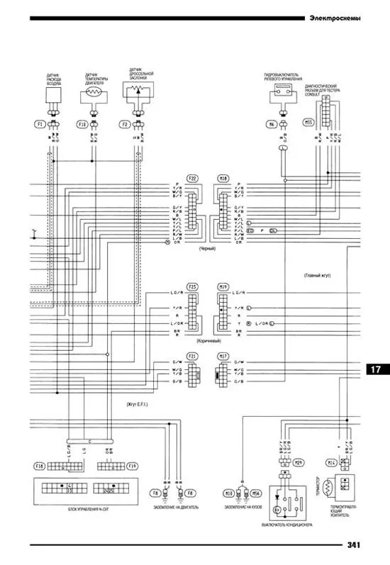
Электросхема 96
Описание компонентов системы 97
Регулирование впрыска топлива 99
Регулирование угла опережения зажигания 100
Регулирование оборотов холостого хода 101
Управление топливным насосом 102
Управление вентилятором радиатора 102
Управление отключением кондиционера при ускорении движения 102
Аварийный режим 103
Диагностика неисправностей 103
Режим самодиагностики 103
Как переключать режимы 104
Самодиагностика – Режим I 104
Самодиагностика – Режим II (Результаты самодиагностики) 105
Самодиагностика – Режим II (Контроль датчика выхлопных газов) 106
Поверка электрических компонентов 106
Акселератор, топливная система и система выпуска 114
Система управления акселератором 114
Топливная система 115
Сброс давления топлива 115
датчика уровня топлива 115
Снятие топливного бака 116
Установка топливного бака 117
Система выпуска 118
Установка 118
Сцепление 119
Проверка и регулировка 120
Регулировка педали сцепления 120
Механизм выключения сцепления 120
Снятие и установка 120
Проверка 120
Смазка 120
Ведомый диск и кожух сцепления 121
Ведомый диск сцепления 121
Кожух сцепления и маховик 121
Установка 121
Ремонтные данные и спецификации 122
Механическая коробка передач 123
ОБСЛУЖИВАНИЕ НА АВТОМОБИЛЕ 123
Замена сальника 123
Проверка позиционных выключателей 123
Механическая коробка передач в сборе 123
Снятие 123
Установка 124
Управление переключением передач 124
Капитальный ремонт RS5F41A 125
Компоненты картера 125
Компоненты шестерен 126
Компоненты механизма переключения передач 127
Разборка 128
Ремонт компонентов 128
Механизм переключения передач 132
Сборка 133
Капитальный ремонт, RS5F30A и RS5F31V 135
Компоненты картера 135
Компоненты шестерен 136
Компоненты механизма переключения передач 137
Разборка 138
Ремонт компонентов 139
Компоненты картера 144
Ремонтные данные и спецификации 147
Общие данные – RS5F41A, RS5F30A и RS5F31V 147
Проверка и регулировка – RS5F41A 147
Проверка и регулировка RS5F30A и RS5F31V 148
Автоматическая коробка передач 150
Введение 150
Вариатор nissan RE0F05A 150
Описание функционирования 151
Конструкция системы 151
Система управления NCVT 152
Блок электронного управления NCVT 153
Эксплуатация 155
Расположение компонентов 161
Картеры и масляные трубки 161
Механизм переключения передач и парковки 162
Шестерни переднего/заднего хода 163
Ремень и шкивы 164
Управляющие клапаны и масляный насос 164
Трос управления, датчик отношения оборотов шкивов и электропроводка 165
Главная передача и редукционная шестерня 166
Обслуживание на автомобиле 167
Управляющие клапаны в сборе 167
Трос управления дроссельной заслонкой 168
Переключатель селектора диапазонов 169
Датчик скорости автомобиля 169
Выключатель акселератора и выключатель дроссельной заслонки 169
Щеткодержатель 170
Сальник полуоси 170
Диагностика неисправностей 171
Самодиагностика (без применения тестера CONSULT) 171
Проверка электрических компонентов 174
Блок управления NCVT 174
Переключатель селектора диапазонов 175
Датчик скорости автомобиля 175
Соленоид давления в линии 175
Выключатель фонарей стопсигнала 175
Выключатель акселератора 175
Выключатель дроссельной заслонки 175
Реле ускорения оборотов х.х. 176
Реле Ncvt 176
Щеткодержатель 176
Коробка передач в сборе 176
Снятие и установка 176
Электромагнитная муфта 177
Разборка 178
Ремонт компонентов 181
Вторичный шкив в сборе 181
Масляный насос в сборе 182
Вторичный вал в сборе 182
Вал ведущей шестерни 183
Трубка Пито 183
Кулачок переключения передач и парковочный стержень в сборе 183
Ремонтные данные и спецификации 189
Передняя ось и подвеска 190
Составные части 190
Проверка и регулировка на автомобиле 190
Компоненты передней оси и подвески 190
Подшипники передних колес 191
Регулировка углов установки передних колес 191
Предварительная проверка 191
Развал, углы продольного и поперечного наклона оси поворота 191
Схождение колес 191
Угол поворота передних колес 191
Приводной вал 192
Передняя ось 192
Ступица колеса и поворотный кулак 192
Приводные валы 194
Передняя подвеска 196
Пружина и амортизатор 196
Стабилизатор поперечной устойчивости 196
Поперечный рычаг и нижний шаровой шарнир 198
Ремонтные данные и спецификации 198
Задняя ось и подвеска 200
Проверка и регулировка на автомобиле 200
Компоненты задней оси и подвески 200
Подшипники задних колес 201
Регулировка углов установки задних колес 201
Ступица колеса 201
Снятие 202
Установка 202
Задняя подвеска 202
Снятие и установка 202
Проверка 202
Сборка 202
Стабилизатор поперечной устойчивости 203
Ремонтные данные и спецификации 203
ТОРМОЗНАЯ СИСТЕМА 204
Проверка и регулировка 204
Проверка уровня тормозной жидкости 204
Проверка тормозных трубок 204
Замена тормозной жидкости 204
Прокачка тормозной системы 204
Гидравлический контур тормозной системы 204
Снятие и установка 204
Управляющий клапан 206
Клапан детектора нагрузки 206
Педаль тормоза и кронштейн 206
Снятие и установка 206
Проверка 206
Регулировка 206
Главный цилиндр 207
Снятие 207
Разборка 207
Проверка 207
Сборка 207
Установка 208
Усилитель тормоза 208
Обслуживание на автомобиле 208
Снятие 208
Проверка 209
Установка 209
Вакуумный шланг 209
Снятие и установка 209
Проверка 210
Дисковые тормоза передних колес 210
Замена колодок 210
Снятие 210
Разборка 210
Проверка 210
Сборка 211
Установка 211
Дисковые тормоза задних колес 212
Замена колодок 212
Снятие 213
Разборка 213
Проверка 213
Сборка 213
Установка 214
Барабанный тормоз задних колес 214
Снятие 215
Проверка 215
Установка 215
Регулировка зазора в колодках 215
Управление стояночным тормозом 216
Снятие и установка 216
Проверка 216
Регулировка 216
Антиблокировочная тормозная система (A.B.S.) 217
Режим работы 217
Компоненты системы 218
Снятие и установка 219
Блок управления 220
Исполнительный механизм 220
Реле исполнительного механизма 220
Диагностика неисправностей 220
Диагностика неисправностей (без применения тестера CONSULT) 221
Диагностическая процедура 1 222
Диагностическая процедура 2 222
Диагностическая процедура 3 223
Диагностическая процедура 4 223
Диагностическая процедура 5 224
Диагностическая процедура 6 225
Диагностическая процедура 7 225
Диагностическая процедура 8 226
Проверка отдельных компонентов 226
Ремонтные данные и спецификации 227
Рулевое управление 228
Проверка на автомобиле 228
Рулевое колесо 228
Рулевое управление с усилителем 228
Проверка утечек жидкости 229
Прокачка гидравлической системы 229
Рулевое колесо и рулевая колонка 230
Рулевое колесо 230
Рулевая колонка 230
Рулевой механизм и привод без усилителя 232
Снятие 233
Установка 233
Разборка 233
Проверка 233
Сборка 234
Рулевой механизм и привод с усилителем 235
Снятие 235
Установка 236
Разборка 236
Проверка 236
Сборка 237
Масляный насос гидроусилителя рулевого управления 238
Снятие 238
Разборка 238
Установка 238
Бачок гидроусилителя 238
Ремонтные данные и спецификации 239
КУЗОВ 240
Передняя часть кузова 240
Регулировка замка крышки капота 240
Передний бампер в сборе 240
Снятие 240
Задняя часть кузова и открыватель 241
Снятие заднего бампера в сборе 241
Двери 242
Передняя дверь 242
Задняя боковая дверь 244
Стеклоподъемники и дверные замки с электроприводом 245
Схема электрических соединений 245
Диагностика неисправностей 247
Приборная панель 248
Отделка салона/наружная отделка 249
Отделка салона 249
Отделка крыши 250
Отделка дверей 251
Наружная отделка 252
Сиденья 255
Передние сиденья 255
Сиденье с обогревом/термостат 256
Заднее сиденье 257
Люк на крыше 257
Крышка люка в сборе 257
Ветровое стекло и окна 259
Ветровое стекло и стекло задней двери 259
Боковое окно 260
Зеркала 261
Дверные зеркала 261
Дверные зеркала с обогревом схема электрических соединений 261
Задний спойлер 262
Размеры кузова 262
Моторный отсек 263
Днище кузова 264
ОТОПИТЕЛЬ И КОНДИЦИОНЕР 266
Управление кондиционером 266
Расположение компонентов 267
Режимы обдува 268
Система охлаждения 268
Процедуры обслуживания 269
Установка компрессора 269
Натяжение ремня 269
Регулятор быстрого холостого хода (F.I.C.D.) 269
Блок охлаждения 269
Компрессорное масло, проверка и внесение поправок 270
Диагностика неисправностей – система в целом 271
Проверка работы 271
Диагностика неисправностей при отклонении давления от нормы 272
Расположение компонентов кондиционера 274
Схема электрических соединений – Кондиционер 275
Схема электрических соединений – Отопитель 277
Проверка главного источника питания и цепи заземления 277
Проверка электрических компонентов 277
Регулировка троса и тяги управления 278
Электрооборудование 279
Стандартные реле 279
Расположение 279
Защита цепей питания 280
Плавкие вставки 280
Предохранители 280
Аккумулятор 280
Как обращаться с аккумуляторной батареей 280
Система запуска 282
Схема электрических соединений 282
Блоксхема поиска неисправностей в системе запуска 284
Стартер 285
Стартер 286
Сборка 288
Ремонтные данные и спецификации 288
Система зарядки 288
Диагностика неисправностей 288
Генератор 289
Генератор – разборка 290
Сборка 291
Ремонтные данные и спецификации 291
Комбинированный переключатель 292
Проверка работы 292
Переключатель света фар и указателей поворота 293
Фары 293
Фары – без системы освещения в дневное время и системы DIMDIP 293
Блок управления освещением в дневное время 294
Система освещения Dimdip 296
Регулятор наклона фар 297
Фары 298
Наружное освещение 301
Задние комбинированные фонари 301
Верхний фонарь стопсигнала 301
Фонарь освещения номерного знака 301
Подфарник/противотуманная фара 302
Боковой фонарь указателя поворота 302
Комбинированный прерыватель 302
Спецификации лампочек 302
Освещение салона 303
Выключатель обогревателя заднего стекла/аварийной сигнализации/заднего противотуманного фонаря 303
Выключатель наклона фар/выключатель подфарников/передних противотуманных фар/подсветки 303
Селектор NCVT 303
Подсветка прикуривателя 303
Плафон освещения салона 303
Плафон освещения багажного отделения 303
Измерительные приборы и указатели 304
Комбинация приборов 304
Разборка и сборка 306
Проверка указателя датчика топливного бака 307
Проверка датчика указателя температуры охлаждающей жидкости двигателя 307
Датчик давления масла 308
Снятие и установка гибкого приводного троса спидометра 308
Проверка датчика скорости 308
Очистители и омыватели 308
Очистители ветрового стекла 308
Очиститель заднего стекла 309
Омыватель ветрового стекла, омыватель заднего стекла 311
Очистители фар 312
Клаксон, прикуриватель и часы 312
Обогреватель заднего стекла 313
Проверка нити накала 313
Ремонт нити накала 313
Расположение электрических компонентов 314
Моторный отсек 314
Багажное отделение 314
Салон автомобиля 315
Разводка жгутов 316
Жгут моторного отсека 317
Главный жгут 321
Жгут двери (с левой стороны) 325
Жгут двери (с правой стороны) 326
Жгут задней двери 327
Жгут E.F.I. 328
Соединительный блок (S.M.J.) 331
Расположение контактов 331
Электросхемы 333