Книга Renault Sandero, Sandero StepWay 2008-2014 бензин, цветные электросхемы, ч/б фото. Руководство по ремонту и эксплуатации автомобиля. Третий Рим
- Артикул: 5292 - назовите при заказе по телефону
- Издательство: Третий Рим
- ISBN: 978-5-91774-747-7
- Число страниц: 304
- Формат: А4
- Переплет: Мягкий
- Год выпуска: 2008-14
- V бенз дв: 1.4; 1.6
Цена в интернет-магазине: 5 393 руб.
Книга Рено Сандеро 2008-2014 с бензиновыми двигателями 1.4, 1.6 л. Включая Рено Сандеро Степвэй. Руководство по ремонту, эксплуатации и техническому обслуживанию автомобиля, цветные электросхемы, ч/б фото. .
Предлагаем вашему вниманию руководство по ремонту и эксплуатации автомобилей Renault Sandero (выпуск с 2008 г.) и Sandero StepWay (выпуск с 2011 г.) с кузовом хэтчбек, с бензиновыми двигателями объемом 1,4 и 1,6 л.
В издании подробно рассмотрено устройство автомобиля, даны рекомендации по эксплуатации и ремонту. Рассмотрены особенности механической и автоматической коробок передач.
Специальный раздел посвящен неисправностям в пути, способам их диагностики и устранения. Все подразделы, в которых описаны обслуживание и ремонт агрегатов и систем, содержат перечни возможных неисправностей и рекомендации по их устранению, а также указания по разборке, сборке, регулировке и ремонту узлов и систем автомобиля с использованием стандартного набора инструментов в условиях гаража.
Операции по регулировке, разборке, сборке и ремонту автомобиля снабжены пиктограммами, характеризующими сложность работы, число исполнителей, место проведения работы и время, необходимое для ее выполнения. Указания по разборке, сборке, регулировке и ремонту узлов и систем автомобиля с использованием готовых запасных частей и агрегатов приведены пооперационно и подробно иллюстрированы фотографиями и рисунками, благодаря которым даже начинающий автолюбитель легко разберется в ремонтных операциях.
Структурно все ремонтные работы разделены по системам и агрегатам, на которых они проводятся (начиная с двигателя и заканчивая кузовом). По мере необходимости операции снабжены предупреждениями и полезными советами на основе практики опытных автомобилистов.
Структура книги составлена так, что фотографии или рисунки без порядкового номера являются графическим дополнением к последующим пунктам. При описании работ, которые включают в себя промежуточные операции, последние указаны в виде ссылок на подраздел и страницу, где они подробно описаны.
В приложениях содержатся необходимые для эксплуатации, обслуживания и ремонта сведения о моментах затяжки резьбовых соединений, лампах и свечах зажигания, применяемых горюче-смазочных материалах, специальных жидкостях и их заправочные объемы, а также контрольные размеры кузова.
В конце книги приведены цветные электросхемы. Книга предназначена для автолюбителей и специалистов СТО.
Купить книгу по ремонту автомобиля Renault Sandero, Sandero StepWay 2008-2014, цветные электросхемы Вы можете в нашем интернет-магазине с доставкой Почтой России или курьером по Москве.
Предлагаем вашему вниманию руководство по ремонту и эксплуатации автомобилей Renault Sandero (выпуск с 2008 г.) и Sandero StepWay (выпуск с 2011 г.) с кузовом хэтчбек, с бензиновыми двигателями объемом 1,4 и 1,6 л.
В издании подробно рассмотрено устройство автомобиля, даны рекомендации по эксплуатации и ремонту. Рассмотрены особенности механической и автоматической коробок передач.
Специальный раздел посвящен неисправностям в пути, способам их диагностики и устранения. Все подразделы, в которых описаны обслуживание и ремонт агрегатов и систем, содержат перечни возможных неисправностей и рекомендации по их устранению, а также указания по разборке, сборке, регулировке и ремонту узлов и систем автомобиля с использованием стандартного набора инструментов в условиях гаража.
Операции по регулировке, разборке, сборке и ремонту автомобиля снабжены пиктограммами, характеризующими сложность работы, число исполнителей, место проведения работы и время, необходимое для ее выполнения. Указания по разборке, сборке, регулировке и ремонту узлов и систем автомобиля с использованием готовых запасных частей и агрегатов приведены пооперационно и подробно иллюстрированы фотографиями и рисунками, благодаря которым даже начинающий автолюбитель легко разберется в ремонтных операциях.
Структурно все ремонтные работы разделены по системам и агрегатам, на которых они проводятся (начиная с двигателя и заканчивая кузовом). По мере необходимости операции снабжены предупреждениями и полезными советами на основе практики опытных автомобилистов.
Структура книги составлена так, что фотографии или рисунки без порядкового номера являются графическим дополнением к последующим пунктам. При описании работ, которые включают в себя промежуточные операции, последние указаны в виде ссылок на подраздел и страницу, где они подробно описаны.
В приложениях содержатся необходимые для эксплуатации, обслуживания и ремонта сведения о моментах затяжки резьбовых соединений, лампах и свечах зажигания, применяемых горюче-смазочных материалах, специальных жидкостях и их заправочные объемы, а также контрольные размеры кузова.
В конце книги приведены цветные электросхемы. Книга предназначена для автолюбителей и специалистов СТО.
Купить книгу по ремонту автомобиля Renault Sandero, Sandero StepWay 2008-2014, цветные электросхемы Вы можете в нашем интернет-магазине с доставкой Почтой России или курьером по Москве.
Посмотреть содержание
Содержание :
РАЗДЕЛ 1. УСТРОЙСТВО АВТОМОБИЛЯ ..........10
Общие сведения об автомобиле..........10
Паспортные данные автомобиля.......... 13
Ключи автомобиля..........15
Органы управления ..........15
Панель приборов..........15
Комбинация приборов ..........18
Отопление, кондиционирование и вентиляция салона ..........20
Двери..........21
Замки..........21
Стеклоподъемники..........22
Ремни безопасности ..........22
Сиденья ..........23
Регулировка положения передних сидений..........23
Заднее сиденье ..........23
Обогрев подушек передних сидений ..........23
Использование детских сидений ..........24
Зеркала заднего вида ..........24
Освещение салона..........24
Противосолнечные козырьки ..........24
Капот ..........25
Управление коробкой передач ..........25
РАЗДЕЛ 2. РЕКОМЕНДАЦИИ ПО ЭКСПЛУАТАЦИИ..........27
Правила техники безопасности и рекомендации..........27
Правила техники безопасности ..........27
Рекомендации по эксплуатации..........27
Рекомендации по безопасности движения ..........27
Обкатка автомобиля..........28
Эксплуатация автомобиля в гарантийный период..........28
Подготовка автомобиля к выезду..........28
Заправка автомобиля бензином..........29
Пользование домкратом..........30
Буксировка автомобиля ..........30
РАЗДЕЛ 3. НЕИСПРАВНОСТИ В ПУТИ ..........32
Двигатель не заводится ..........32
Общие приемы пуска двигателя ..........32
Неисправности в системе пуска..........32
Проверка системы зажигания ..........32
Проверка системы питания двигателя ..........33
Неисправности системы впрыска топлива ..........33
Пропал холостой ход..........35
Перебои в работе двигателя..........35
Диагностика состояния двигателя по внешнему виду свечей зажигания..........36
Автомобиль движется рывками..........37
Рывок в момент начала движения ..........37
Рывки при разгоне..........37
Рывки при установившемся движении ..........37
Автомобиль плохо разгоняется..........37
Двигатель заглох во время движения..........38
Упало давление масла..........38
Проверка системы смазки..........38
Перегрев двигателя..........39
Проверка системы охлаждения ..........39
Аккумуляторная батарея не подзаряжается..........40
Проверка электрооборудования..........40
Пуск двигателя от внешних источников тока..........41
Неисправности электрооборудования..........42
Появились посторонние стуки..........42
Стуки в двигателе..........42
Стуки в подвеске и трансмиссии..........42
Вибрация и удары на рулевом колесе ..........43
Проблемы с тормозами ..........43
Прокачка тормозной системы ..........44
Проверка тормозной системы..........44
Прокол колеса..........45
Замена колеса..........45
РАЗДЕЛ 4. ТЕХНИЧЕСКОЕ ОБСЛУЖИВАНИЕ ..........47
Общие положения..........47
Правила техники безопасности ..........48
Ежедневное обслуживание (ЕО)..........48
Проверка колес ..........48
Проверка уровня и доливка масла в систему смазки..........49
Проверка уровня и доливка охлаждающей жидкости ..........50
Проверка уровня и доливка тормозной жидкости в бачок главного тормозного цилиндра..........51
Проверка уровня и доливка рабочей жидкости в бачок гидроусилителя рулевого управления ..........51
Проверка уровня и доливка жидкости в бачок омывателя..........52
Проверка внешних осветительных приборов..........52
РАЗДЕЛ 5. ДВИГАТЕЛЬ..........54
Особенности конструкции..........54
Проверка компрессии в цилиндрах..........59
Снятие и установка брызговиков и защиты картера двигателя..........60
Замена опор подвески силового агрегата ..........61
Замена правой опоры подвески силового агрегата ..........61
Замена левой опоры подвески силового агрегата..........62
Замена задней опоры подвески силового агрегата..........62
Очистка системы вентиляции картера..........63
Установка поршня первого цилиндра в положение ВМТ такта сжатия..........64
Замена и регулировка натяжения ремня, замена натяжного ролика привода газораспределительного механизма..........66
Регулировка зазоров в приводе клапанов .....69
Проверка, промывка и замена гидрокомпенсаторов зазоров в механизме привода клапанов двигателя К4М..........70
Снятие, дефектовка и установка маховика ..........71
Замена деталей уплотнения двигателя ..........72
Замена прокладки крышки головки блока цилиндров ..........72
Замена маслосъемных колпачков..........74
Замена прокладки головки блока цилиндров ..........75
Замена сальника распределительного вала ..........80
Замена сальников коленчатого вала ..........81
Замена прокладки масляного картера ..........82
Замена уплотнения направляющей указателя уровня масла ..........84
Замена уплотнения впускной трубы..........84
Замена прокладки выпускного коллектора..........86
Головка блока цилиндров двигателя ..........87
Замена распределительного вала ..........87
Разборка, ремонт и сборка головки блока цилиндров ..........89
Притирка клапанов..........91
Снятие и установка двигателя ..........92
Система смазки..........95
Особенности конструкции..........95
Замена масла в двигателе и масляного фильтра ..........95
Замена цепи и шестерни привода масляного насоса..........96
Снятие и установка масляного насоса ..........96
Ремонт масляного насоса..........97
Система охлаждения ..........97
Особенности конструкции..........97
Проверка шлангов и соединений системы охлаждения ..........98
Замена охлаждающей жидкости ..........99
Снятие и установка расширительного бачка..........100
Снятие и установка электровентилятора радиатора системы охлаждения двигателя..........101
Замена радиатора системы охлаждения..........102
Замена водяного насоса..........103
Снятие и установка термостата..........103
Система выпуска отработавших газов..........104
Особенности конструкции..........104
Замена подушек подвески системы выпуска отработавших газов..........104
Замена элементов системы выпуска отработавших газов..........105
Система питания..........106
Особенности конструкции..........106
Проверка герметичности топливопроводов..........108
Проверка давления в системе питания двигателя ..........108
Снижение давления в системе питания ..........109
Замена фильтрующего элемента воздушного фильтра..........109
Снятие и установка воздушного фильтра..........110
Замена топливного насоса ..........111
Замена топливного бака..........112
Проверка и замена регулятора давления топлива..........113
Проверка, снятие и установка топливных форсунок..........114
Снятие и установка топливной рампы ..........115
Снятие и установка дроссельного узла..........115
Замена регулятора холостого хода..........116
Регулировка натяжения троса привода дроссельной заслонки ..........117
Замена троса привода дроссельной заслонки ..........117
Замена адсорбера системы улавливания паров топлива ..........117
РАЗДЕЛ 6. ТРАНСМИССИЯ..........119
Сцепление..........119
Особенности конструкции..........119
Снятие и установка сцепления..........120
Замена подшипника и вилки выключения сцепления..........121
Замена и регулировка троса привода выключения сцепления..........122
Ремонт педального узла..........122
Механическая коробка передач.......... 123
Особенности конструкции..........123
Проверка уровня и доливка масла в механическую коробку передач..........124
Замена сальников коробки передач..........125
Снятие и установка механической коробки передач..........126
Замена тяги привода управления механической коробкой передач ..........128
Снятие, установка и ремонт кулисы рычага управления механической коробкой передач..........129
Регулировка привода управления механической коробкой передач ..........130
Автоматическая коробка передач ..........130
Особенности конструкции..........130
Замена рабочей жидкости в автоматической коробке передач ..........131
Регулировка привода управления автоматической коробкой передач..........131
Снятие и установка селектора управления автоматической коробкой передач..........131
Приводы передних колес..........132
Особенности конструкции..........132
Проверка защитных чехлов приводов передних колес ..........134
Снятие и установка приводов передних колес ..........134
Ремонт шарниров равных угловых скоростей ..........135
РАЗДЕЛ 7. ХОДОВАЯ ЧАСТЬ..........139
Передняя подвеска ..........139
Особенности конструкции..........139
Проверка технического состояния деталей передней подвески на автомобиле..........139
Снятие и установка амортизаторной стойки ..........140
Ремонт амортизаторной стойки..........141
Замена верхней опоры амортизаторной стойки .....142
Замена шаровой опоры..........142
Замена рычага передней подвески ..........142
Замена деталей стабилизатора поперечной устойчивости ..........143
Снятие и установка поворотного кулака..........144
Замена подшипника ступицы переднего колеса ..........145
Снятие и установка подрамника..........146
Задняя подвеска ..........147
Особенности конструкции..........147
Замена амортизатора задней подвески ..........148
Замена пружины задней подвески..........149
Замена сайлентблоков рычагов задней подвески..........149
Замена подшипника ступицы заднего колеса ..........149
Замена балки задней подвески ..........150
Проверка и регулировка углов установки колес ..........150
РАЗДЕЛ 8. РУЛЕВОЕ УПРАВЛЕНИЕ .151
Особенности конструкции..........151
Осмотр и проверка рулевого управления на автомобиле..........151
Проверка свободного хода (люфта) рулевого колеса..........152
Рулевая колонка ..........152
Снятие и установка рулевого колеса ..........152
Снятие и установка рулевой колонки ..........153
Рулевые тяги.......... 153
Замена наружного наконечника рулевой тяги ..........153
Замена защитного чехла рулевой тяги..........154
Замена рулевой тяги..........154
Рулевой механизм..........154
Прокачка системы гидроусилителя рулевого управления..........154
Замена рулевого механизма ..........154
Замена насоса гидроусилителя рулевого управления..........155
РАЗДЕЛ 9. ТОРМОЗНАЯ СИСТЕМА ..........157
Особенности устройства..........157
Проверка и регулировка тормозной системы..........159
Проверка эффективности работы тормозной системы ..........159
Проверка герметичности гидропривода тормозов ..........160
Проверка и регулировка педали тормоза..........161
Проверка работы вакуумного усилителя тормозов ..........162
Проверка степени износа тормозных колодок, дисков и барабанов ..........163
Проверка стояночного тормоза ..........163
Прокачка гидропривода тормозной системы..........163
Замена тормозной жидкости..........164
Главный тормозной цилиндр..........165
Замена бачка главного тормозного цилиндра ..........165
Замена главного тормозного цилиндра ..........165
Замена вакуумного усилителя..........166
Замена регулятора тормозных сил в гидроприводе задних тормозов..........167
Замена шлангов и трубопроводов гидропривода тормозов..........167
Замена тормозных шлангов..........168
Замена тормозных трубок..........168
Тормозные механизмы передних колес .169
Замена тормозных колодок тормозного механизма переднего колеса..........169
Замена суппорта тормозного механизма переднего колеса..........169
Замена тормозного диска..........170
Тормозные механизмы задних колес..........170
Снятие и установка тормозного барабана..........170
Замена тормозных колодок тормозного механизма заднего колеса..........171
Замена рабочего цилиндра тормозного механизма заднего колеса..........173
Стояночный тормоз.......... 174
Регулировка привода стояночного тормоза..........174
Замена тросов привода стояночного тормоза ..........174
Снятие и установка рычага привода стояночного тормоза..........175
РАЗДЕЛ 10. ЭЛЕКТРООБОРУДОВАНИЕ..........177
Особенности конструкции..........177
Диагностика неисправностей бортового электрооборудования..........177
Монтажные блоки ..........178
Расположение предохранителей, плавких вставок и реле и их замена..........178
Аккумуляторная батарея..........180
Особенности конструкции..........180
Снятие и установка аккумуляторной батареи ......181
Хранение аккумуляторной батареи..........182
Генератор..........182
Особенности конструкции..........182
Проверка натяжения ремня привода вспомогательных агрегатов..........182
Замена ремней привода вспомогательных агрегатов..........182
Снятие и установка генератора ..........183
Ремонт генератора..........184
Стартер..........185
Особенности конструкции..........185
Снятие и установка стартера..........186
Ремонт стартера..........186
Выключатель (замок) зажигания..........188
Особенности конструкции..........188
Проверка выключателя (замка) зажигания ..........188
Снятие и установка выключателя (замка) зажигания..........188
Система управления двигателем..........189
Особенности конструкции..........189
Замена и обслуживание свечей зажигания..........191
Проверка высоковольтных проводов двигателей K7J и К7М..........192
Проверка, снятие и установка модуля зажигания двигателей K7J и К7М..........192
Проверка, снятие и установка катушек зажигания двигателя К4М..........193
Снятие и установка электронного блока управления двигателем ..........193
Проверка и замена датчиков системы управления двигателем..........194
Освещение, световая и звуковая сигнализация..........197
Особенности конструкции..........197
Регулировка света фар..........198
Замена ламп ..........198
Замена блок-фары..........201
Замена корректора света фар ..........202
Замена заднего фонаря ..........202
Замена фонаря освещения номерного знака..........202
Замена плафона освещения салона..........202
Замена бокового фонаря указателей поворота ..........203
Проверка и замена подрулевых переключателей ..........203
Снятие и установка звукового сигнала ..........204
Очиститель ветрового стекла ..........204
Замена щеток очистителя ветрового стекла ..........204
Замена моторедуктора очистителя ветрового стекла..........205
Снятие и установка омывателя ветрового стекла..........206
Снятие и установка электродвигателя вентилятора радиатора системы охлаждения двигателя..........206
Электрообогрев заднего стекла..........207
Снятие и установка патрона прикуривателя..........207
Комбинация приборов..........208
Особенности конструкции..........208
Снятие и установка комбинации приборов..........208
Иммобилизатор..........208
Замена выключателей панели приборов ..........208
Снятие и установка антенны..........209
Замена датчиков и выключателей ..........209
Замена датчика сигнальной лампы аварийного падения давления масла ..........209
Замена датчика указателя уровня топлива ..........210
Замена выключателя света заднего хода ..........210
Замена и регулировка выключателя стоп-сигнала ..........210
Замена выключателя сигнальной лампы включения стояночного тормоза ..........211
Замена выключателей плафона освещения салона ..........211
РАЗДЕЛ 1Г КУЗОВ ..........212
Особенности конструкции..........212
Снятие и установка брызговиков колес и подкрылков ..........212
Снятие и установка бамперов..........213
Снятие и установка переднего бампера..........213
Снятие и установка заднего бампера..........214
Снятие и установка облицовки радиатора ..........214
Снятие и установка переднего крыла..........214
Снятие и установка решетки короба воздухопритока..........215
Капот ..........216
Снятие и установка капота ..........216
Снятие, установка и регулировка замка и привода замка капота ..........217
Боковые двери ..........217
Снятие и установка обивки передней двери..........217
Замена стекла передней двери..........218
Замена стеклоподъемника передней двери ..........218
Замена наружной ручки передней двери ..........219
Замена внутренней ручки привода замка передней двери..........219
Замена выключателя замка передней двери..........219
Замена замка передней двери..........219
Замена ограничителя открывания передней двери ..........220
Снятие и установка передней двери..........220
Снятие и установка обивки задней двери..........221
Замена стекла задней двери..........221
Замена стеклоподъемника задней двери ..........222
Замена наружной ручки задней двери ..........222
Замена внутренней ручки привода замка задней двери..........222
Замена замка задней двери ..........222
Замена ограничителя открывания задней двери..........223
Снятие и установка задней двери ..........224
Дверь задка..........224
Замена упоров двери задка..........224
Снятие и установка обивки двери задка..........224
Замена замка и защелки двери задка..........224
Замена выключателя замка двери задка..........225
Снятие и установка двери задка..........225
Снятие и установка крышки люка наливной трубы топливного бака..........226
Сиденья ..........226
Снятие и установка переднего сиденья ..........226
Снятие и установка подголовника переднего сиденья..........226
Снятие и установка заднего сиденья ..........226
Снятие и установка облицовки тоннеля пола..........227
Зеркала заднего вида..........228
Снятие и установка наружного зеркала..........228
Снятие и установка внутреннего зеркала ..........228
Панель приборов..........228
Особенности конструкции..........228
Снятие и установка панели приборов..........228
Арматура салона ..........230
Замена поручней ..........230
Замена противосолнечных козырьков..........230
Снятие и установка облицовок салона..........230
Снятие и установка облицовок багажника..........231
Стеклоочиститель ветрового окна ..........231
Замена щеток стеклоочистителя ветрового окна..........231
Замена рычагов стеклоочистителя ветрового окна..........231
Снятие и установка трапеции стеклоочистителя ветрового окна в сборе с моторедуктором ..........232
Стеклоочиститель окна двери задка..........232
Замена щетки стеклоочистителя окна двери задка ..........232
Замена рычага стеклоочистителя окна двери задка ..........233
Замена неподвижного остекления кузова ..........233
Уход за кузовом..........234
Смазка арматуры кузова..........234
Прочистка дренажных отверстий кузова..........235
Мойка автомобиля ..........236
Полировка лакокрасочного покрытия ..........236
Мойка моторного отсека..........236
Антикоррозионная защита кузова..........237
Подготовка и антикоррозионная обработка скрытых полостей кузова..........237
Герметизация кузова..........237
Уход за панелями отделки салона, изготовленными из полимерных материалов ..........237
Уход за обивкой и ковриками салона ..........238
РАЗДЕЛ 12. СИСТЕМА ОТОПЛЕНИЯ, КОНДИЦИОНИРОВАНИЯ И ВЕНТИЛЯЦИИ САЛОНА..........239
Особенности устройства..........239
Особенности устройства системы отопления ..........239
Особенности устройства системы кондиционирования ..........239
Особенности устройства системы вентиляции ..........243
Правила техники безопасности при ремонте и обслуживании системы кондиционирования ..........243
Удаление хладагента из системы кондиционирования ..........244
Замена уплотнительных колец ..........244
Компрессор кондиционера..........244
Особенности конструкции..........244
Снятие и установка компрессора кондиционера..........245
Замена подшипника шкива привода..........246
Замена электромагнита муфты компрессора..........249
Замена конденсора..........250
Замена фильтрующего элемента ресивера..........251
Замена терморегулирующего клапана..........251
Замена датчика давления..........252
Снятие и установка радиатора отопителя..........252
Снятие и установка блока управления системой отопления, кондиционирования и вентиляции..........253
РАЗДЕЛ 13. СИСТЕМЫ БЕЗОПАСНОСТИ..........254
Система пассивной безопасности ..........254
Снятие и установка подушки безопасности водителя ..........254
Замена передних ремней безопасности..........255
Замена задних ремней безопасности..........256
Снятие и установка электронного блока управления системой пассивной безопасности ..........257
Антиблокировочная система тормозов..........258
РАЗДЕЛ 14. КОЛЁСА И ШИНЫ..........259
Колесные диски..........259
Шины..........259
Особенности конструкции..........259
Классификация шин ..........260
Маркировка шин..........261
Советы по выбору шин ..........262
Советы по эксплуатации шин..........262
Ремонт бескамерной шины..........263
Хранение шин..........264
РАЗДЕЛ 15. ЗИМНЯЯ ЭКСПЛУАТАЦИЯ АВТОМОБИЛЯ ..........265
Как подготовить автомобиль к зиме..........265
Рекомендации по пуску двигателя в сильный мороз..........267
Что полезно купить к зиме..........267
Полезные зимние советы ..........267
РАЗДЕЛ 16. ПОЕЗДКА НА СТО ..........268
ПРИЛОЖЕНИЯ ..........269
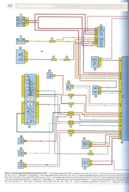
СХЕМЫ ЭЛЕКТРООБОРУДОВАНИЯ ..........281
Рекомендуем
Похожие товары
Вы смотрели
Интернет-портал Легион-Автодата создан для удобных покупок: автолитературы, программ для диагностики автомобиля, диагностических приборов, адаптеров elm327, автоаксессуаров и инструментов для авторемонта. Купить книги и приборы для диагностики и ремонта автомобиля Вы можете в нашем интернет магазине.
Удобно оплатить руководства по ремонту и эксплуатации выбранных Вами марок авто любой из платежных систем.
Заказать доставку автокниги почтой без предоплаты, курьером по Москве, регионам и в более 200 пунктов самовывоза по всей России.







