Книга Toyota Highlander, Lexus RX300, 330 1999-2006 бензин, ч/б фото, цветные электросхемы. Руководство по ремонту и эксплуатации автомобиля. Алфамер
- Артикул: 3106 - назовите при заказе по телефону
- Издательство: Алфамер
- ISBN: 978-5-93392-113-4
- Число страниц: 352
- Формат: А4
- Переплет: Твердый
- Год выпуска: 1999-06
- V бенз дв: 2,4; 3; 3,3
В руководстве рассмотрены Toyota Highlander 2001-2006, Lexus RX 300/330 1999-2006.
В данном руководстве Вы найдете информацию, необходимую для ремонта всех узлов и агрегатов автомобиля:двигатель, топливная система, система выпуска отработавших газов, системы охлаждения двигателя, отопления, вентиляции и кондиционирования воздуха, автоматическая коробка переключения передач в блоке с ведущим мостом, подвеска и рулевое управление, тормозная система, кузов, электрооборудование, аксессуары.
Даны рекомендации по уходу за автомобилем.
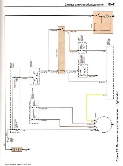
Книга содержит более 500 иллюстраций, описание покупки запасных частей, текущее техническое обслуживание, электрические схемы, руководство по эксплуатации.
Не включены сведения, относящиеся только к гибридным моделям.
Данное руководство предназначено для того, чтобы помочь Вам в максимальной степени использовать все те возможности, которыми обладает Ваш автомобиль.
В этой книге имеются иллюстрации и описание работы различных узлов, что поможет Вам определить их назначение и конструкцию. Процедуры обслуживания представлены в виде последовательности действий, осуществляемых шаг за шагом, и сопровождаются фотографиями.
Рисунки имеют нумерацию, состоящую из номера параграфа и номера пункта, к которому рисунок относится (если в пункте больше одного рисунка, они имеют дополнительную алфавитную нумерацию).
Купить книгу по ремонту и эксплуатации автомобиля Toyota Highlander, Lexus RX300, RX330 1999-2006 с бензиновыми 2.4, 3.0, 3.3 двигателями, черно-белые фото, цветные электросхемы Вы можете в нашем интернет-магазине с доставкой Почтой России или курьером по Москве.
Рекомендуем
Похожие товары
Интернет-портал Легион-Автодата создан для удобных покупок: автолитературы, программ для диагностики автомобиля, диагностических приборов, адаптеров elm327, автоаксессуаров и инструментов для авторемонта. Купить книги и приборы для диагностики и ремонта автомобиля Вы можете в нашем интернет магазине.
Удобно оплатить руководства по ремонту и эксплуатации выбранных Вами марок авто любой из платежных систем.
Заказать доставку автокниги почтой без предоплаты, курьером по Москве, регионам и в более 200 пунктов самовывоза по всей России.














