Книга Тойота Хайлюкс 2011-2015 с дизельными 1KD-FTV 3.0, 2KD-FTV 2.5 и бензиновым 2TR-FE 2.7 двигателями. Включены модели 2004-2011. Электросхемы, каталог расходных запчастей, характерные неисправности, диагностика. Руководство по ремонту и техническому обслуживанию автомобиля. Серия Профессионал.
Руководство по ремонту Toyota Hilux 2011-2015 гг. выпуска, оборудованных дизельными 1KD-FTV (3,0 л), 2KD-FTV (2,5 л) и бензиновым 2TR-FE (2,7 л) двигателями. Также рассмотрены модели 2004-2011 гг. выпуска.
Издание содержит руководство по эксплуатации, подробные сведения по техническому обслуживанию автомобилей, диагностике, ремонту и регулировке элементов систем двигателя (в т.ч. систем управления бензиновым и дизельным двигателями, топливной системы дизельных двигателей, турбонаддува дизельных двигателей, систему снижения токсичности отработавших газов дизельного двигателя, зажигания, запуска и зарядки), элементов механических (МКПП) и автоматических (АКПП) коробок передач, раздаточной коробки (в т.ч. систему подключения полного привода), переднего и заднего (включая систему принудительной блокировки заднего дифференциала) редукторов, элементов тормозной системы (включая антиблокировочную систему тормозов (ABS), систему экстренного торможения (ВА), противобуксовочную систему (TRC) и систему курсовой устойчивости (VSC)), рулевого управления, подвески, кузовных элементов, систем кондиционирования и вентиляции, системы пассивной безопасности (SRS).
Приведены инструкции по диагностике
13 электронных систем: управления бензиновым и дизельным двигателями, АКПП, ABS, VSC, кондиционером, SRS, дистанционного управления центральным замком, электропривода стеклоподъемников, Multivision, иммобилайзера, системы поддержания скорости и Multiplex.
Подробно описаны
434 кода неисправностей P0, P1, Р2, C0, С1, U0, В1, В2, Flash; условия их возникновения и возможные причины.
Представлены
166 подробных электросхем (102 системы) для различных вариантов комплектации, описание большинства элементов электрооборудования.
Информация для профессиональной диагностики и ремонта электрооборудования различных систем автомобиля представлена в диагностической онлайн-системе MotorData. Используя быстрые переходы по интерактивным ссылкам, Вы сможете решить проблему быстрее и сэкономить время. Подробности на
MotorData.ru
Приведены возможные неисправности и методы их устранения, сопрягаемые размеры основных деталей и пределы их допустимого износа, рекомендуемые смазочные материалы, рабочие жидкости и
каталожные номера расходных запчастей, необходимых для технического обслуживания и наиболее востребованного ремонта, размеры рекомендуемых шин и дисков.
Книга будет полезна как автовладельцам, начинающим и продвинутым, так и профессионалам авторемонта и диагностики. Автовладелец найдет для себя полезными: инструкцию по эксплуатации, техническое обслуживание (с периодичностью и необходимыми материалами), наиболее характерные для данного автомобиля неисправности, каталог наиболее часто востребованных запасных частей, инструкции по самостоятельному ремонту. Профессионалам будут полезны: операции по сложному ремонту, допустимые размеры деталей, данные по диагностике и подробные схемы электрооборудования.
Помимо существенной помощи в самостоятельном ремонте, книги серии "Профессионал" могут выручить вас в дороге, если вам придется пользоваться услугами автосервиса, незнакомого или малознакомого с особенностями модели вашего автомобиля. Отдавая автомобиль на СТО, оставьте нашу книгу в автомобиле, и в случае каких-либо затруднений, автомеханик сможет воспользоваться ею, что значительно ускорит ремонт вашего автомобиля. Качественное изложение материала позволяет сократить время обслуживания автомобиля и сделать его более эффективным.
Книга предназначена для автовладельцев, персонала СТО и ремонтных мастерских.
Книги издательства Легион-Автодата серии "Профессионал" рекомендованы к использованию в автосервисах двумя профессиональными сообществами автомобильных диагностов: Союзом автомобильных диагностов и Ассоциацией диагностов, автоэлектриков и чиптюнеров – АДАКТ.
Скачать бесплатно
PDF страницы книги по ремонту и обслуживанию Toyota Hilux c 2011 бензин, дизель
Купить книгу по ремонту и эксплуатации автомобиля Toyota Hilux 2011-2015 с дизельными 1KD-FTV 3.0, 2KD-FTV 2.5 и бензиновым 2TR-FE 2.7 двигателями, включены модели 2004-2011, электросхемы, каталог расходных запчастей Вы можете в нашем интернет-магазине с доставкой Почтой России или курьером по Москве.
Посмотреть содержаниеБыстрые ссылки на страницы книги 3
Идентификация 4
Идентификационный номер (VIN), номер рамы и сертификационная табличка 4
Номер двигателя 4
Номер КПП 4
Технические характеристики двигателей 4
Сокращения и условные обозначения 4
Общие инструкции по ремонту 5
Моменты затяжки болтов 5
Точки установки гаражного домкрата и лап подъемника 6
Основные параметры автомобиля 7
Меры безопасности при выполнении работ с различными системами 7
При установке мобильной системы радиосвязи 8
При работе с системой SRS (подушками безопасности) 8
При работе с электрооборудованием 8
При наличии системы курсовой устойчивости (VSC) и противобуксовочной системы (TRC) 9
При работе с топливной системой 9
При работе с системой воздухоснабжения 9
Меры предосторожности при отсоединении клеммы АКБ 9
Меры предосторожности при проведении ТО и инициализация 10
Меры предосторожности при проверке на беговых барабанах 10
Инициализация элементов различных систем управления 10
Самостоятельная диагностика 11
Характерные неисправности автомобилей Toyota Hilux 14
Руководство по эксплуатации 18
Блокировка дверей 18
Комбинация приборов 20
Центральный дисплей 24
Стеклоподъемники 25
Световая сигнализация на автомобиле 26
Система коррекции положения фар 27
Капот 27
Задний откидной борт 27
Заливная горловина топливного бака 28
Управление очистителем и омывателем лобового стекла 28
Омыватель фар (модификации) 29
Регулировка положения рулевого колеса 29
Управление зеркалами 29
Обогреватель заднего стекла и обогреватели боковых зеркал заднего вида 29
Сиденья 30
Ремни безопасности 31
Система пассивной безопасности (SRS) 32
Управление отопителем и кондиционером 33
Многофункциональный дисплей (модификации) 35
Камера заднего вида (модификации) 36
Система поддержания скорости (модификации) 36
Антиблокировочная система тормозов (ABS) 37
Система экстренного торможения (ВА) (модификации) 37
Противобуксовочная система (TRC) и система курсовой устойчивости (VSC) (модификации) 37
Управление автомобилем с АКПП 38
Управление автомобилем с МКПП 39
Особенности трансмиссии моделей 4WD 39
Советы по вождению в различных условиях 40
Буксировка автомобиля 41
Запуск двигателя 42
Сажевый фильтр (модели с дизельными двигателями) 45
Неисправности двигателя во время движения 45
Домкрат и инструменты 46
Поддомкрачивание автомобиля 46
Замена колеса 46
Рекомендации по выбору шин 47
Проверка давления и состояния шин 48
Замена шин 49
Особенности эксплуатации алюминиевых дисков 49
Замена дисков колес 49
Индикаторы износа накладок тормозных колодок 49
Проверка и замена предохранителей 49
Замена ламп 51
Техническое обслуживание и общие процедуры проверки и регулировки 55
Интервалы обслуживания 55
Таблица. Периодичность технического обслуживания 55
Моторное масло и фильтр 55
Охлаждающая жидкость 57
Проверка и замена воздушного фильтра 59
Топливный фильтр 59
Свечи зажигания (бензиновые двигатели) 60
Аккумуляторная батарея 61
Ремни привода навесных агрегатов 62
Ремень привода ГРМ (1KD-FTV, 2KD-FTV) 63
Проверка минимально устойчивой частоты вращения холостого хода 63
Проверка максимальной частоты вращения холостого хода (1KD-FTV, 2KD-FTV) 63
Проверка угла опережения зажигания (2TR-FE) 63
Проверка давления конца такта сжатия 63
Рабочая жидкость АКПП 64
Механическая коробка переключения передач 66
Раздаточная коробка 66
Редуктор заднего моста 66
Передний редуктор 67
Рабочая жидкость гидроусилителя рулевого управления 67
Данные системы кондиционирования 67
Салонный фильтр 67
Тормозная жидкость 68
Передние тормоза 68
Задние тормоза 69
Проверка эффективности стояночного тормоза 69
Карданные валы 69
Проверка пылезащитных чехлов 69
Проверка уровня жидкости в бачке омывателей стекол 69
Дополнительные проверки 69
Каталожные номера оригинальных запасных частей 71
Двигатели 1KD-FTV (3,0 л), 2KD-FTV (2,5 л) - механическая часть 88
Проверка и регулировка зазоров в приводе клапанов 88
Силовой агрегат в сборе 88
Ремень привода ГРМ 93
Головка блока цилиндров 95
Блок цилиндров 102
Передний сальник коленчатого вала 109
Замена заднего сальника коленчатого вала 109
Двигатель 2TR-FE (2,7 л) - механическая часть 111
Силовой агрегат в сборе 111
Цепь привода ГРМ 120
Головка блока цилиндров 127
Блок цилиндров 129
Замена сальников коленчатого вала 129
Двигатель - общие процедуры ремонта 131
Головка блока цилиндров 131
Блок цилиндров 138
Система охлаждения 153
Насос охлаждающей жидкости 153
Термостат 154
Радиатор 155
Система смазки 156
Проверка давления масла 156
Масляный насос и масляный поддон 156
Маслоохладитель 159
Масляные форсунки и обратные клапаны (1KD-FTV, 2KD-FTV) 160
Система впрыска топлива бензиновых двигателей 161
Система самодиагностики 161
Описание 161
Индикатор "CHECK ENGINE" ("проверь двигатель") 161
Вывод диагностических "flash" кодов 161
Стирание диагностического кода 162
Диагностические коды неисправностей системы управления двигателем 162
Проверка сигналов на выводах электронного блока управления 170
Проверка с помощью осциллографа 172
Топливная система 173
Меры предосторожности при работе с топливной системой 173
Проверка на автомобиле 174
Регулятор давления топлива 174
Форсунки 174
Топливный фильтр 176
Топливный насос 177
Топливный бак 178
Система электронного управления 178
Датчик массового расхода воздуха 178
Корпус дроссельной заслонки 179
Проверка датчика температуры охлаждающей жидкости 180
Клапан системы VVT 180
Датчик детонации 180
Интегрированное реле 180
Система снижения токсичности 181
Проверка на автомобиле 181
Система принудительного холостого хода 181
Система улавливания паров топлива 181
Крышка топливного бака 182
Клапан системы вентиляции картера 182
Датчик состава топливовоздушной смеси 182
Кислородный датчик 182
Воздушный клапан SAI 182
Воздушный компрессор 182
Система зажигания 183
Топливная система дизельного двигателя 184
Замена топливного фильтра 184
Форсунки 185
Топливный насос высокого давления 187
Датчик температуры топлива 189
Аккумулятор топлива 189
Охладитель топлива 191
Усилитель форсунок 191
Электронная система управления дизельным двигателем 192
Система самодиагностики 192
Описание 192
Индикатор "CHECK ENGINE" ("проверь двигатель") 192
Стирание диагностического кода 192
Инициализация 192
Диагностические коды неисправностей системы управления двигателем 192
Выводы электронного блока управления двигателем 199
Проверка с помощью осциллографа 203
Проверка элементов системы электронного управления двигателем 204
Датчик температуры воздуха на впуске 204
Датчик массового расхода воздуха 205
Датчик температуры охлаждающей жидкости 205
Датчик положения коленчатого вала 206
Датчик положения распределительного вала 206
Электропневмоклапан управления давлением наддува 206
Интегрированное реле 207
Корпус дроссельной заслонки 207
Система снижения токсичности отработавших газов дизельного двигателя 208
Проверка элементов системы принудительной вентиляции картера 208
Система рециркуляции отработавших газов 208
Охладитель EGR 209
Система турбонаддува и впуска воздуха дизельного двигателя 213
Описание 213
Предупреждения 213
Турбокомпрессор 214
Промежуточный охладитель наддувочного воздуха 217
Система изменения геометрии впускного коллектора 218
Система запуска 219
Система облегчения запуска (1KD-FTV, 2KD-FTV) 219
Стартер 220
Система зарядки 231
Меры предосторожности 231
Проверка на автомобиле 231
Генератор 231
Сцепление 236
Прокачка гидропривода сцепления 236
Педаль сцепления 236
Главный цилиндр гидропривода выключения сцепления 237
Рабочий цилиндр гидропривода выключения сцепления 238
Гидроаккумулятор 239
Сцепление 239
Механическая коробка передач 241
Проверка и замена масла в МКПП 241
Замена сальника выходного вала 241
Коробка передач 241
Автоматическая коробка передач 246
Общее описание 246
Общее описание 246
Гидравлическая часть системы управления 246
Электрическая часть системы управления 247
Предварительные проверки 247
Проверка и регулировка селектора АКПП 247
Проверка и регулировка выключателя запрещения запуска двигателя 247
Диагностика АКПП 247
Проверка индикатора 248
Система самодиагностики 248
Инициализация 248
Считывание кодов неисправностей ("Normal Mode") 248
Считывание кодов неисправностей в тестовом режиме ("Check Mode") 248
Сброс кодов неисправностей 249
Проверка переключения передач 252
Проверка элементов электрической части системы управления 255
Выключатель запрещения запуска двигателя 255
Проверка блока управления блокировкой селектора 255
Проверка э/м клапана блокировки селектора 256
Разъем блока электромагнитных клапанов 256
Датчики температуры рабочей жидкости АКПП 256
Датчики частоты вращения входного и выходного валов АКПП 256
Электромагнитные клапаны (SL, S1, S2, SR, SL1, SL2) 257
Датчики нейтрального положения и положения "L4" раздаточной коробки (A340F) 257
Блок управления АКПП 257
Проверка механических систем АКПП 260
Тест на полностью заторможенном автомобиле (stall test) 260
Проверка времени включения передачи 260
Гидравлический тест (проверка давления в основной магистрали) 260
Дорожный тест 261
Датчики частоты вращения входного и выходного валов АКПП 262
Выключатель запрещения запуска двигателя 262
Блок клапанов 263
Селектор 265
Трос управления АКПП 265
Коробка передач 266
Раздаточная коробка 271
Замена сальников 271
Передний и задний сальники раздаточной коробки 271
Сальник держателя подшипника раздаточной коробки 271
Снятие и установка раздаточной коробки 272
Система подключения полного привода 274
Проверка датчиков включения полного привода, нейтрального положения раздаточной коробки и датчика включения понижающей передачи 274
Проверка индикаторов 274
Электронный блок управления полным приводом 275
Карданный вал 276
Передний редуктор 278
Проверка уровня и замена масла 278
Замена сальников приводных валов 278
Замена сальника фланца редуктора 278
Снятие и установка редуктора 279
Разборка редуктора 280
Сборка редуктора 281
Проверка 285
Проверка биения фланца 285
Проверка привода отключения переднего дифференциала 285
Редуктор заднего моста 286
Замена сальника фланца редуктора 286
Снятие и установка редуктора 287
Разборка редуктора 287
Сборка редуктора 291
Система принудительной блокировки заднего дифференциала 297
Описание 297
Проверка системы 297
Проверка цепей 297
Проверка привода блокировки заднего дифференциала 298
Проверка выключателя блокировки дифференциала 298
Проверка датчика включения блокировки заднего дифференциала 298
Приводные валы и полуоси 299
Передние приводные валы 299
Задние полуоси 300
Подвеска 304
Предварительные проверки 304
Ротация шин 304
Проверка и регулировка углов установки передних колес 304
Передняя подвеска 307
Ступица переднего колеса и поворотный кулак 307
Стойка передней подвески 309
Верхний рычаг 311
Нижний рычаг 312
Стабилизатор поперечной устойчивости 314
Задняя подвеска 315
Ступица заднего колеса 315
Амортизатор 315
Рессора 315
Рулевое управление 317
Предварительные проверки 317
Проверка натяжения ремня привода насоса усилителя рулевого управления 317
Проверка усилия на рулевом колесе 317
Регулировка положения рулевого колеса 317
Проверка давления рабочей жидкости 317
Проверка люфта рулевого колеса 318
Проверка уровня рабочей жидкости 318
Прокачка системы усилителя рулевого управления 318
Рулевая колонка 318
Насос усилителя рулевого управления 321
Рулевой механизм 322
Тормозная система 328
Проверки и регулировки 328
Проверка уровня тормозной жидкости 328
Прокачка тормозной системы 328
Проверка и регулировка педали тормоза 328
Регулировка хода рычага стояночного тормоза 329
Регулировка зазора тормозных колодок стояночного тормоза 329
Педаль тормоза 329
Главный тормозной цилиндр 330
Вакуумный усилитель тормозов 331
Вакуумный насос (1KD-FTV и 2KD-FTV) 332
Клапан перераспределения тормозных сил в зависимости от нагрузки на заднюю ось 333
Передние тормоза 335
Задние тормоза и механизм стояночного тормоза 337
Стояночный тормоз 339
Компоненты систем улучшения управляемости автомобиля 340
Антиблокировочная система тормозов (ABS) 343
Описание 343
Диагностика системы 343
Предварительные проверки 344
Считывание кодов неисправностей 344
Стирание кодов неисправностей 344
Диагностика датчиков системы ABS 346
Установка тестового режима работы 346
Проверка датчиков 346
Проверка элементов системы ABS 347
Датчики частоты вращения колес 347
Датчик замедления 347
Выключатель стоп-сигналов 348
Датчик включения стояночного тормоза 348
Блок управления ABS 348
Системы улучшения управляемости автомобиля (ABS, BA, ЕВD, TRC и VSC) 349
Описание 349
Функции основных компонентов систем улучшения управляемости автомобиля 349
Диагностика систем 350
Предварительные проверки 350
Считывание кодов неисправностей 350
Стирание кодов неисправностей 350
Диагностика датчиков систем улучшения управляемости автомобиля 358
Установка тестового режима работы 358
Проверка датчиков 359
Калибровка датчика замедления и бокового перемещения 360
Проверка элементов систем улучшения управляемости автомобиля 361
Датчики частоты вращения колес 361
Выключатель стоп-сигналов 361
Датчик замедления и бокового перемещения 361
Проверка датчика разрежения в контуре вакуумного усилителя 361
Проверка датчика уровня тормозной жидкости 361
Датчик включения стояночного тормоза 361
Датчик усилия на педали тормоза 361
Датчик положения рулевого колеса 362
Выключатель "VSC OFF" 362
Проверка зуммера системы VSC 362
Датчик положения рулевого колеса 362
Блок управления системами улучшения управляемости автомобиля 362
Кузов 363
Держатели (пистоны) 363
Передний бампер 363
Задний бампер 366
Боковые молдинги 367
Боковые подножки 367
Капот 367
Трос привода замка капота 368
Трос привода замка лючка заливной горловины топливного бака (модификации) 368
Передняя дверь 370
Задняя дверь 374
Задний откидной борт 377
Зеркала заднего вида 379
Очиститель лобового стекла 381
Общие процедуры снятия и установки автомобильных стекол 382
Панель приборов 383
Отделка салона 386
Кондиционер, отопление и вентиляция 390
Меры безопасности при работе с хладагентом 390
Общие рекомендации 391
Проверка количества хладагента 392
Поиск неисправностей 392
Причины неисправностей и методы их устранения (модели с ручным управлением кондиционером) 392
Причины неисправностей и методы их устранения (модели с автоматическим управлением кондиционером) 393
Линии охлаждения 393
Проверка на автомобиле 393
Замена элементов трубопровода 393
Проверка испарителей 393
Панель управления кондиционером и отопителем 394
Блок управления кондиционером 396
Блок кондиционера, отопителя и электровентилятора отопителя 397
Компрессор кондиционера и электромагнитная муфта 401
Вязкостный нагреватель (модели для холодного климата) 403
Конденсатор 403
Проверка электрических элементов 405
Диагностика системы 406
Работа системы при обнаружении неисправностей 406
Включение режима диагностики 406
Очистка памяти 407
Датчик температуры воздуха в салоне 407
Обрыв или короткое замыкание цепи датчика температуры воздуха в салоне 407
Датчик температуры наружного воздуха 407
Обрыв или короткое замыкание цепи датчика температуры наружного воздуха 407
Датчик температуры воздуха за испарителем 407
Обрыв или короткое замыкание цепи датчика температуры воздуха за испарителем 407
Система безопасности (SRS) 412
Меры безопасности при техническом обслуживании 412
Разъемы системы SRS 413
Диагностика системы SRS 413
Накладка рулевого колеса и спиральный провод 418
Фронтальная подушка безопасности переднего пассажира 419
Боковые подушки безопасности (модификации с 08.2008 г.) 420
Шторки безопасности (модификации с 08.2008 г.) 420
Электронный блок управления SRS 420
Передние датчики SRS 420
Боковые датчики SRS (модификации с 08.2008 г.) 421
Задние датчики SRS (модификации с 08.2008 г.) 422
Электрооборудование кузова 423
Общая информация 423
Меры предосторожности 423
Включение тепловых предохранителей 423
Замена предохранителей 423
Идентификация разъемов 424
Реле и предохранители 424
Монтажный блок в моторном отсеке 427
Монтажный блок под приборной панелью 427
Блок реле под приборной панелью 428
Центральный замок 428
Система дистанционного управления центральным замком 430
Противоугонная система (модели с 06.2011 г.) 432
Комбинация приборов 433
Фары и освещение 440
Стеклоочистители и омыватели 446
Обогреватель заднего стекла 447
Электропривод стеклоподъемников 448
Электропривод зеркал 451
Электропривод сиденья водителя (модели с 06.2011 г.) 453
Обогреватели сидений 453
Звуковой сигнал 454
Система Multivision (модели с 06.2011 г.) 455
Система заднего обзора (модели с 06.2011 г.) 456
Иммобилайзер 457
Система поддержания скорости (1KD-FTV) 459
Шина передачи данных Multiplex (CAN) (модели с системой VSC) 462
Схемы электрооборудования 463
Обозначения, применяемые на схемах электрооборудования 463
Коды цветов проводов 463
Модели до 2011 г.
Схема 1 464
- Система запуска. - Система зарядки.
Схема 2 465
- Система зажигания (2TR-FE).
Схема 3 466
- Система управления двигателем 2TR-FE.
Схема 4 470
- Система поддержания скорости (1KD-FTV). - Система управления двигателями 1KD-FTV и 2KD-FTV.
Схема 5 475
- Система электронного управления АКПП (2TR-FE).
Схема 6 477
- Система электронного управления 4-ступенчатой АКПП (1KD-FTV, 2KD-FTV).
Схема 7 479
- Система электронного управления 5-ступенчатой АКПП (1KD-FTV).
Схема 8 482
- Обогреватель заднего стекла. - Блокировка переключения.
Схема 9 483
- Комбинация приборов.
Схема 10 487
- Система предупреждения об оставленном в замке зажигания ключе и невыключенном освещении. - Часы (модели без центрального дисплея панели приборов).
Схема 11 488
- Фары (модели с системой DRL). - Центральный дисплей панели приборов.
Схема 12 490
- Фары (модели без системы DRL). - Звуковой сигнал.
Схема 13 491
- Корректор фар.
Схема 14 492
- Габариты и подсветка.
Схема 15 496
- Указатели поворота и аварийная сигнализация.
Схема 16 497
- Противотуманные фары. - Задние противотуманные фонари.
Схема 17 498
- Фонари заднего хода. - Стоп-сигналы.
Схема 18 499
- Лампы освещения салона.
Схема 19 500
- Электропривод стеклоподъемников. - Омыватель фар.
Схема 20 502
- Система буксировки прицепа. - Электропривод зеркал.
Схема 21 503
- Кондиционер с автоматическим управлением.
Схема 22 505
- Кондиционер с ручным управлением (модели для холодного климата). - Дополнительный отопитель (модели для холодного климата).
Схема 23 507
- Кондиционер с ручным управлением (модели без дополнительного отопителя).
Схема 24 508
- Отопитель (модели для холодного климата и без кондиционера). - Дополнительный отопитель (модели для холодного климата и без кондиционера).
Схема 25 510
- Обогреватели сидений.
Схема 26 511
- Центральный замок. - Система дистанционного управления центральным замком. - Противоугонная система.
Схема 27 513
- Антиблокировочная система тормозов (ABS).
Схема 28 515
- Система улучшения управляемости автомобиля (ABS, TRC и VSC). - Шина передачи данных Multiplex (CAN).
Схема 29 518
- Система предупреждения о непристегнутом ремне безопасности. - Система безопасности (SRS).
Схема 30 520
- Система подключения полного привода (4WD) (2TR-FE). - Очистители и омыватели лобового стекла.
Схема 31 522
- Система подключения полного привода (4WD) (1KD-FTV, 2KD-FTV). - Система иммобилайзера.
Схема 32 524
- Блокировка заднего дифференциала.
Модели с 2011 г.
Схема 1 525
- Система запуска. - Система зарядки.
Схема 2 526
- Система зажигания (2TR-FE).
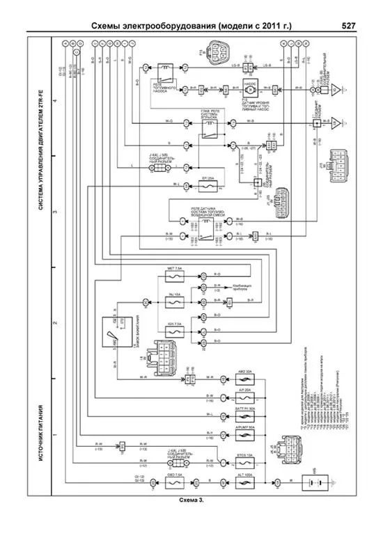
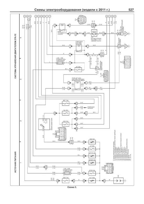
Схема 3 527
- Система управления двигателем 2TR-FE.
Схема 4 531
- Система управления двигателем 2KD-FTV (модели с турбокомпрессором с изменяемым положением лопаток и без сажевого фильтра).
Схема 5 536
- Система поддержания скорости (1KD-FTV, модели без сажевого фильтра). - Система управления двигателями 1KD-FTV (модели без сажевого фильтра) и 2KD-FTV (модели без турбокомпрессора с изменяемым положением лопаток).
Схема 6 542
- Система поддержания скорости (1KD-FTV, модели с сажевым фильтром). - Система управления двигателями 1KD-FTV (модели с сажевым фильтром) и 2KD-FTV (модели с турбокомпрессором с изменяемым положением лопаток и с сажевым фильтром).
Схема 7 548
- Система электронного управления АКПП (2TR-FE).
Схема 8 550
- Система электронного управления 4-ступенчатой АКПП (1KD-FTV, 2KD-FTV).
Схема 9 552
- Система электронного управления 5-ступенчатой АКПП (1KD-FTV).
Схема 10 555
- Обогреватель заднего стекла и обогреватели зеркал. - Блокировка переключения.
Схема 11 557
- Комбинация приборов.
Схема 12 561
- Центральный дисплей панели приборов.
Схема 13 562
- Система предупреждения об оставленном в замке зажигания ключе и невыключенном освещении. - Часы (модели без центрального дисплея панели приборов).
Схема 14 563
- Фары (модели без системы автоматического управления освещением и с системой DRL).
Схема 15 565
- Фары (модели без системы DRL). - Звуковой сигнал.
Схема 16 566
- Фары (модели с системой автоматического управления освещением).
Схема 17 568
- Корректор фар. - Омыватель фар.
Схема 18 570
- Габариты и подсветка.
Схема 19 574
- Указатели поворота и аварийная сигнализация.
Схема 20 576
- Противотуманные фары. - Задние противотуманные фонари.
Схема 21 578
- Фонари заднего хода. - Стоп-сигналы.
Схема 22 579
- Лампы освещения салона.
Схема 23 580
- Система буксировки прицепа. - Электропривод зеркал.
Схема 24 581
- Кондиционер с автоматическим управлением.
Схема 25 583
- Кондиционер с ручным управлением (модели для холодного климата). - Дополнительный отопитель (модели для холодного климата). - Очистители и омыватели лобового стекла.
Схема 26 586
- Кондиционер с ручным управлением (модели без дополнительного отопителя).
Схема 27 587
- Отопитель (модели без кондиционера). - Дополнительный отопитель (модели для холодного климата и без кондиционера).
Схема 28 589
- Центральный замок. - Система дистанционного управления центральным замком (модели без противоугонной системы).
Схема 29 591
- Противоугонная система.
Схема 30 592
- Антиблокировочная система тормозов (ABS).
Схема 31 594
- Система улучшения управляемости автомобиля (ABS, TRC и VSC). - Шина передачи данных Multiplex (CAN).
Схема 32 597
- Система предупреждения о непристегнутом ремне безопасности. - Система безопасности (SRS).
Схема 33 600
- Система подключения полного привода (4WD) (2TR-FE). - Система иммобилайзера.
Схема 34 602
- Система подключения полного привода (4WD) (1KD-FTV, 2KD-FTV).
Схема 35 604
- Блокировка заднего дифференциала.
Соединительные разъемы (CAN) 605
Расположение разъемов (модели до 2011 г.) 605
Расположение разъемов (модели с 2011 г.) 612
Расположение соединительных разъемов и точек заземления 622
Каталог оригинального дополнительного оборудования и аксессуаров 623