Книга Двигатели Митсубиси V6 6G72 3.0, 6G73 2.5, 6G74 3.5, 6G74 3.5 GDI, 6A12 2.0, 6A13 2.5. Устанавливались на Паджеро, Паджеро Спорт, Челленджер, Делика Спейс Гир, Сигма, Диамант, Этерна, Эмирауд, Галант, Легнум, Дебонаир, GTO, 3000GT, ФТО. Электросхемы, диагностика. Руководство по ремонту и эксплуатации двигателя. Серия Профессионал.
Руководство по ремонту бензиновых двигателей Mitsubishi V6: 6G72 (3,0 л), 6G73 (2,5 л), 6G74 (3,5 л MPI), 6G74 (3,5 л GDI), 6A12 (2,0 л), 6A13 (2,5 л).
Данные двигатели устанавливались на автомобили Mitsubishi с левым и правым расположением рулевого колеса:
- Pajero I (1982 - 1991 гг.)
- Pajero II (1990 - 2004 гг.)
- Pajero III (1999 - 2006 гг.)
- Pajero Sport
- Challenger
- Montero Sport
- Delica Space Gear
- Galant (1992 - 1996 гг.)
- Galant (1996 - 2005 гг.)
- Legnum
|
- Diamante (1990 - 1994 гг.)
- Diamante (1994 - 2005 гг.)
- Eterna
- Emeraude
- Sigma
- Debonair
- GTO
- 3000GT
- FTO
|
Издание содержит подробные сведения по техническому обслуживанию двигателей, ремонту, проверке и регулировке механических частей двигателей, систем смазки, охлаждения, турбонаддува, улавливания паров топлива и рециркуляции ОГ отработавших газов, зажигания, запуска и зарядки. Описаны конструктивные изменения, которым подвергались узлы и агрегаты двигателей в процессе производства.
Приведены инструкции по диагностике электронных систем управления бензиновыми двигателями (MPI и GDI) для различных модификаций двигателей и автомобилей.
Подробно описаны
коды неисправностей Flash, P0, P1, условия их возникновения и возможные причины.
Приведены разъемы и процедуры проверки сигналов на выводах блоков управления для различных модификаций двигателей - PinData. Рассмотрены модели с системой непосредственного впрыска топлива GDI.
Представлены электросхемы систем управления двигателем, зажигания, запуска и зарядки.
Информация для профессиональной диагностики и ремонта электрооборудования различных систем автомобиля представлена в диагностической онлайн-системе MotorData. Используя быстрые переходы по интерактивным ссылкам, Вы сможете решить проблему быстрее и сэкономить время. Подробности на
MotorData.ru
Приведены возможные неисправности и методы их устранения, сопрягаемые размеры основных деталей и пределы их допустимого износа, рекомендуемые смазочные материалы и рабочие жидкости, необходимые для технического обслуживания и ремонта.
Книга предназначена для автовладельцев, персонала СТО и ремонтных мастерских.
Книги издательства Легион-Автодата серии "Профессионал" рекомендованы к использованию в автосервисах двумя профессиональными сообществами: Союзом автомобильных диагностов и Ассоциацией диагностов, автоэлектриков и чиптюнеров – АДАКТ.
Скачать бесплатно
PDF страницы книги по ремонту и обслуживанию Mitsubishi двигатели V6 6G72, 6G73, 6G74, 6G74, 6A12, 6A13
Купить книгу по ремонту и эксплуатации двигателей Mitsubishi V6 6G72 3.0, 6G73 2.5, 6G74 3.5, 6G74 3.5 GDI, 6A12 2.0, 6A13 2,5 устанавливались на Pajero, Pajero Sport, Challenger, Delica Space Gear, Sigma, Diamante, Eterna, Emeraude, Galant, Legnum, Debonair, GTO, 3000GT, FTO, электросхемы Вы можете в нашем интернет-магазине с доставкой Почтой России или курьером по Москве.
Посмотреть содержаниеИдентификация 3
Номер двигателя 3
Идентификационная табличка модели 3
Технические характеристики двигателей 3
Сокращения и условные обозначения 3
Общие инструкции по ремонту 4
Моменты затяжки болтов 4
Меры безопасности при выполнении работ с различными системами 5
Самостоятельная диагностика 7
Техническое обслуживание и общие процедуры проверок и регулировок 10
Интервалы обслуживания 10
Моторное масло и фильтр 10
Проверка и замена воздушного фильтра 12
Охлаждающая жидкость 13
Аккумуляторная батарея 15
Свечи зажигания и свечные провода высокого напряжения 16
Проверка и регулировка угла опережения зажигания 19
Проверка частоты вращения холостого хода 21
Проверка повышенной частоты вращения холостого хода при включении кондиционера 21
Проверка состава топливовоздушной смеси в режиме холостого хода 22
Проверка компрессии 22
Проверка разрежения во впускном коллекторе 24
Проверка состояния и натяжения ремня привода навесных агрегатов 24
Ремень привода ГРМ 29
Замена топливного фильтра 30
Двигатели серии 6G7 - механическая часть 35
Общая информация 35
Проверка гидрокомпенсаторов 36
Замена ремня привода ГРМ (12-клапанный двигатель SOHC) 38
Замена ремня привода ГРМ (24-клапанные двигатели SOHC и DOHC) 42
Замена сальников 48
Замена прокладки головки цилиндров 50
Двигатель в сборе 54
Двигатели серии 6A1 - механическая часть 59
Общая информация 59
Проверка гидрокомпенсаторов (кроме [MIVEC]) 60
Проверка системы регулировки фаз газораспределения и подъема клапанов (двигатели MIVEC) 60
Замена ремня привода ГРМ (двигатели SOHC) 60
Замена ремня привода ГРМ (двигатели DOHC) 64
Замена сальников 67
Замена прокладки головки цилиндров 72
Двигатель в сборе 75
Опоры силового агрегата 77
Двигатель - общие процедуры ремонта 79
Оси коромысел и распределительный вал (двигатели SOHC) 79
Коромысла клапанов и распределительные валы (двигатель DOHC) 83
Головка цилиндров и клапаны 87
Корпус масляного насоса и масляный поддон 93
Поршень и шатун 97
Блок цилиндров, коленчатый вал, маховик (МКПП) и пластина привода гидротрансформатора (АКПП) 102
Система охлаждения 108
Общая информация 108
Проверки и регулировки на автомобиле 108
Термостат в сборе 108
Насос охлаждающей жидкости 110
Шланги и трубки системы охлаждения 112
Радиатор и вентилятор (модели с приводом от ремня) 115
Радиатор и вентилятор (модели с электровентилятором) 117
Датчики и выключатели 118
Система смазки 120
Общая информация 120
Датчики и клапаны 120
Масляный поддон и маслозаборник 121
Воздушный маслоохладитель для двигателя серии 6G7 125
Жидкостный маслоохладитель 126
Система впрыска топлива (MPI) 127
Общие правила при работе с электронной системой управления 127
Диагностика системы впрыска топлива 128
Общая информация 128
Пояснения к процедурам поиска неисправностей 129
Пояснения по работе с системой самодиагностики 129
Проверка контрольной лампы индикации неисправности двигателя ("CHECK ENGINE") 129
Считывание кодов неисправностей без тестера (тип OBD-I) 130
Стирание диагностических кодов неисправностей без тестера (тип OBD-I) 130
Диагностика автомобиля с системой OBD-II 131
Пояснения по работе системы в аварийном режиме (замены некорректных сигналов) 132
Рекомендации к поиску неисправностей по кодам 132
Периодическое обслуживание 134
Проверка и регулировка троса педали акселератора (со стороны дроссельной заслонки) 134
Стравливание остаточного давления из топливо- провода высокого давления 135
Проверка работы топливного насоса 135
Очистка корпуса дроссельной заслонки 136
Регулировка положения винта заводской регулировки Fixed SAS 136
Регулировка базовой частоты вращения холостого хода 137
Регулировка датчика положения дроссельной заслонки и датчика-выключателя полностью закрытого положения дроссельной заслонки (модели без противобуксовочной системы TCL) 137
Регулировка датчика положения дроссельной заслонки (модели с противобуксовочной системой - TCL) 138
Регулировка датчика положения педали акселератора и датчика-выключателя полностью отпущенной педали акселератора (модели с противобуксовочной системой - TCL) 139
Проверка давления топлива 139
Проверка соединений систем топливоподачи и улавливания паров топлива 141
Замена датчика уровня топлива 142
Расположение компонентов системы 143
Проверка компонентов системы впрыска топлива 145
Пояснения к проверкам 145
Линия питания и замок зажигания - вывод IG 145
Цепь "массы" блока управления двигателем 146
Топливный насос 146
Датчик расхода воздуха (модели с системой "AFS") 147
Датчик температуры воздуха во впускном коллекторе (модели с системой "AFS") 147
Датчик барометрического давления (модели с системой "AFS") 148
Датчик температуры воздуха во впускном коллекторе (модели с системой "MAP") 148
Датчик абсолютного давления во впускном коллекторе (модели с системой "MAP") 148
Датчик температуры охлаждающей жидкости 148
Датчик положения дроссельной заслонки 149
Датчик-выключатель полностью закрытого положения дроссельной заслонки (или полностью отпущенной педали акселератора) 149
Датчик ВМТ или датчик положения распредели- тельного вала 149
Датчик положения коленчатого вала 150
Замок зажигания (вывод ST) [модели с механической КПП] 150
Замок зажигания (вывод ST) и выключатель блокировки стартера [модели с АКПП] 151
Датчик скорости автомобиля 151
Датчик-выключатель давления жидкости в гидросистеме усилителя рулевого управления 151
Выключатель кондиционера и реле электро- магнитной муфты компрессора кондиционера 152
Выключатель по нагрузке электрической цепи 152
Датчик детонации 152
Сигнал антиблокировочной системы тормозов (ABS) 152
Кислородный датчик 152
Форсунки 153
Сервопривод регулятора оборотов холостого хода 155
Катушка зажигания и силовой транзистор 155
Сервопривод регулируемой впускной системы и датчик положения клапана привода 156
Генератор с регулировкой по нагрузке 156
Электромагнитные клапаны 156
Проверка дополнительных устройств 157
Проверки на разъеме электронного блока управления двигателем 158
Система снижения токсичности ОГ 173
Общая информация 173
Система принудительной вентиляции картера 175
Система улавливания паров топлива 176
Система рециркуляции отработавших газов 178
Каталитический нейтрализатор 179
Системы впуска, выпуска и турбонаддува 181
Общая информация 181
Регулируемая впускная система (модели с пневмоприводом) 181
Регулируемая впускная система (модели с сервоприводом) 181
Система турбонаддува 182
Регулируемая выпускная система 183
Промежуточный охладитель наддувочного воздуха 184
Ресивер впускного коллектора и впускной коллектор 185
Выпускные коллекторы (модели без турбо- компрессоров) 192
Выпускные коллекторы (модели с турбо- компрессорами) 194
Турбокомпрессор 197
Трубы системы выпуска, глушитель и каталитический нейтрализатор 198
Система зажигания 199
Общая информация 199
Проверки и регулировки 199
Датчик детонации (кроме модификаций) 201
Распределитель зажигания 202
Датчик положения распределительного вала и датчик положения коленчатого вала 203
Свечи и катушки зажигания (двигатели без распределителя) 203
Система пуска двигателя 205
Общая информация 205
Проверки и регулировки 205
Стартер 206
Система зарядки 208
Общая информация 208
Меры предосторожности при обслуживании 208
Проверка падения выходного напряжения генератора 208
Проверка тока отдачи генератора 208
Проверка регулируемого напряжения 209
Генератор 210
Проверка формы сигнала выходного напряжения генератора на мотор-тестере (осциллографе) 214
Проверка реле генератора 214
Отличия для моделей с двигателем 6G74-GDI 215
Двигатель - механическая часть 215
Общая информация 215
Проверка гидрокомпенсаторов 215
Ремень привода ГРМ 216
Сальники распределительных валов 222
Замена сальников коленчатого вала 223
Распределительные валы 223
Головка блока цилиндров (замена прокладки) 223
Двигатель в сборе 225
Двигатель - общие процедуры ремонта 230
Коромысла клапанов и распределительные валы 230
Головка блока цилиндров и клапаны 232
Корпус масляного насоса и масляный поддон 235
Поршень и шатун 235
Блок цилиндров, коленчатый вал, маховик (МКПП) и пластина привода гидротрансформатора (АКПП) 236
Система охлаждения 237
Термостат 237
Насос охлаждающей жидкости 238
Шланги и трубки системы охлаждения 240
Вентилятор системы охлаждения 242
Радиатор 244
Система впрыска топлива (GDI) 246
Общая информация 246
Периодическое обслуживание 248
Проверка и регулировка троса педали акселератора (Challenger) 248
Стравливание остаточного давления из магистрали высокого давления 248
Проверка работы топливного насоса низкого давления 249
Проверка положения винта заводской регулировки Fixed SAS 249
Очистка корпуса дроссельной заслонки 249
Регулировка датчика положения дроссельной заслонки 249
Регулировка датчика-выключателя полностью отпущенной педали акселератора и датчика положения педали акселератора (CHALLENGER) 250
Регулировка
датчика положения педали акселератора (PAJERO III) 251
Проверка давления топлива в магистрали между насосом низкого давления и ТНВД 252
Проверка давления топлива в магистрали между ТНВД и форсунками (CHALLENGER выпуска до 05.1999 г.) 253
Проверка давления топлива в магистрали между ТНВД и форсунками (CHALLENGER выпуска с 05.1999 г. и PAJERO) 254
Проверка герметичности топливной системы (CHALLENGER выпуска до 05.1999 г.) 255
Проверка герметичности топливной системы (CHALLENGER выпуска с 05.1999 г. и PAJERO III) 255
Общие правила при работе с электронной системой управления 256
Диагностика системы впрыска топлива 256
Общая информация 256
Стандартная схема поиска неисправностей 257
Проверка контрольной лампы индикации неисправности двигателя ("CHECK ENGINE") 257
Считывание кодов неисправностей без сканера (только модели с системой типа STD) 258
Считывание диагностических кодов неисправностей с помощью сканера 258
Удаление диагностических кодов неисправностей 258
Диагностика автомобиля с системой OBD-II (EOBD) 259
Рекомендации к поиску неисправностей по кодам 259
Пояснения по работе системы в аварийном режиме (замены некорректных сигналов) 259
Проверки на разъеме электронного блока управления двигателем 260
Проверка компонентов системы впрыска топлива GDI 278
Расположение компонентов системы 278
Управляющее реле двигателя, реле топливного насоса и реле сервопривода дроссельной заслонки (CHALLENGER) 278
Реле управления форсунками (CHALLENGER) 278
Управляющее реле двигателя (PAJERO III) 279
Реле топливного насоса, реле сервопривода дроссельной заслонки и реле управления форсунками (PAJERO III) 279
Датчик температуры воздуха на впуске 279
Датчик температуры охлаждающей жидкости 280
Датчик положения дроссельной заслонки 281
Датчик положения педали акселератора (CHALLENGER) 281
Датчик положения педали акселератора (PAJERO) 281
Датчик-выключатель отпущенной педали акселератора 281
Кислородный датчик 282
Форсунки 282
Сервопривод дроссельной заслонки 282
Электромагнитный клапан подачи воздуха на впуск (при неисправности сервопривода дроссельной заслонки, CHALLENGER, модели выпуска до 05.1999 г.) 283
Электромагнитный клапан управления давлением топлива (CHALLENGER, модели выпуска до 05.1999 г.) 283
Проверка компонентов системы впрыска топлива с помощью осциллографа 283
Датчик массового расхода воздуха 283
Датчик положения распределительного вала и датчик положения коленчатого вала 284
Форсунки 284
Катушка зажигания и силовой транзистор 284
Сервопривод клапана рециркуляции ОГ 285
Снятие и установка компонентов системы впрыска топлива GDI 286
Удаление воздуха из топливопровода высокого давления 286
Снятие и установка ТНВД 286
Снятие и установка форсунок 287
Снятие и установка корпуса дроссельной заслонки 290
Разборка и сборка корпуса дроссельной заслонки 291
Снятие и установка формирователя управляющих сигналов форсунок 291
Снятие и установка контроллера сервопривода дроссельной заслонки (CHALLENGER) 292
Снятие и установка электронного блока управления двигателем и контроллера серво- привода дроссельной заслонки (PAJERO III) 292
Педаль акселератора 292
Датчик положения педали акселератора (CHALLENGER) 292
Система снижения токсичности ОГ 294
Общая информация 294
Система принудительной вентиляции картера 294
Система улавливания паров топлива 295
Система рециркуляции отработавших газов 296
Каталитический нейтрализатор 297
Системы впуска и выпуска 298
Проверки на автомобиле (CHALLENGER) 298
Воздушный фильтр (PAJERO) 298
Впускной коллектор 299
Выпускной коллектор 301
Трубы системы выпуска, глушитель и каталитический нейтрализатор 302
Система зажигания 305
Общая информация 305
Проверка катушки зажигания и встроенного силового транзистора 305
Свечи и катушки зажигания 305
Датчики (PAJERO) 305
Система зарядки 307
Общая информация 307
Генератор 307
Схемы электрооборудования 308
Пояснения к схемам электрооборудования 308
Схемы электрооборудования 310
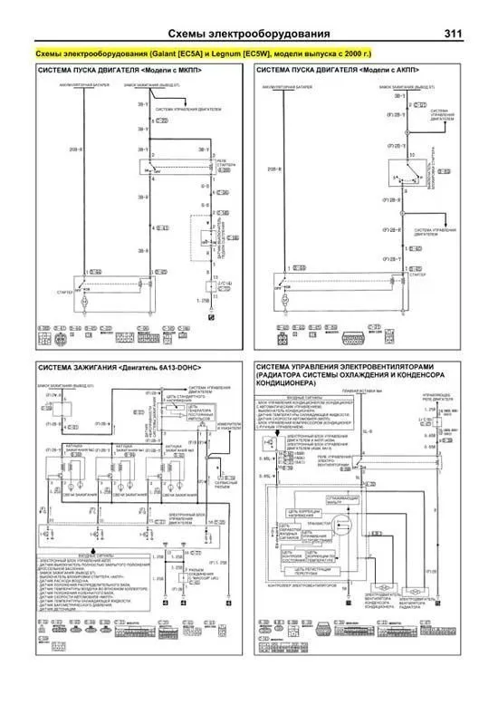
Схемы электрооборудования (Galant [EC5A] и Legnum [EC5W], модели выпуска с 2000 г.) 311
Система пуска двигателя Модели с МКПП 311
Система пуска двигателя Модели с АКПП 311
Система зажигания Двигатель 6A13-DOHC 311
Система управления электровентиляторами (радиатора системы охлаждения и конденсора кондиционера) 311
Система зарядки 312
Система управления двигателем 6A13-DOHC-T/C (Модели с МКПП) 312
Система управления двигателем 6A13-DOHC-T/C (Модели с АКПП) 314
Схемы электрооборудования (Galant [EC5A] и Legnum [EA##W/EC##W], модели выпуска с 1996 г.) 316
Система пуска двигателя 316
Система зажигания Двигатель серии 6A1-SOHC 316
Система зажигания Двигатель 6A13-DOHC 317
Система зарядки 317
Система управления двигателем Модели с двигателем серии 6A1-SOHC и МКПП выпуска с 1996 г. 318
Система управления двигателем Модели с двигателем серии 6A1-SOHC и АКПП выпуска с 1996 г. 320
Система управления двигателем Модели с двигателем 6A13-DOHC-T/C и МКПП выпуска с 1996 г. 322
Система управления двигателем Модели с двигателем 6A13-DOHC-T/C и АКПП выпуска с 1996 г. 324
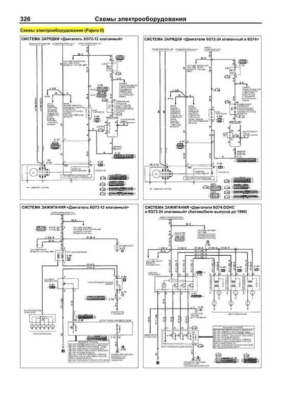
Схемы электрооборудования (Pajero II) 326
Система зарядки Двигатель 6G72 12-клапанный 326
Система зарядки Двигатели 6G72 24-клапанный и 6G74 326
Система зажигания Двигатель 6G72 12-клапанный 326
Система зажигания Двигатели 6G74-DOHC и 6G72 24-клапанный (Автомобили выпуска до 1998 г.) 326
Система зажигания 24-кл. двигатели SOHC 6G74 и 6G72 (Автомобили 98 модельного года) 327
Система пуска двигателя 327
Система распределенного впрыска топлива (MPI) Двигатель 6G72 12-клапанный 328
Система распределенного впрыска топлива (MPI) Двигатели 6G74-DOHC и 6G72 24-клапанный (Автомобили выпуска до 1998 г.) 330
Система распределенного впрыска топлива (MPI) 24-кл. двигатели SOHC 6G74 и 6G72 (Автомобили 98 модельного года с левым рулем) 332
Система распределенного впрыска топлива (MPI) 24-кл. двигатели SOHC 6G74 и 6G72 (Автомобили 98 модельного года с правым рулем) 334
Схемы электрооборудования (Montero Sport) 337
Система пуска двигателя (Модели без противоугонной системы) 337
Система пуска двигателя (Модели с противоугонной системой) 337
Система зажигания 337
Система зарядки 337
Система управления двигателем Кроме модификаций (моделей для Калифорнии) 338
Система управления двигателем Модификации (модели для Калифорнии) 340
Схемы электрооборудования (Pajero Sport) 343
Система запуска Модели с МКПП 343
Система запуска Модели с АКПП 343
Система зажигания 343
Система зарядки 343
Система управления двигателем Двигатель 6G72-MPI с МКПП 344
Система управления двигателем Двигатель 6G72-MPI с АКПП 346
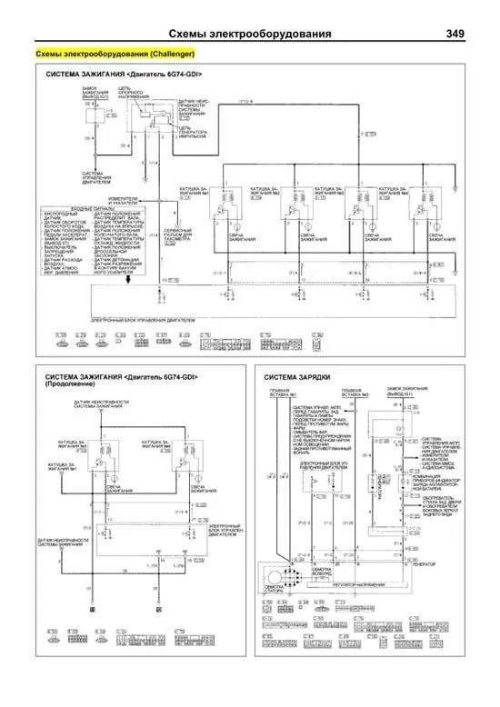
Схемы электрооборудования (Challenger) 349
Система зажигания Двигатель 6G74-GDI 349
Система зарядки 349
Система управления двигателем Двигатель 6G74-GDI 350
Схемы электрооборудования (Pajero III с двигателем 6G74-GDI, модели для Европы выпуска до 2003 года) 354
Система управления двигателем Двигатель 6G74-GDI (модели с МКПП) 354
Система управления двигателем Двигатель 6G74-GDI (модели с АКПП) 358
Схемы электрооборудования (Pajero III с двигателем 6G74-GDI, модели для Европы выпуска с 2003 года) 362
Система управления двигателем Двигатель 6G74-GDI (модели с МКПП) 362
Система управления двигателем Двигатель 6G74-GDI (модели с АКПП) 365
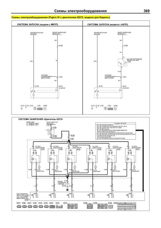
Схемы электрооборудования (Pajero IV с двигателем 6G72, модели для Европы) 369
Система запуска (модели с МКПП) 369
Система запуска (модели с АКПП) 369
Система зажигания 369
Система зарядки 370
Система управления двигателем 370
Содержание 375