Книга Тойота Марк 2 2000-2004, Марк 2 Блит 2002-2007, Веросса 2001-2004. Модели 2WD и 4WD с двигателями 1G-FE 2.0, 1JZ-GE 2.5, 1JZ-FSE 2.5 D-4. Электросхемы, диагностика. Руководство по ремонту и техническому обслуживанию автомобиля. Серия Профессионал.
Руководство по ремонту Toyota Mark II / Mark II Blit / Verossa, оборудованных бензиновыми двигателями 1G-FE (2,0 л), 1JZ-GE (2,5 л), 1JZ-FSE (2,5 л D-4). Рассмотрены заднеприводные и полноприводные модели автомобилей.
Издание содержит руководство по эксплуатации, описание систем, подробные сведения по техническому обслуживанию автомобиля; диагностике, ремонту и регулировке элементов систем двигателя (в. т.ч. систем впрыска топлива, электронного управления ТНВД (EFI), зажигания, запуска и зарядки), автоматических коробок переключения передач (АКПП), раздаточной коробки, тормозной системы (включая антиблокировочную систему тормозов (ABS), систему экстренного торможения (ВА), систему курсовой устойчивости (VSC) и противобуксовочную систему (TRC)), рулевого управления и подвески (в т.ч. системы изменения режима работы амортизаторов (TEMS)), кузовных элементов, систем кондиционирования и вентиляции (АС), системы пассивной безопасности (SRS).
Приведены инструкции по диагностике
9 электронных систем: управления двигателем, АКПП, раздаточной коробкой, ABS, VSC, TRC, TEMS, АС, SRS.
Описано
310 кодов неисправностей: P0, P1, B0, B1, C0, C1 и возможные причины их возникновения.
Приведены разъемы и процедуры проверки сигналов на выводах блоков управления различными системами - PinData.
Представлены
100 подробных электросхем (30 систем) для различных вариантов комплектации автомобилей, описание проверок большинства элементов электрооборудования.
Информация для профессиональной диагностики и ремонта электрооборудования различных систем автомобиля представлена в диагностической онлайн-системе MotorData. Используя быстрые переходы по интерактивным ссылкам, Вы сможете решить проблему быстрее и сэкономить время. Подробности на
MotorData.ru
Приведены возможные неисправности и методы их устранения, сопрягаемые размеры основных деталей и пределы их допустимого износа, рекомендуемые смазочные материалы, рабочие жидкости, необходимые для технического обслуживания, и размеры рекомендуемых шин и дисков.
Книга будет полезна как автовладельцам, начинающим и опытным, так и профессионалам авторемонта и диагностики. Автовладелец найдет для себя полезными: инструкцию по эксплуатации, техническое обслуживание (с периодичностью и необходимыми материалами), инструкции по самостоятельному ремонту. С распространением и доступностью средств диагностики автомобилей опытный автолюбитель сможет провести несложные операции по диагностике собственного автомобиля. В этом Вам поможет бесплатная версия программы
MotorData ELM. Профессионалам будут полезны: операции по сложному ремонту, допустимые размеры деталей, данные по диагностике и подробные схемы электрооборудования.
Книги серии "Профессионал" могут выручить Вас в дороге, если Вам придется пользоваться услугами автосервиса, незнакомого или малознакомого с особенностями модели Вашего автомобиля. Отдавая автомобиль на СТО, оставьте нашу книгу в бардачке, и в случае каких-либо затруднений автомеханик сможет воспользоваться ею, что значительно ускорит ремонт Вашего автомобиля. Качественное изложение материала позволяет сократить время обслуживания автомобиля и сделать его более эффективным.
Книга предназначена для автовладельцев, персонала СТО и ремонтных мастерских.
Книги издательства "Легион-Автодата" серии "Профессионал" рекомендованы к использованию в автосервисах двумя профессиональными сообществами: Союзом автомобильных диагностов и Ассоциацией диагностов, автоэлектриков и чиптюнеров – АДАКТ.
Скачать бесплатно
PDF страницы книги по ремонту и обслуживанию Toyota Mark 2 2000-2004, Mark 2 Blit 2002-2007, Verossa 2001-2004
Купить книгу по ремонту и эксплуатации автомобиля Toyota Mark 2 2000-2004, Mark 2 Blit 2002-2007, Verossa 2001-2004 с бензиновыми двигателями 1G-FE 2.0, 1JZ-GE 2.5, 1JZ-FSE 2.5 D-4, электросхемы Вы можете в нашем интернет-магазине с доставкой Почтой России или курьером по Москве.
Посмотреть содержаниеСокращения и условные обозначения 3
Идентификация 3
Технические характеристики двигателей, устанавливавшихся на Mark II / Verossa / Mark II Blit 3
Расшифровка кода модели 3
Общие инструкции по ремонту 4
Точки установки гаражного домкрата и лап подъемника 5
Руководство по эксплуатации 6
Блокировка дверей 6
Одометр и счетчик пробега 6
Тахометр 6
Указатель количества топлива 7
Указатель температуры охлаждающей жидкости 7
Индикаторы комбинации приборов 7
Часы 9
Стеклоподъемники 9
Световая сигнализация на автомобиле 11
Система коррекции положения фар 12
Фальшфейер 12
Капот 13
Крышка багажника 13
Лючок топливно-заливной горловины 13
Переключатель управления стеклоочистителем и омывателем 13
Регулировка положения рулевого колеса 13
Управление зеркалами 14
Выключатель системы подогрева боковых зеркал и антиобледенителя щеток очистителя лобового стекла 14
Регулировка положений сидений 14
Ремни безопасности 15
Меры предосторожности при эксплуатации автомобилей, оборудованных системой (SRS) 16
Люк 16
Управление отопителем и кондиционером 17
Освежитель воздуха 18
Магнитола - основные моменты эксплуатации 18
Выключатель управления "круиз-контролем" 20
Антиблокировочная тормозная система (ABS) 21
Противобуксовочная система (TRC) 21
Система курсовой устойчивости автомобиля (VSC) 21
Система изменения жесткости амортизаторов (TEMS) 22
Управление автомобилем с АКПП 22
Управление автомобилем с МКПП 23
Особенности трансмиссии моделей 4WD 23
Советы по вождению в различных условиях 23
Общие рекомендации 23
Буксировка автомобиля 23
Запуск двигателя 24
Неисправности двигателя во время движения 25
Запасное колесо, домкрат и инструменты 25
Поддомкрачивание автомобиля 26
Замена колеса 26
Замена на "докатку" 27
Рекомендации по выбору шин 27
Проверка давления и состояния шин 28
Замена шин 28
Особенности эксплуатации алюминиевых дисков 29
Замена дисков колес 29
Индикаторы износа накладок тормозных колодок 29
Каталитический нейтрализатор и система выпуска 29
Проверка и замена предохранителей 29
Замена ламп (Verossa) 30
Техническое обслуживание и общие процедуры проверки и регулировки 32
Интервалы обслуживания 32
Моторное масло и фильтр 32
Проверка и замена охлаждающей жидкости 33
Проверка и очистка воздушного фильтра 34
Проверка состояния аккумуляторной батареи 34
Проверка ремней привода навесных агрегатов 34
Проверка ремня привода ГРМ 35
Проверка свечей зажигания 35
Проверка угла опережения зажигания 35
Проверка частоты вращения холостого хода 36
Проверка давления конца такта сжатия 36
Проверка рабочей жидкости в АКПП 36
Замена фильтра АКПП 36
Замена рабочей жидкости в АКПП и раздаточной коробке 36
Проверка уровня масла в редукторе переднего моста 37
Проверка уровня масла в редукторе заднего моста 37
Проверка уровня рабочей жидкости гидроусилителя рулевого управления 37
Проверка уровня рабочей жидкости тормозной системы 37
Двигатель 1G-FE. Механическая часть 38
Проверка и регулировка зазоров в приводе клапанов 38
Снятие и установка двигателя (1G-FE) 40
Ремень привода ГРМ 41
Головка блока цилиндров 42
Блок цилиндров 45
Двигатели 1JZ-GE, 1JZ-FSE. Механическая часть 47
Проверка и регулировка зазоров в приводе клапанов (1JZ-GE) 47
Проверка и регулировка зазоров в приводе клапанов (1JZ-FSE) 49
Ремень привода ГРМ 49
Головка блока цилиндров 51
Блок цилиндров 57
Двигатель - общие процедуры ремонта 59
Головка блока цилиндров 59
Система VVT-i 66
Блок цилиндров 68
Система смазки 80
Проверка давления масла 80
Масляный поддон (1G-FE) 80
Масляный насос и масляный поддон (серия JZ) 81
Проверка масляного насоса 82
Система охлаждения 83
Насос охлаждающей жидкости (1G-FE) 83
Насос охлаждающей жидкости (1JZ-GE) 83
Насос охлаждающей жидкости (1JZ-FSE) 83
Проверка насоса охлаждающей жидкости 84
Термостат 84
Радиатор 85
Электровентилятор системы охлаждения 1JZ-GE 85
Система впрыска топлива (EFI) 86
Описание 86
Меры предосторожности 86
Система диагностирования 88
Система электронного управления 111
Система электронного управления дроссельной заслонкой (ETCS) 114
Система впрыска топлива (D-4) 115
Описание 115
Система диагностирования 116
Топливная система 124
Система подачи воздуха 127
Система электронного управления и система снижения токсичности 127
Система запуска 130
Стартер 130
Система зарядки 137
Меры предосторожности 137
Проверки на автомобиле 137
Генератор 137
Проверка генератора 139
Сборка генератора (80 А, 100 А) 140
Сборка генератора (130 А) 141
Автоматическая коробка передач 142
Общая информация 142
Предварительные проверки 142
Диагностика КПП 143
Система самодиагностики 143
Проверка элементов электрической части системы управления 143
Система блокирования селектора и ключа зажигания 152
Проверка механических систем КПП 152
Дорожный тест 154
Замена сальника карданного вала 156
Снятие и установка коробки передач в сборе 156
Проверка гидротрансформатора и пластины привода гидротрансформатора 157
Раздаточная коробка 158
Проверка давления рабочей жидкости 158
Диагностика 158
Проверка электрических компонентов 158
Замена сальника заднего карданного вала 160
Замена сальника переднего карданного вала 161
Карданный вал 162
Передний карданный вал (4WD) 162
Задний карданный вал 162
Редуктор переднего моста 164
Снятие и установка 164
Замена сальников приводных валов 164
Замена заднего сальника 164
Установка сальников приводных валов 165
Регулировка предварительного натяга подшипника 165
Редуктор заднего моста 166
Замена переднего сальника 166
Замена сальников приводных валов 166
Снятие и установка редуктора 168
Проверка биения фланца 168
Приводные валы 169
Снятие и установка передних приводных валов (модели 4WD) 169
Разборка передних приводных валов (модели 4WD) 170
Сборка передних приводных валов (модели 4WD) 171
Установка передних приводных валов (модели 4WD) 172
Снятие и установка задних приводных валов 172
Разборка задних приводных валов (1G-FE) 174
Разборка задних приводных валов (1JZ-GE, 1JZ-FSE) 175
Сборка задних приводных валов (1G-FE) 175
Сборка задних приводных валов (1JZ-GE, 1JZ-FSE) 176
Установка задних приводных валов 177
Подвеска 178
Предварительные проверки 178
Проверка и регулировка углов установки передних колес 178
Проверка и регулировка углов установки задних колес 179
Передняя подвеска 181
Амортизатор с пружиной 181
Верхний рычаг передней подвески 184
Нижний рычаг №1 передней подвески 184
Нижний рычаг №2 передней подвески 187
Нижняя шаровая опора 188
Стабилизатор поперечной устойчивости 189
Ступица передней оси и поворотный кулак 190
Задняя подвеска 194
Амортизатор с пружиной 194
Верхний рычаг задней подвески 196
Рычаг №1 задней подвески 196
Рычаг № 2 задней подвески 197
Рычаг регулировки схождения 197
Стабилизатор поперечной устойчивости 197
Ступица и кулак задней оси 198
Система изменения жесткости амортизаторов (TEMS) 201
Диагностика 201
Проверка компонентов 204
Датчики ускорения 206
Снятие и установка блока управления системой TEMS 206
Рулевое управление 207
Предварительные проверки 207
Рулевой механизм 208
Насос усилителя рулевого управления (1G-FE) 210
Насос усилителя рулевого управления (1JZ-GE, 1JZ-FSE) 210
Рулевая колонка 211
Тормозная система 214
Прокачка тормозной системы 214
Проверка и регулировка педали тормоза 214
Проверка и регулировка стояночного тормоза 214
Проверка толщины накладок тормозных колодок 215
Педаль тормоза 215
Главный тормозной цилиндр 215
Вакуумный усилитель тормозов 216
Передние тормоза 217
Задние тормоза 221
Стояночный тормозной механизм 222
Рычаг и тросы привода стояночного тормоза 223
Системы улучшения управляемости автомобиля (ABS, EBD и BA) 224
Описание 224
Проверка систем ABS и BA 224
Сброс кодов неисправности 228
Диагностика датчиков 228
Проверка управляющих реле 228
Модулятор давления 229
Датчики частоты вращения колес 229
Проверка датчика положения педали тормоза 230
Проверка цепи ABS 230
Системы улучшения управляемости автомобиля (ABS, TRC, BA и EBD) 235
Описание 235
Проверка системы ABS и TRC 235
Сброс кодов неисправности 239
Диагностика датчиков 239
Модулятор давления 239
Управляющие реле 239
Датчики частоты вращения передних колес и задних колес 239
Проверка датчика положения педали тормоза 240
Датчик давления в главном тормозном цилиндре 240
Проверка цепи ABS 240
Системы улучшения управляемости автомобиля (ABS, TRC, VSC, ВА и EBD) 243
Описание 243
Меры предосторожности при работе с системой VSC 243
Проверка систем ABS, TRC, VSC и BA 243
Сброс кодов неисправности 248
Диагностика датчиков 248
Диагностика датчиков системы VSC 248
Проверка управляющих реле 250
Модулятор давления 250
Датчики частоты вращения передних колес и задних колес 250
Проверка датчика положения педали тормоза 250
Датчик давления в главном тормозном цилиндре 250
Проверка цепи ABS 250
Система контроля за давлением в шинах 254
Кузов 255
Передний бампер 255
Задний бампер 255
Задний спойлер (Mark II) 256
Капот 256
Боковые двери 257
Багажник 263
Лобовое стекло 263
Заднее стекло 265
Люк 266
Панель приборов 267
Отделка крыши 271
Кондиционер, отопление и вентиляция 275
Меры безопасности при работе с хладагентом 275
Вакуумирование, зарядка и проверка системы 275
Проверка количества хладагента 277
Линии охлаждения 277
Панель управления кондиционером и отопителем и блок управления кондиционером 277
Вентилятор отопителя в сборе 280
Блок кондиционера и отопителя 280
Компрессор кондиционера и электромагнитная муфта 282
Конденсатор 284
Очиститель воздуха (Mark II) 284
Диагностика и проверка электрических элементов 285
Система безопасности (SRS) 292
Меры предосторожности при эксплуатации и проведении ремонтных работ 292
Разъемы 292
Диагностика системы 292
Неисправность блока управления SRS 294
Низкое напряжение питания 295
Подушка безопасности водителя 295
Подушка безопасности пассажира 296
Боковые подушки безопасности 296
Шторки безопасности 296
Боковые датчики SRS 296
Передние датчики SRS 296
Задние датчики SRS 297
Преднатяжитель ремня безопасности. 297
Блок управления SRS 297
Электрооборудование кузова 298
Общая информация 298
Реле и предохранители 300
Комбинация приборов 310
Зуммеры 313
Замок зажигания 314
Освещение 314
Стеклоочистители и стеклоомыватели 323
Электрические стеклоподъемники 327
Центральный замок 332
Дистанционный замок 333
Электропривод люка 336
Электропривод сидений 336
Система регулировки положения зеркал 338
Система поддержания скорости (круиз-контроль) 340
Система заднего обзора 344
Аудиосистема и система навигации 349
Система Multivision 354
Multiplex 355
Иммобилайзер 355
Система предупреждения об оставленном ключе в замке зажигания 359
Звуковой сигнал 359
Схемы электрооборудования 360
Обозначения, применяемые на схемах электрооборудования 360
Коды цветов проводов 360
Расположение точек заземления 360
Схема 1. Распределение электропитания 361
Схема 2. Система зарядки 362
Схема 3. Система запуска 363
Схема 4. Система зажигания (модели с двигателем 1G-FE) 364
Схема 5. Система зажигания (модели с двигателями 1JZ-GE и 1JZ-GTE) 365
Схема 6. Система зажигания (модели с двигателем 1JZ-FSE) 366
Схема 7. Система управления двигателем (модели с двигателем 1G-FE). Усилитель рулевого управления 367 - 369
Схема 8. Система управления двигателем (модели с двигателем 1JZ-GE) 370 - 372
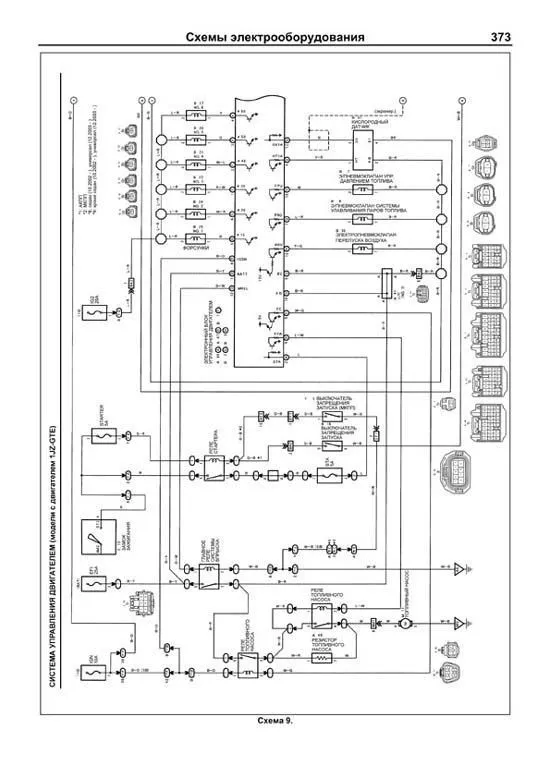
Схема 9. Система управления двигателем (модели с двигателем 1JZ-GTE). Блокировка переключения 373 - 376
Схема 10. Система управления двигателем (модели с двигателем 1JZ-FSE) 377 - 380
Схема 11. Электропривод вентиляторов (модели с двигателем 1JZ-GE). Электропривод вентиляторов (модели с двигателем 1JZ-GTE) 381
Схема 12. Система электронного управления АКПП (модели с двигателем 1G-FE) 382 - 383
Схема 13. Система электронного управления АКПП (модели с двигателем 1JZ-GE) 384 - 385
Схема 14. Система электронного управления АКПП (модели с двигателем 1JZ-GTE) 386 - 387
Схема 15. Система электронного управления АКПП (модели с двигателем 1JZ-FSE) 388 - 390
Схема 16. Антиблокировочная система тормозов (модели 2WD без TRC и без VSC) 391 - 392
Схема 17. Антиблокировочная система тормозов (модели 4WD). Электропривод люка 393 - 395
Схема 18. Антиблокировочная система тормозов (модели с TRC и с VSC) 396 - 398
Схема 19. Система SRS. Часы 399 - 400
Схема 20. Система TEMS. Система MULTIPLEX 401 - 402
Схема 21. Система MULTIPLEX 403 - 404
Схема 22. Центральный замок (седан) 405 - 406
Схема 23. Электропривод стеклоподъемников (модели выпуска до 05.2003 г.) 407
Схема 24. Электропривод зеркал. Звуковой сигнал 408
Схема 25. Обогреватель зеркал и антиобледенитель щеток 409
Схема 26. Система предупреждения об оставленном в замке зажигания ключе 410
Схема 27. Система иммобилайзера 411
Схема 28. Система ослабления натяжения и система предупреждения о непристегнутом ремне безопасности 412
Схема 29. Электропривод сиденья водителя. Электропривод сиденья пассажира 413
Схема 30. Комбинация приборов 414 - 417
Схема 31. Аудиосистема (кроме седана выпуска с 12.2003 г.) 418 - 421
Схема 32. Очиститель и омыватель лобового стекла 422
Схема 33. Очиститель и омыватель заднего стекла (седан) 423
Схема 34. Фары (седан) 424
Схема 35. Противотуманные фары и задние противотуманные фонари (седан) 425
Схема 36. Система автоматического управления освещением 426
Схема 37. Указатели поворота и аварийная сигнализация (седан). Прикуриватель 427
Схема 38. Лампы освещения при повороте. Габариты (седан) 428
Схема 39. Стоп-сигналы (седан). Фонари заднего хода (седан) 429
Схема 40. Освещение салона (седан) 430 - 431
Схема 41. Подсветка. Очиститель воздуха (верхний) 432 - 433
Схема 42. Кондиционер с автоматическим управлением. Очиститель воздуха (задний) 434 - 435
Схема 43. Система поддержания скорости. Разъем для подключения дополнительного оборудования 436 - 437
Схема 44. Обогреватель заднего стекла (седан). Система MULTIPLEX (привод задней двери – универсал) 438
Схема 45. Центральный замок (универсал) 439 - 441
Схема 46. Система доводчика задней двери "Easy Close" (универсал). Очиститель и омыватель заднего стекла (универсал) 442
Схема 47. Фары (универсал) 443
Схема 48. Противотуманные фары и задние противотуманные фонари (универсал) 444
Схема 49. Указатели поворота и аварийная сигнализация (универсал) 445
Схема 50. Габариты (универсал) 446
Схема 51. Стоп-сигналы (универсал). Фонари заднего хода (универсал) 447
Схема 52. Освещение салона (универсал) 448 - 449
Схема 53. Обогреватель заднего стекла (универсал) 450
Схема 54. Система парковки (седан, модели выпуска с 10.2002 г.) 451 - 452
Схема 55. Электропривод стеклоподъемников (модели выпуска с 05.2003 г.) 453 - 454
Схема 56. Аудиосистема (седан, модели выпуска с 12.2003 г.) 455 - 458
Схемы электрооборудования (отличия для Verossa) 459
Схема 1. Фары 459
Схема 2. Противотуманные фары и задние противотуманные фонари 460
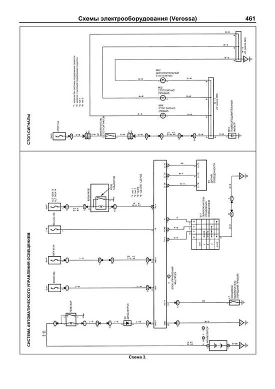
Схема 3. Система автоматического управления освещением. Стоп-сигналы 461
Содержание 462