Книга Toyota Land Cruiser 100, Lexus LX470 1998-2007, рестайлинг c 2002 бензин, электросхемы. Руководство по ремонту и эксплуатации автомобиля. Профессионал. 2 тома. Легион-Aвтодата
- Артикул: 2785 - назовите при заказе по телефону
- Издательство: Легион-Aвтодата
- ISBN: 5-88850-265-0
- Число страниц: 846
- Формат: А4
- Переплет: Мягкий
- Год выпуска: 1998-07
- V бенз дв: 4.7
Руководство по ремонту Toyota Land Cruiser 100 & Lexus LX 470 1998-2007 гг. выпуска, оборудованных бензиновым двигателем 2UZ-FE (4,7 л V8). В издание дополнительно включены сведения по рестайлинговым моделям Toyota Land Cruiser 100 & Lexus LX 470 с 2002 года выпуска.
Издание содержит руководство по эксплуатации, подробные сведения по техническому обслуживанию автомобилей, диагностике, ремонту и регулировке элементов систем двигателя (в т.ч. системы впрыска топлива, снижения токсичности, зажигания, запуска и зарядки), элементов автоматических коробок передач (АКПП), раздаточной коробки (включая систему блокировки межосевого дифференциала), элементов тормозной системы (включая гидравлический усилитель тормозов, антиблокировочную систему тормозов (ABS), противобуксовочную систему (TRC) и систему курсовой устойчивости (VSC)), рулевого управления (включая систему изменения передаточного отношения рулевого управления (VGRS)), переднего редуктора, редуктора заднего моста (включая систему блокировки заднего дифференциала), подвески (включая активную систему управления высотой расположения кузова (AHC) и систему изменения жесткости амортизаторов (TEMS)), кузовных элементов (в т.ч. кузовные размеры), систем кондиционирования и вентиляции.
Приведены инструкции по диагностике 16 электронных систем: управления двигателем, АКПП, AHC, TEMS, VGRS, ABS, TRC, VSC, системы кондиционирования (AC), SRS, иммобилайзера, поддержания скорости (cruise control), аудио-системы, рулевой колонки с электроприводом, системы Multivision, системы передачи данных Multiplex.
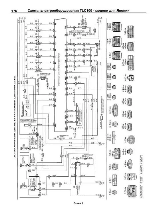
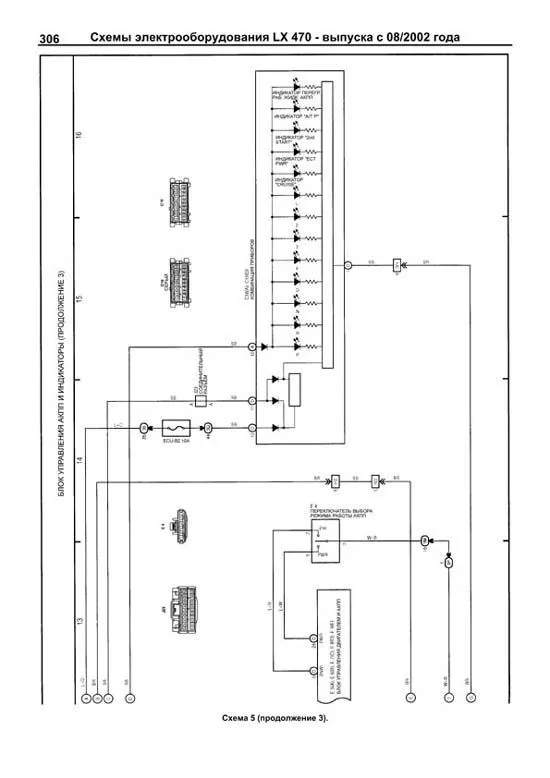
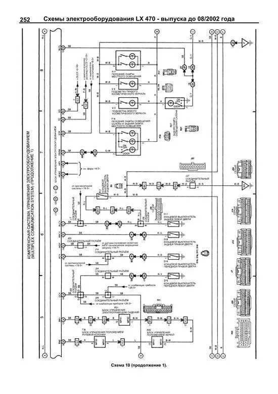
Представлена 421 подробная электросхема (251 система) для различных вариантов комплектации автомобилей для рынков Европы, Японии, США, стран основного экспорта, приведено описание большинства элементов электрооборудования.
Подробно описаны 619 кодов неисправностей P0, P2, Р1, C0, С1, В0, B1, В2, Flash; условия их возникновения и возможные причины неисправностей.
Приведены разъемы и процедуры проверки сигналов на выводах блоков управления различными системами - PinData.
В разделе «Полезные ссылки» подобраны и отсортированы ссылки (в виде QR-кодов и url-ссылок) на интернет-ресурсы, содержащие наиболее интересную и грамотную информацию по Вашему автомобилю.
Информация для профессиональной диагностики и ремонта электрооборудования различных систем автомобиля представлена в диагностической онлайн-системе MotorData. Используя быстрые переходы по интерактивным ссылкам, Вы сможете решить проблему быстрее и сэкономить время. Подробности на MotorData.ru
Приведены возможные неисправности и методы их устранения, сопрягаемые размеры основных деталей и пределы их допустимого износа, рекомендуемые смазочные материалы, рабочие жидкости, необходимые для технического обслуживания, размеры рекомендуемых и допускаемых шин и дисков.
Книга будет полезна как автовладельцам, начинающим и продвинутым, так и профессионалам авторемонта и диагностики. Автовладелец найдет для себя полезными: инструкцию по эксплуатации, техническое обслуживание (с периодичностью и необходимыми материалами), инструкции по самостоятельному ремонту. С распространением и доступностью средств диагностики автомобилей продвинутый автолюбитель сможет провести несложные операции по диагностике собственного автомобиля. В этом Вам поможет бесплатная версия программы MotorData ELM. Профессионалам будут полезны: операции по сложному ремонту, допустимые размеры деталей, адаптации и сброс настроек, необходимые после ремонта, данные по диагностике и подробные схемы электрооборудования.
Книги серии "Профессионал" могут выручить вас в дороге, если вам придется пользоваться услугами автосервиса, незнакомого или малознакомого с особенностями модели вашего автомобиля. Отдавая автомобиль на СТО, оставьте нашу книгу в автомобиле, и в случае каких-либо затруднений автомеханик сможет воспользоваться ею, что значительно ускорит ремонт Вашего автомобиля. Качественное изложение материала позволяет сократить время обслуживания автомобиля и сделать его более эффективным.
Книга предназначена для автовладельцев, персонала СТО и ремонтных мастерских.
Книги издательства "Легион-Автодата" серии "Профессионал" рекомендованы к использованию в автосервисах двумя профессиональными сообществами: Союзом автомобильных диагностов и Ассоциацией диагностов, автоэлектриков и чиптюнеров – АДАКТ.
Скачать бесплатно PDF страницы книги по ремонту и обслуживанию Toyota Land Cruiser 100, Lexus LX470 1998-2007, рестайлинг c 2002. 2 тома бензин
Купить книгу по ремонту и эксплуатации автомобиля Toyota Land Cruiser 100, Lexus LX470 1998-2007 с бензиновым двигателем 2UZ-FE 4.7, рестайлинг c 2002, электросхемы, 2 тома Вы можете в нашем интернет-магазине с доставкой Почтой России или курьером по Москве.
Рекомендуем
Похожие товары
Вы смотрели
Интернет-портал Легион-Автодата создан для удобных покупок: автолитературы, программ для диагностики автомобиля, диагностических приборов, адаптеров elm327, автоаксессуаров и инструментов для авторемонта. Купить книги и приборы для диагностики и ремонта автомобиля Вы можете в нашем интернет магазине.
Удобно оплатить руководства по ремонту и эксплуатации выбранных Вами марок авто любой из платежных систем.
Заказать доставку автокниги почтой без предоплаты, курьером по Москве, регионам и в более 200 пунктов самовывоза по всей России.



















