Книга Митсубиси Паджеро 2 1991-2002 с дизельными двигателями 4D56 2.5 и 4M40 2.8. Электросхемы, каталог расходных запчастей, характерные неисправности, диагностика. Руководство по ремонту и техническому обслуживанию автомобиля. Серия Профессионал.
В руководстве дается пошаговое описание процедур по эксплуатации, ремонту и техническому обслуживанию автомобилей Mitsubishi Pajero 1991-2002 гг. выпуска с левосторонним и правосторонним рулевым управлением, оборудованных дизельными двигателями 4D56 (2,5 л) и 4M40 (2,8 л).
Приведены инструкции по диагностике
4 электронных систем: управления двигателем, АКПП, ABS, SRS.
Подробно описаны
67 Flash кодов неисправностей; возможные причины их возникновения.
Приведены разъемы и процедуры проверки сигналов на выводах блоков управления различными системами - PinData.
Представлены
116 электросхем (55 систем) для различных вариантов комплектации (в т.ч. дополнения для праворульных моделей), приведено описание большинства элементов электрооборудования.
Информация для профессиональной диагностики и ремонта электрооборудования различных систем автомобиля представлена в диагностической онлайн-системе MotorData. Используя быстрые переходы по интерактивным ссылкам, Вы сможете решить проблему быстрее и сэкономить время. Подробности на
MotorData.ru
Приведены возможные неисправности и методы их устранения, сопрягаемые размеры основных деталей и пределы их допустимого износа, рекомендуемые смазочные материалы, рабочие жидкости и
каталожные номера расходных запчастей, необходимых для технического обслуживания. Представленные характерные неисправности моделей Mitsubishi Pajero и способы их устранения помогут Вам при эксплуатации автомобиля.
Книга будет полезна как автовладельцам, начинающим и продвинутым, так и профессионалам авторемонта и диагностики. Автовладелец найдет для себя полезными: инструкцию по эксплуатации, техническое обслуживание (с периодичностью и необходимыми материалами), неисправности, наиболее характерные для данного автомобиля, каталог наиболее часто востребованных запасных частей, инструкции по самостоятельному ремонту. Профессионалам будут полезны: операции по сложному ремонту, допустимые размеры деталей, данные по диагностике и подробные схемы электрооборудования.
Помимо существенной помощи в самостоятельном ремонте, книги серии "Профессионал" могут выручить Вас в дороге, если Вам придется пользоваться услугами автосервиса, незнакомого или малознакомого с особенностями модели Вашего автомобиля. Отдавая автомобиль на СТО, оставьте нашу книгу в бардачке, и, в случае каких-либо затруднений, автомеханик сможет воспользоваться ею, что значительно ускорит ремонт Вашего автомобиля. Качественное изложение материала позволяет сократить время обслуживания автомобиля и сделать его более эффективным.
Скачать бесплатно
PDF страницы книги по ремонту и обслуживанию Mitsubishi Pajero 2 1991-2002 дизель
Купить книгу по ремонту и эксплуатации автомобиля Mitsubishi Pajero 2 1991-2002 с дизельными двигателями 4D56 2.5 и 4M40 2.8, каталог расходных запчастей, электросхемы Вы можете в нашем интернет-магазине с доставкой Почтой России или курьером по Москве.
Посмотреть содержаниеБыстрые ссылки на страницы книги 3
Характерные неисправности автомобилей MITSUBISHI PAJERO II 4
Руководство по эксплуатации 12
Контрольно-измерительные приборы и органы управления 12
Индикаторы и контрольные лампы 16
Запуск и вождение 17
Управление автомобилем с АКПП 18
Система полного привода SUPER SELECT 20
Система полного привода PART TIME 21
Блокировка заднего дифференциала 22
Рекомендации по использованию полного привода (4WD) 23
Стояночный тормоз 23
Тормозная система 24
Намокание тормозов 24
Антиблокировочная система тормозов (ABS) 24
Действия при аварии 24
Удаление воды из топливного фильтра 26
Пуск двигателя от внешнего источника тока 26
Плавкие предохранители 26
Замена ламп 27
Диски и шины 27
Указатели износа тормозных накладок 28
Идентификация 28
Техническое обслуживание и общие процедуры проверок и регулировок 29
Интервалы обслуживания 29
Правила выполнения работ в моторном отсеке 29
Проверка состояния моторного масла 31
Замена моторного масла 31
Замена масляного фильтра 31
Проверка воздушного фильтра 31
Проверка охлаждающей жидкости 31
Замена охлаждающей жидкости 32
Замена топливного фильтра 32
Удаление воды из топливного фильтра 32
Удаление воздуха из топливопроводов 32
Проверка состояния аккумуляторной батареи 33
Проверка и регулировка ремней привода навесных агрегатов 33
Проверка и регулировка частоты вращения холостого хода 34
Проверка и регулировка системы повышения частоты вращения холостого хода (модели без системы EFI) 34
Проверка и регулировка угла опережения впрыска топлива (модели без системы EFI) 35
Проверка и регулировка зазоров в приводе клапанов (двигатель 4D56) 37
Проверка и регулировка зазоров в приводе клапанов (двигатель 4M40) 38
Проверка компрессии 39
Проверка состояния ремней привода ГРМ и балансирного механизма (двигатель 4D56) 39
Регулировка натяжения ремня привода ГРМ (двигатель 4D56) 40
Регулировка натяжения ремня привода балансирного механизма (двигатель 4D56) 40
Проверка уровня тормозной жидкости 40
Проверка уровня жидкости гидропривода сцепления 41
Проверка уровня жидкости гидросистемы усилителя рулевого управления 41
Проверка состояния и уровня масла (ATF) в автоматической КПП 41
Проверка уровня масла в МКПП и раздаточной коробке 41
Замена масла в МКПП и раздаточной коробке 41
Проверка уровня масла в картерах переднего и заднего дифференциалов 42
Заправка системы кондиционирования 42
Проверка уровня жидкости для омывателей 42
Дополнительные проверки 43
Расположение упоров для подъема автомобиля 44
Каталог расходных запасных частей 45
Общая информация 45
Каталожные номера оригинальных запасных частей, используемых при техническом обслуживании автомобиля 45
Каталожные номера оригинальных запасных частей, наиболее часто используемых при ремонте автомобиля 46
Двигатель 4D56 - Механическая часть 64
Общая информация 64
Замена ремня привода ГРМ и ремня привода балансирного механизма 64
Замена сальников 67
Замена прокладки головки цилиндров 69
Двигатель в сборе 71
Звездочки привода ГРМ и балансирного механизма 72
Ось коромысел и распределительный вал 73
Головка цилиндров, клапаны и пружины клапанов 75
Передняя крышка распределительных шестерен и балансирный механизм 77
Поршень и шатун 80
Коленчатый вал, маховик (механическая КПП) и пластина привода гидротрансформатора (автоматическая КПП) 82
Блок цилиндров 84
Двигатель 4M40 - Механическая часть 86
Общая информация 86
Замена сальников коленчатого вала 86
Замена прокладки головки цилиндров 88
Двигатель в сборе 90
Крышка головки цилиндров и головка цилиндров в сборе 91
Распределительный вал и клапаны 93
Вакуумный насос 98
Крышка распределительных шестерен 99
Распределительные шестерни и уравновешивающие валы 100
Поршень и шатун 104
Поршень и поршневой палец 107
Маховик (автомобили с механической КПП) 109
Пластина привода гидротрансформатора (автомобили с автоматической КПП) 109
Коленчатый вал и блок цилиндров 110
Опоры силового агрегата и опоры переднего дифференциала 115
Система охлаждения 117
Общая информация 117
Проверки и регулировки на автомобиле 117
Вентилятор 118
Радиатор 119
Термостат 119
Насос охлаждающей жидкости 121
Датчик на указатель и датчик-выключатель температуры охлаждающей жидкости 123
Шланги и трубки системы охлаждения 123
Система смазки 125
Общая информация 125
Датчики и клапаны 126
Маслоохладитель двигателя 4M40 127
Маслоохладитель двигателя 4D56 128
Масляный поддон и маслозаборник 129
Масляные форсунки 130
Масляный насос (4M40) 130
Масляный насос (4D56) 131
Системы впуска, выпуска и турбонаддува 133
Общая информация 133
Проверка давления наддува двигателя 4D56 133
Проверка привода клапана перепуска отработавших газов 133
Проверка системы управления давлением наддува (автомобили с электронным управлением давлением наддува) 134
Промежуточный охладитель наддувочного воздуха 134
Впускной и выпускной коллекторы 136
Турбокомпрессор 138
Трубы системы выпуска и глушитель 140
Топливная система 141
Проверка и регулировка троса педали акселератора 141
Проверка работы ТНВД 141
Проверка и регулировка форсунок 142
Проверка системы повышения частоты вращения холостого хода 142
Топливные форсунки <4D56, 4M40> 143
Топливный насос высокого давления двигателя 4D56 145
Топливный насос высокого давления двигателя 4M40 146
Разборка ТНВД 147
Проверка деталей ТНВД 152
Сборка ТНВД 153
Регулировка ТНВД 157
Основные операции 157
Проверка и регулировка системы управления прогревом (модели с двигателем 4M40) 159
Регулировка датчика положения рычага управления ТНВД 159
Таблицы технических данных для проверки ТНВД 160
Топливный бак 161
Трос педали акселератора и педаль акселератора 162
Топливопроводы 163
Система рециркуляции отработавших газов 165
Общая информация 165
Клапаны и датчики сис-темы рециркуляции ОГ 165
Блок управления системой облегчения пуска и рециркуляцией ОГ (модели без системы EFI) 166
Система зарядки 168
Общая информация 168
Меры предосторожности 168
Проверка падения выходного напряжения генератора 168
Проверка тока отдачи генератора 168
Проверка регулируемого напряжения 169
Генератор в сборе 170
Генератор и вакуумный насос (4D56) 170
Система запуска 173
Общая информация 173
Проверки и регулировки стартера (4D56) 173
Стартер (4D56) 174
Система облегчения пуска "Super Quick Glow" 175
Система облегчения пуска "Auto Glow" 178
Система облегчения пуска "Self-Regulating Glow" 179
Свечи накаливания 181
Сцепление 182
Проверка и регулировка педали сцепления 182
Удаление воздуха из гидропривода сцепления 183
Педаль сцепления 184
Гидропривод сцепления 184
Главный цилиндр гидропривода сцепления 184
Механическая коробка передач 185
Проверка датчиков 185
Проверка блока управления полным приводом (4WD) 185
Замена сальников раздаточной коробки 186
Замена троса привода спидометра 186
Рычаг переключения передач и рычаг управления раздаточной коробкой 186
Коробка передач и раздаточная коробка в сборе 187
Автоматическая коробка передач 190
Предварительные проверки 190
Диагностика КПП 190
Система самодиагностики (V4AW3) 191
Проверка механических систем КПП 193
Проверка основных компонентов системы управления коробкой передач и раздаточной коробкой 197
Проверка компонентов электронной системы управления АКПП V4AW3 198
Замена сальников раздаточной коробки 201
Механизм управления коробкой передач и раздаточной коробкой 201
Рычаг селектора в сборе 202
Маслоохладитель АКПП 203
АКПП и раздаточная коробка в сборе 204
Карданный вал 207
Передний мост 209
Проверка общего зазора в переднем дифференциале 209
Проверка уровня масла в картере дифференциала 209
Проверка осевого зазора вала привода колеса 209
Замена сальника картера дифференциала 210
Проверка работы электромагнитных клапанов системы подключения моста 210
Ступица переднего колеса - снятие и установка 211
Ступица переднего колеса - разборка и сборка 213
Ступица подключения привода колеса с автоматическим управлением 213
Ступица подключения привода колеса с ручным управлением 215
Поворотный кулак 216
Вал привода колеса 217
Вал привода левого колеса - разборка и сборка 218
Внутренний приводной вал - снятие и установка 219
Внутренний приводной вал - разборка и сборка 219
Электромагнитный клапан и вакуумные шланги системы подключения моста 220
Картер дифференциала и муфта подключения моста - снятие и установка 221
Муфта подключения моста - разборка и сборка 222
Картер дифференциала 223
Задний мост 226
Проверка общего зазора в заднем дифференциале 226
Проверка осевого зазора полуоси 226
Проверка уровня масла в картере дифференциала 226
Измерение предварительного натяга дифференциала повышенного трения 226
Замена сальника балки заднего моста 227
Проверка датчика включения блокировки заднего дифференциала 227
Проверка герметичности системы блокировки заднего дифференциала 227
Задний мост в сборе 227
Полуось 228
Система блокировки заднего дифференциала 230
Картер дифференциала 233
Передняя подвеска 236
Проверка и регулировка углов установки колес 236
Амортизаторы и верхний рычаг 236
Нижний рычаг 237
Торсион 239
Стабилизатор поперечной устойчивости 240
Система управления режимами работы амортизаторов 241
Задняя подвеска 243
Проверка углов установки задних колес 243
Нижний рычаг 243
Амортизатор и поперечная тяга 244
Пружина и буфер хода сжатия 244
Стабилизатор поперечной устойчивости 245
Рулевое управление 246
Проверка люфта рулевого колеса 246
Проверка зазора в зацеплении рулевого механизма 246
Проверка осевого зазора в шаровом шарнире (наконечника боковой рулевой тяги и рулевой сошки) 246
Проверка угла поворота управляемых колес 246
Проверка самостоятельного возврата рулевого колеса в нейтральное положение 246
Замена жидкости 247
Удаление воздуха из гидросистемы усилителя рулевого управления 247
Проверка давления насоса гидроусилителя 247
Проверка давления удерживания шестерен рулевого механизма 247
Проверка датчика-выключателя давления жидкости в гидросистеме усилителя рулевого управления 248
Вал рулевого управления и рулевая колонка 248
Вал рулевого управления 249
Рулевой механизм 251
Насос гидроусилителя рулевого управления 254
Рычаги и тяги рулевого управления 255
Шланги гидросистемы усилителя рулевого управления 257
Тормозная система 258
Проверка и регулировка педали тормоза 258
Проверка работы вакуумного усилителя тормозов 258
Проверка работы обратного клапана 258
Проверка датчика уровня тормозной жидкости 258
Проверка датчика разрежения вакуумного усилителя тормозов 259
Проверка регулятора давления задних тормозов 259
Удаление воздуха из гидропривода тормозов 259
Проверка тормозной колодки дискового тормоза 260
Проверка передних дисковых тормозов 260
Проверка задних дисковых тормозов 261
Проверка барабанного стояночного тормоза 262
Педаль тормоза 263
Главный тормозной цилиндр и вакуумный усилитель тормозов 263
Передние дисковые тормоза 265
Задние дисковые тормоза 267
Магистрали тормозной системы 268
Антиблокировочная система тормозов (ABS) 269
Поиск неисправностей 269
Проверки и регулировки 272
Гидравлический блок ABS 275
Датчик ускорения 276
Датчик частоты вращения колеса 276
Электронный блок управления ABS 277
Стояночный тормоз 278
Проверка и регулировка хода рычага стояночного тормоза 278
Проверка выключателя контрольной лампы стояночного тормоза 278
Приработка фрикционных накладок 278
Рычаг стояночного тормоза 279
Трос привода стояночного тормоза 279
Стояночный тормоз 280
Кузов 281
Проверки и регулировки 281
Лючок заливной горловины топливного бака 281
Крыло 282
Ветровое стекло 282
Стекло окна задней боковины кузова 284
Стекло задней двери 284
Боковая дверь в сборе 285
Облицовка боковой двери и водонепроницаемая пленка 286
Стекло боковой двери и стеклоподъемник 287
Замок и ручка боковой двери 288
Направляющий желобок стекла двери и уплотнитель боковой двери 290
Задняя дверь в сборе 292
Облицовка задней двери и водонепроницаемая пленка 292
Замок и ручка задней двери 292
Наружные элементы кузова 293
Передний бампер 293
Задний бампер 294
Очиститель и омыватель ветрового стекла 294
Очиститель и омыватель заднего стекла 296
Подогреватель щеток очистителя ветрового стекла 298
Омыватель фар 299
Боковое зеркало заднего вида 300
Накладки и молдинги <кроме моделей с боковыми накладками и накладками крыльев> 301
Боковые накладки и накладки крыльев 301
Задний спойлер, опоры багажника крыши, боковая подножка и дуга защиты порога 304
Интерьер 305
Панель приборов 305
Облицовка 306
Переднее сиденье 306
Дополнительная система пассивной безопасности (SRS) 308
Общая информация 308
Меры безопасности при техническом обслуживании системы SRS 308
Поиск неисправностей 309
Техническое обслуживание системы SRS 310
Предупреждающие этикетки 311
Модуль подушки безопасности и часовая пружина 312
Электронный блок управления SRS 314
Отопитель, кондиционер и система вентиляции 315
Меры техники безопасности при техническом обслуживании и ремонте 315
Проверка силового реле заднего отопителя 316
Панель управления отопителем в сборе 316
Переключатель электровентилятора заднего отопителя 317
Отопитель 318
Электровентилятор отопителя в сборе 318
Воздуховоды системы вентиляции (панели приборов и напольные) 319
Задний отопитель 319
Поиск неисправностей 321
Основные проверки 321
Работы с системой кондиционирования <хладагент R-12> 325
Работы с системой кондиционирования <хладагент R-134a> 327
Устранение утечек хладагента 330
Датчик-выключатель по температуре охлаждающей жидкости двигателя 330
Датчик-выключатель полностью закрытого положения рычага управления ТНВД <автомобили с АКПП> 330
Конденсор и вентилятор конденсора 330
Трубопроводы системы кондиционирования 332
Компрессор и ролик натяжителя ремня привода компрессора 332
Электрооборудование шасси 334
Аккумуляторная батарея 334
Замок зажигания 334
Проверка измерителей и указателей на автомобиле 335
Комбинация приборов 336
Блок дополнительных указателей 337
Датчик магнитного поля, датчик температуры воздуха в салоне и датчик температуры наружного воздуха 337
Фара головного света и передний комбинированный фонарь 338
Фонари освещения номерного знака 339
Задний комбинированный фонарь 339
Декоративная крышка фонарей освещения номерного знака 339
Реле 340
Резистор (на автомобилях с лампами ближнего / дальнего света фар) 340
Зуммер предупреждения о включенном освещении 340
Выключатели наружных осветительных приборов 340
Реостат 341
Подрулевой комбинированный переключатель 341
Прикуриватель 342
Разъем включения дополнительного оборудования 342
Аудиосистема - методики поиска неисправностей по их признакам 343
Магнитная антенна и кабель-фидер 344
Выдвижная антенна с электроприводом и кабель-фидер 344
Обогреватель заднего стекла 345
Схемы электрооборудования 346
Пояснения к схемам электрооборудования 346
Схемы электрооборудования 349
Система электропитания 349
Система пуска двигателя 350
Система зарядки 350
Система облегчения пуска двигателя 351
Электронная система управления АКПП (ELC-4A/T) 353
Корректор фар головного света 354
Фары 355
Фары головного света 355
Задние габариты, передние габариты, подсветка номерного знака 356
Задние противотуманные фонари 357
Освещение салона 357
Стоп-сигналы 359
Подсветка личинки замка зажигания 360
Указатели поворота и аварийная сигнализация 360
Фонари заднего хода 361
Звуковой сигнал 361
Измерители и указатели 362
Контрольные лампы 363
Блок дополнительных указателей 363
Электропривод стеклоподъемников 364
Стеклоподъемники с электроприводом 365
Система центральной блокировки замков дверей 367
Отопитель 368
Обычный кондиционер 372
Двойной кондиционер 374
Очиститель и омыватель ветрового стекла 381
Очиститель и омыватель заднего стекла 382
Омыватель фар головного света 383
Система управления боковыми зеркалами заднего вида 383
Обогреватель заднего стекла и обогреватели боковых зеркал 383
Подогреватель щеток очистителя ветрового стекла 384
Радио и магнитола 384
Прикуриватель 388
Часы 389
Разъем включения дополнительного оборудования 389
Люк крыши 389
Система блокировки заднего дифференциала 390
Вентилятор промежуточного охладителя наддувочного воздуха 391
Система подключения привода переднего моста 391
Система управления режимами работы амортизаторов 392
Дополнительная система пассивной безопасности (SRS) 392
Система поддержания постоянной скорости (AUTO-CRUISE) 393
Электропривод (регулировки) сидений 395
Обогреватели сидений 396
Система управления повышающей передачей (V4AW2) 396
Антиблокировочная система тормозов (ABS) 397
Зуммер предупреждения о включенном освещении 399
Подогреватель топливопроводов 399
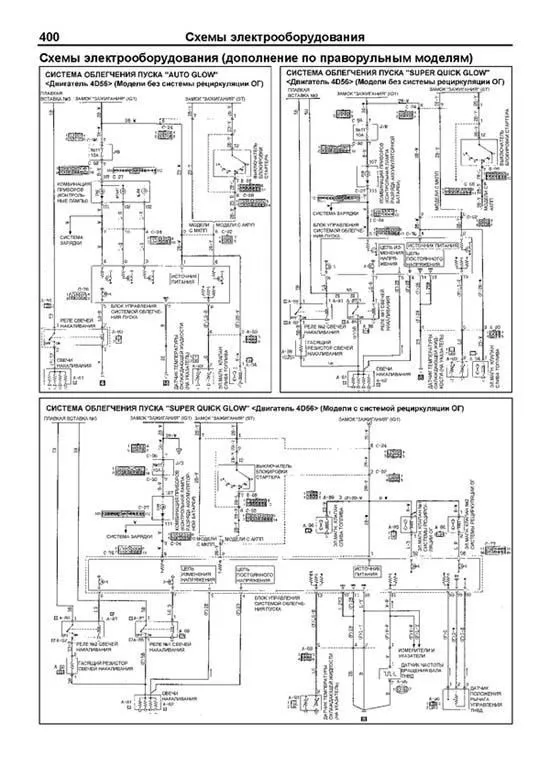
Схемы электрооборудования (дополнение по праворульным моделям) 400
Система облегчения пуска "Auto glow" <Двигатель 4D56> (Модели без системы рециркуляции ОГ) 400
Система облегчения пуска "Super Quick Glow" <Двигатель 4D56> (Модели без системы рециркуляции ОГ) 400
Система облегчения пуска "Super Quick Glow" <Двигатель 4D56> (Модели с системой рециркуляции ОГ) 400
Система облегчения пуска <Двигатель 4D56> (Модели без электромагнитного клапана управления давлением наддува) 401
Система облегчения пуска <Двигатель 4D56> (Модели с электромагнитным клапаном управления давлением наддува) 401
Система облегчения пуска <Двигатель 4М40> (Модели без системы рециркуляции ОГ) 402
Система облегчения пуска <Двигатель 4М40> (Модели с системой рециркуляции ОГ) 402
Дополнения 403
Двигатель 4M40 с электронным управлением 403
Кузовные размеры 413
Сокращения и условные обозначения 417
Содержание 417