Книга Mitsubishi Pajero Sport 2008-2015 бензин, дизель, электросхемы, каталог запчастей. Руководство по ремонту и эксплуатации автомобиля. Профессионал. Легион-Aвтодата
- Артикул: 4515 - назовите при заказе по телефону
- Издательство: Легион-Aвтодата
- ISBN: 978-5-88850-547-2
- Число страниц: 612
- Формат: А4
- Переплет: Мягкий
- Год выпуска: 2008-15
- V бенз дв: 3.0
- V диз дв: 2.5; 3.2
Руководство по ремонту Mitsubishi Pajero Sport 2008-2015 гг выпуска, оборудованных бензиновым 6В31 (3,0 л) и дизельными 4D56 (2,5 л DI-D) и 4M41 (3,2 л DI-D) двигателями.
Издание содержит руководство по эксплуатации, описание систем, подробные сведения по техническому обслуживанию автомобиля, диагностике, ремонту и регулировке элементов систем двигателя (в т.ч. системы впрыска топлива бензинового двигателя, топливной системы Common Rail дизельного двигателя, регулировки фаз газораспределения и подъема клапанов (MIVEC), зажигания, турбонаддува, запуска и зарядки), элементов механических и автоматических коробок передач (МКПП и АКПП), раздаточной коробки (Super Select 4WD), заднего и переднего редукторов, элементов тормозной системы (включая антиблокировочную систему тормозов (ABS), систему электронного распределения тормозных усилий (EBD), системы улучшения управляемости автомобиля (ASTC)), рулевого управления и подвески, кузовных элементов, систем кондиционирования (АС), отопления и вентиляции, системы пассивной безопасности (SRS).
Приведены инструкции по диагностике более 12 электронных систем: системы управления бензиновым двигателем (MPI), системы управления дизельным двигателем (DI-DI), АКПП, ABS, EBD, ASTC, системы кондиционирования, SRS, управления электрооборудованием кузова, иммобилайзера, системы поддержания постоянной скорости, ETACS.
Подробно описаны более 490 кодов неисправностей P0, P1, P2, C1, B1, U1, Flash; условия их возникновения и возможные причины.
Приведены разъемы и процедуры проверки сигналов на выводах блоков управления различными системами - PinData.
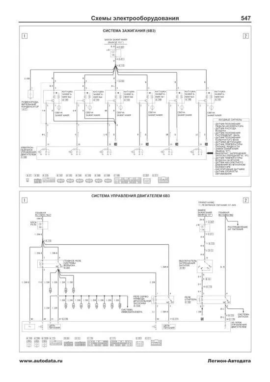
Представлены 124 подробные электросхемы (65 систем), описание большинства элементов электрооборудования, расположение разъемов элементов электрооборудования на автомобиле.
Информация для профессиональной диагностики и ремонта электрооборудования различных систем автомобиля представлена в диагностической онлайн-системе MotorData. Используя быстрые переходы по интерактивным ссылкам, Вы сможете решить проблему быстрее и сэкономить время. Подробности на MotorData.ru
Приведены возможные неисправности и методы их устранения, сопрягаемые размеры основных деталей и пределы их допустимого износа, рекомендуемые смазочные материалы, рабочие жидкости и каталожные номера расходных запчастей, необходимых для технического обслуживания, размеры рекомендуемых шин и дисков.
Книга будет полезна как автовладельцам, начинающим и опытным, так и профессионалам авторемонта и диагностики. Автовладелец найдет для себя полезными: инструкцию по эксплуатации, техническое обслуживание (с периодичностью и необходимыми материалами), наиболее характерные для данного автомобиля неисправности, каталог наиболее востребованных запасных частей, каталог оригинального дополнительного оборудования и аксессуаров, инструкции по самостоятельному ремонту. С распространением и доступностью средств диагностики автомобилей опытный автолюбитель сможет провести несложные операции по диагностике собственного автомобиля. В этом Вам поможет бесплатная версия программы MotorData ELM. Профессионалам будут полезны: операции по сложному ремонту, допустимые размеры деталей, адаптации и сброс настроек, необходимые после ремонта, данные по диагностике и подробные схемы электрооборудования.
Книги серии "Профессионал" могут выручить Вас в дороге, если Вам придется пользоваться услугами автосервиса, незнакомого или малознакомого с особенностями модели Вашего автомобиля. Отдавая автомобиль на СТО, оставьте нашу книгу в бардачке, и, в случае каких-либо затруднений, автомеханик сможет воспользоваться ею, что значительно ускорит ремонт Вашего автомобиля. Качественное изложение материала позволяет сократить время обслуживания автомобиля и сделать его более эффективным.
Книга предназначена для автовладельцев, персонала СТО и ремонтных мастерских.
Книги издательства "Легион-Автодата" серии "Профессионал" рекомендованы к использованию в автосервисах двумя профессио-нальными сообществами: Союзом автомобильных диагностов и Ассоциацией диагностов, автоэлектриков и чиптюнеров – АДАКТ.
Скачать бесплатно PDF страницы книги по ремонту и обслуживанию Mitsubishi Pajero Sport с 2008 бензин, дизель
Купить книгу по ремонту и эксплуатации автомобиля Mitsubishi Pajero Sport с 2008 с бензиновым 6В31 3.0 и дизельными 4D56 2.5, 4M41 3.2 двигателями, электросхемы, каталог расходных запчастей Вы можете в нашем интернет-магазине с доставкой Почтой России или курьером по Москве.
Рекомендуем
Похожие товары
Интернет-портал Легион-Автодата создан для удобных покупок: автолитературы, программ для диагностики автомобиля, диагностических приборов, адаптеров elm327, автоаксессуаров и инструментов для авторемонта. Купить книги и приборы для диагностики и ремонта автомобиля Вы можете в нашем интернет магазине.
Удобно оплатить руководства по ремонту и эксплуатации выбранных Вами марок авто любой из платежных систем.
Заказать доставку автокниги почтой без предоплаты, курьером по Москве, регионам и в более 200 пунктов самовывоза по всей России.



















